GM Service Manual Online
For 1990-2009 cars only
Makes
🢒
GMC_Truck
🢒
2000
🢒
Yukon Denali
🢒
Body and Accessories
🢒
Theft Deterrent
🢒 Theft Deterrent System Schematics
Theft Deterrent System Schematics Vehicle Theft Deterrent (VTD)
Passlockā¢
Theft Deterrent System Components
Vehicle Theft Deterrent (VTD)Circuit Description
Handling ESD Sensitive Parts Notice
GAUGES Fuse
T CASE, and CTSY Fuses (1 of 2)
Indicator Lamps (Diesel Only)
G103 and G104
Shift Control Module Power, Ground, DLC, and Service 4WD Indicator
VSS and Cruise Controls
Variable Effort Steering (00C/K)
VSS, TCC Signal and Brake Indicator (Gas)
G103 and G104
Variable Effort Steering (00C/K)
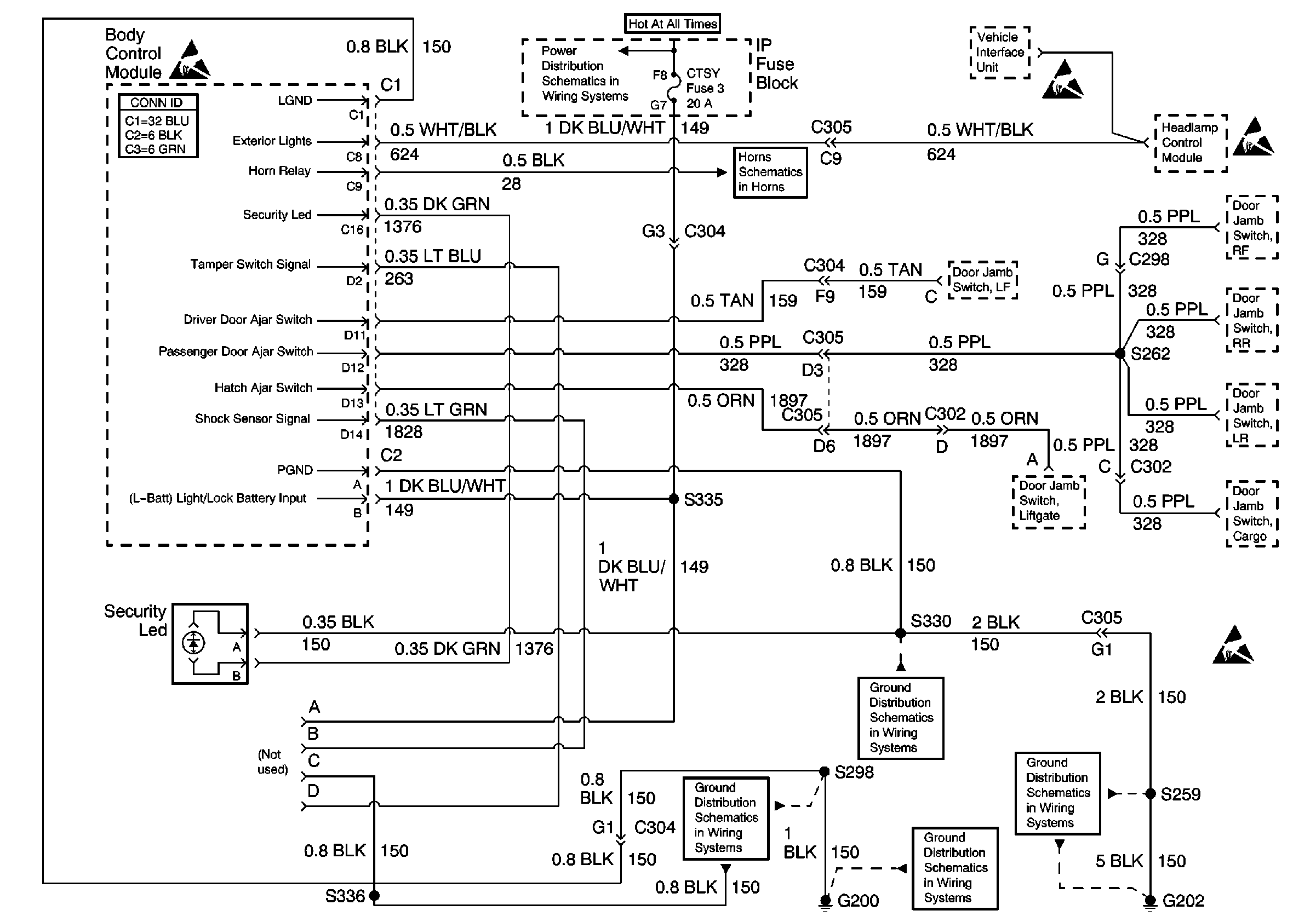
Theft Deterrent System Schematics Content Theft Deterrent (CTD)
Content Theft
Theft Deterrent System Components
Content Theft Deterrent (CTD) Circuit Description
Handling ESD Sensitive Parts Notice
T CASE, and CTSY Fuses (1 of 2)
Horns
Handling ESD Sensitive Parts Notice
Handling ESD Sensitive Parts Notice
Handling ESD Sensitive Parts Notice
G200 (1 of 4)
G202 (4 of 4)
G200 (4 of 4)
G200 (1 of 4)
G202 (4 of 4)