GM Service Manual Online
For 1990-2009 cars only

Filler Tube Replacement Single Tank

Removal Procedure

Important: Clean all fuel pipe and hose connections and surrounding areas before disconnection in order to avoid possible contamination of the fuel system.


    Object Number: 300314  Size: SH
  1. Remove the fuel fill cap.

  2. Object Number: 385766  Size: SH
  3. Remove the spare tire stowage lock cylinder.

  4. Object Number: 385791  Size: SH
  5. Remove the spare tire.

  6. Object Number: 300318  Size: SH
  7. Remove the fuel tank filler housing to fuel tank fill pipe screws.
  8. Raise and suitably support the vehicle. Refer to Lifting and Jacking the Vehicle in General Information.

  9. Object Number: 855749  Size: SH
  10. Open the rear axle vent hose clip (3) at the fill pipe and remove the vent hose.

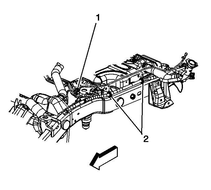
  11. Object Number: 855748  Size: SH
  12. Remove the fuel fill pipe ground strap bolt (2).
  13. Loosen the fuel fill pipe vent hose to fuel tank clamp.
  14. Loosen the fuel fill pipe to fuel tank clamp.
  15. Remove the fuel fill pipe bracket bolt (1).
  16. Separate the fuel fill pipe and vent hose from the fuel tank.
  17. Disengage the fuel fill pipe bracket from the frame.
  18. Remove the fuel fill pipe and vent hose.
  19. Cap the open end of the fuel tank to prevent system contamination.

Installation Procedure


    Object Number: 855748  Size: SH
  1. Uncap the fuel tank opening.
  2. Install the fuel fill pipe and vent hose to the fuel tank.
  3. Notice: Use the correct fastener in the correct location. Replacement fasteners must be the correct part number for that application. Fasteners requiring replacement or fasteners requiring the use of thread locking compound or sealant are identified in the service procedure. Do not use paints, lubricants, or corrosion inhibitors on fasteners or fastener joint surfaces unless specified. These coatings affect fastener torque and joint clamping force and may damage the fastener. Use the correct tightening sequence and specifications when installing fasteners in order to avoid damage to parts and systems.

  4. Engage the fuel fill pipe bracket to the frame.
  5. Install the fuel fill pipe bracket bolt (1).
  6. Tighten
    Tighten the bolt to 12 N·m (106 lb in).

  7. Tighten the fuel fill pipe vent hose to fuel tank clamps.
  8. Tighten
    Tighten the clamps to 2.5 N·m (22 lb in)

  9. Install the fuel fill pipe ground strap bolt (2).
  10. Tighten
    Tighten the bolt to 9 N·m (80 lb in).


    Object Number: 855749  Size: SH
  11. Install the rear axle vent hose clip (3) at the fill pipe.
  12. Lower the vehicle.

  13. Object Number: 300318  Size: SH
  14. Remove the fuel tank filler housing to fuel tank fill pipe screws.
  15. Tighten
    Tighten the screws to 2.3 N·m (20 lb in).


    Object Number: 385791  Size: SH
  16. Install the spare tire.

  17. Object Number: 385766  Size: SH
  18. Install the spare tire stowage lock cylinder.

  19. Object Number: 300314  Size: SH
  20. Install the fuel fill cap.

Filler Tube Replacement Dual Tanks

Removal Procedure


    Object Number: 300314  Size: SH
  1. Remove the fuel fill cap.

  2. Object Number: 300318  Size: SH
  3. Remove the fuel tank filler housing to fuel tank fill pipe screws.
  4. Raise and suitably support the vehicle. Refer to Lifting and Jacking the Vehicle in General Information.

  5. Object Number: 853726  Size: SH
  6. Remove the fuel pipe ground strap bolt.
  7. Separate the ground straps (1, 2).

  8. Object Number: 856636  Size: SH
  9. Remove the rear axle vent hose from the retaining clip (2).

  10. Object Number: 853740  Size: SH
  11. Loosen the fuel tank fill pipe clamp at the rear tank.
  12. Loosen the vent hose clamp at the rear tank.
  13. Separate the fill pipe from the rear tank.
  14. Separate the vent hose from the rear tank.
  15. Remove the fuel fill pipe.
  16. Cap the open end of the fuel tank to prevent system contamination.

Installation Procedure


    Object Number: 853740  Size: SH
  1. Uncap the fuel tank.
  2. Install the fuel fill pipe.
  3. Connect the vent hose to the rear tank.
  4. Connect the fill pipe to the rear tank.
  5. Tighten the vent hose clamp at the rear tank.
  6. Notice: Use the correct fastener in the correct location. Replacement fasteners must be the correct part number for that application. Fasteners requiring replacement or fasteners requiring the use of thread locking compound or sealant are identified in the service procedure. Do not use paints, lubricants, or corrosion inhibitors on fasteners or fastener joint surfaces unless specified. These coatings affect fastener torque and joint clamping force and may damage the fastener. Use the correct tightening sequence and specifications when installing fasteners in order to avoid damage to parts and systems.

  7. Tighten the fuel tank fill pipe clamp at the rear tank.
  8. Tighten
    Tighten the clamps to 2.5 N·m (22 lb in).


    Object Number: 856636  Size: SH
  9. Install the rear axle vent hose to the retaining clip (2).

  10. Object Number: 853726  Size: SH
  11. Position the ground straps (1, 2).
  12. Install the fuel pipe ground strap bolt.
  13. Tighten
    Tighten the bolt to 9 N·m (80 lb in).

  14. Lower the vehicle.

  15. Object Number: 300318  Size: SH
  16. Install the fuel tank filler housing to the vehicle.
  17. Install the fuel tank filler housing to fuel tank fill pipe screws.
  18. Tighten
    Tighten the screws to 2.3 N·m (20 lb in).


    Object Number: 300314  Size: SH
  19. If necessary, fill the fuel tank.
  20. Install the fuel fill cap.