GM Service Manual Online
For 1990-2009 cars only
Figure 1:

Power, Ground, Serial Data, Indicator and Switch Signals


Object Number: 852470  Size: FS
Master Electrical Component List
Brake Warning System Description and Operation
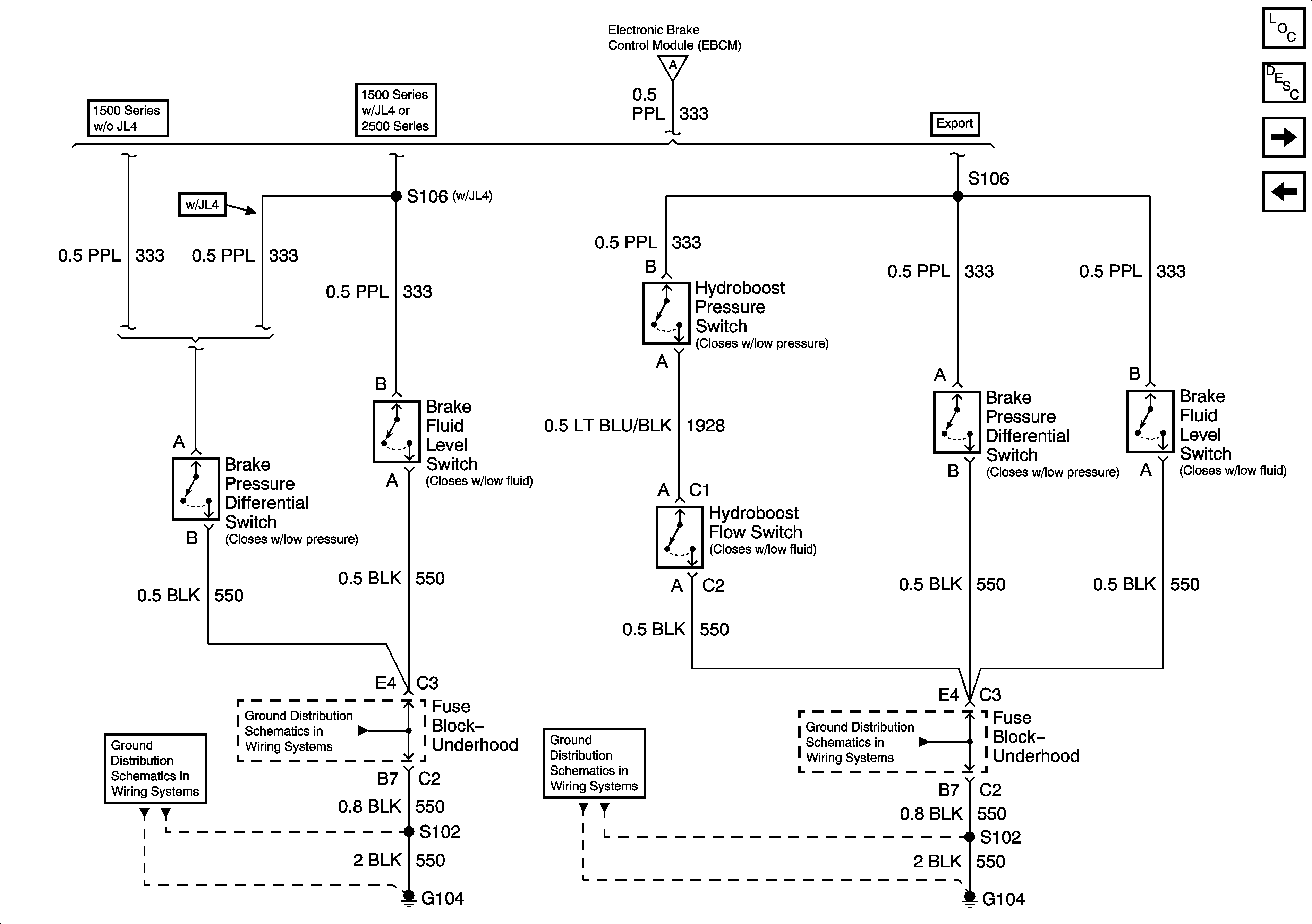
Pressure/Level Switches
BRAKE, HTR/AC, HVAC I, CRUISE, 4WD
BRAKE, HTR/AC, HVAC I, CRUISE, 4WD
SP205 - 1 of 2
G110
Pressure/Level Switches
Figure 2:

Pressure Level Swithces


Object Number: 852471  Size: FS
Master Electrical Component List
Brake Warning System Description and Operation
Supplemential Brake Assist
Power, Ground, Serial Data, Indicator, and Switch Signals
Power, Ground, Serial Data, Indicator, and Switch Signals
G104, G107
G104, G107
G104, G107
G104, G107
Figure 3:

Supplemental Brake Assist


Object Number: 885977  Size: FS
Master Electrical Component List
Brake Assist System Description and Operation Vacuum Assist
Pressure/Level Switches
SBA, ETC/ECM, PCM 1, BTSI, TRL B/U
Gauges, VSS, Engine Oil Signals
G203 - 2 Of 2
G203 - 2 Of 2
G203 - 1 Of 2
G200 - 1 of 3
G200 - 1 of 3
G200 - 1 of 3