GM Service Manual Online
For 1990-2009 cars only
Makes
🢒
GMC_Truck
🢒
2003
🢒
Yukon - 2WD
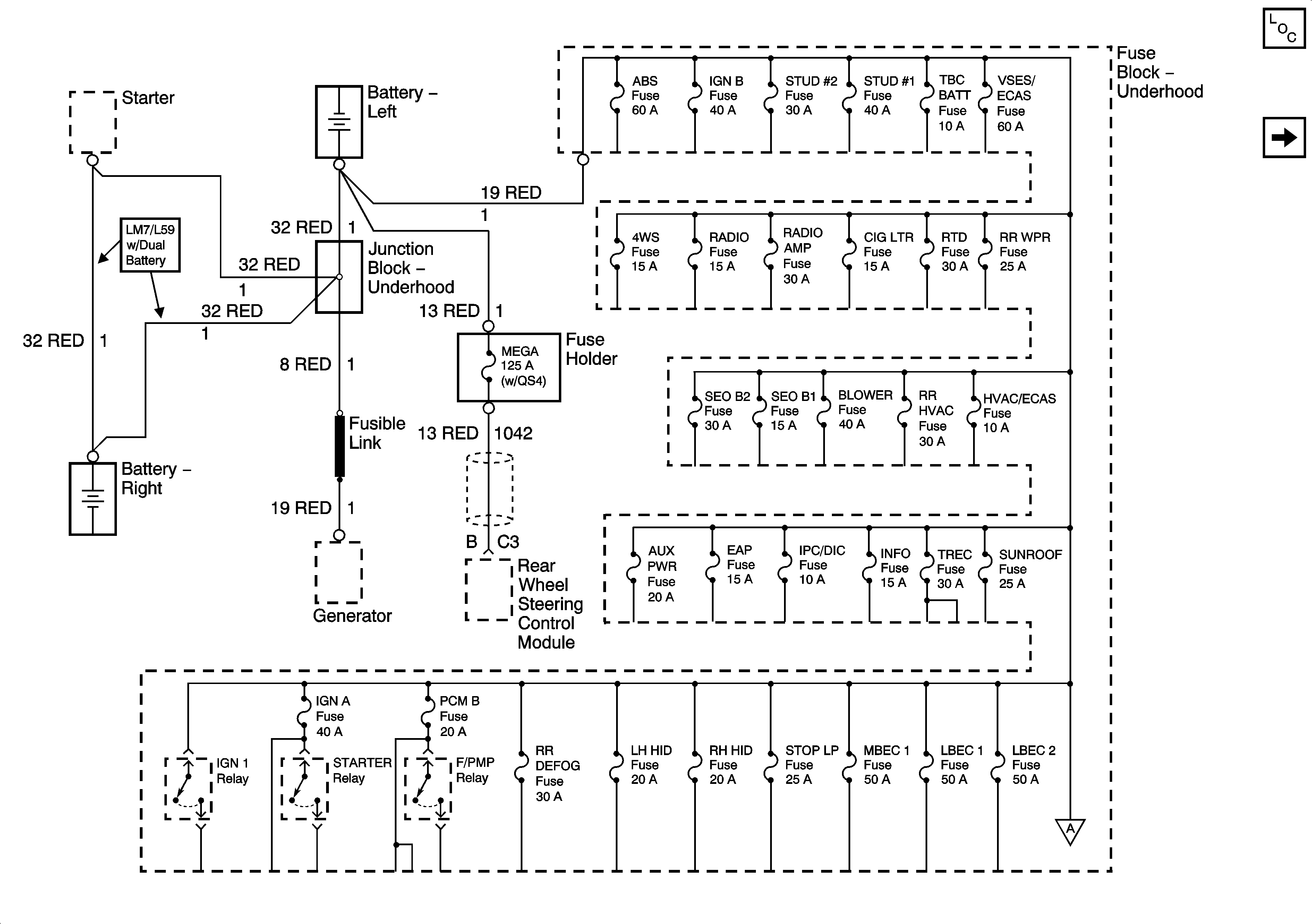
🢒 B+ Bus Bar - 1 of 2
B+ Bus Bar - 1 of 2
B+ Bus Bar - 1 of 2
Master Electrical Component List
B+ Bus Bar - 2 of 2
B+ Bus Bar - 2 of 2