GM Service Manual Online
For 1990-2009 cars only
Makes
🢒
GMC_Truck
🢒
2003
🢒
Yukon - 2WD
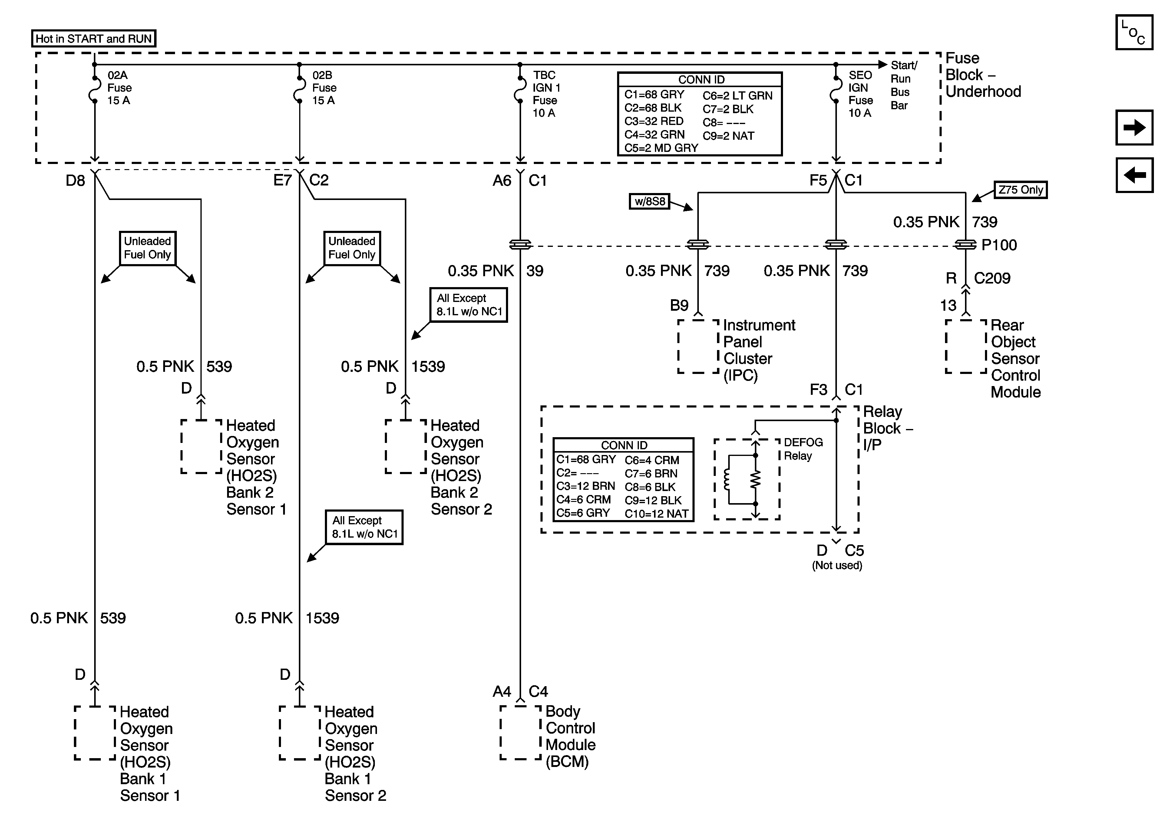
🢒 O2A, O2B, TBC IGN 1, SEO IGN
O2A, O2B, TBC IGN 1, SEO IGN
O2A, O2B, TBC IGN 1, SEO IGN
Master Electrical Component List
IGN E
IGN 0, TBC IGN 0, TBC ACCY, SEO ACCY, WS WIPER, RR WIPER
Ignition, Run, Start, Accy Bus Bar