GM Service Manual Online
For 1990-2009 cars only
Makes
🢒
GMC_Truck
🢒
2003
🢒
Yukon - 2WD
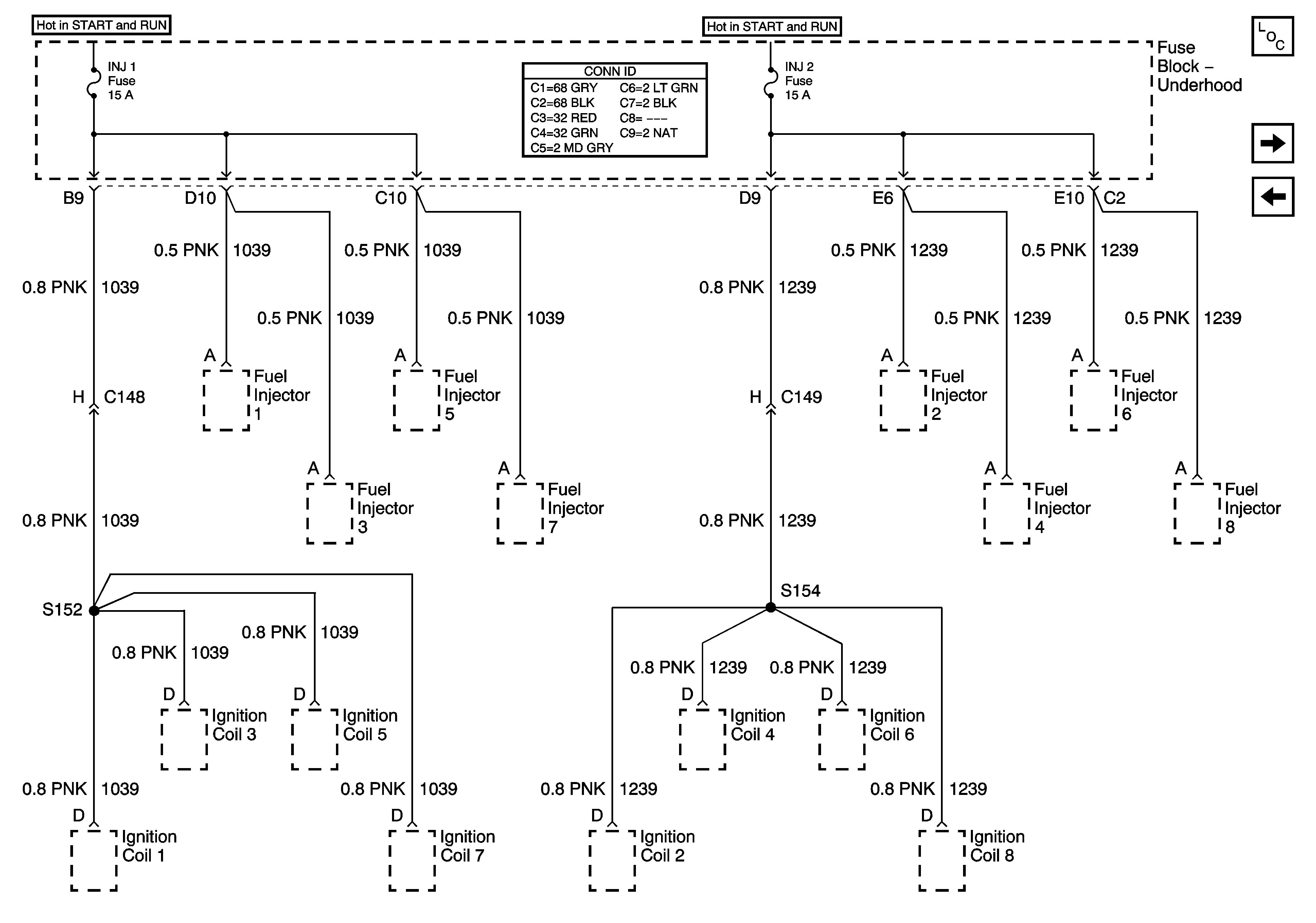
🢒 INJ 1, INJ 2
INJ 1, INJ 2
INJ 1, INJ 2 - All Except 8.1L
Master Electrical Component List
INJ 1, INJ 2-8.1L Only
SBA, ETC/ECM, PCM 1, BTSI, TRL B/U