GM Service Manual Online
For 1990-2009 cars only
Makes
🢒
GMC_Truck
🢒
2003
🢒
Yukon - 2WD
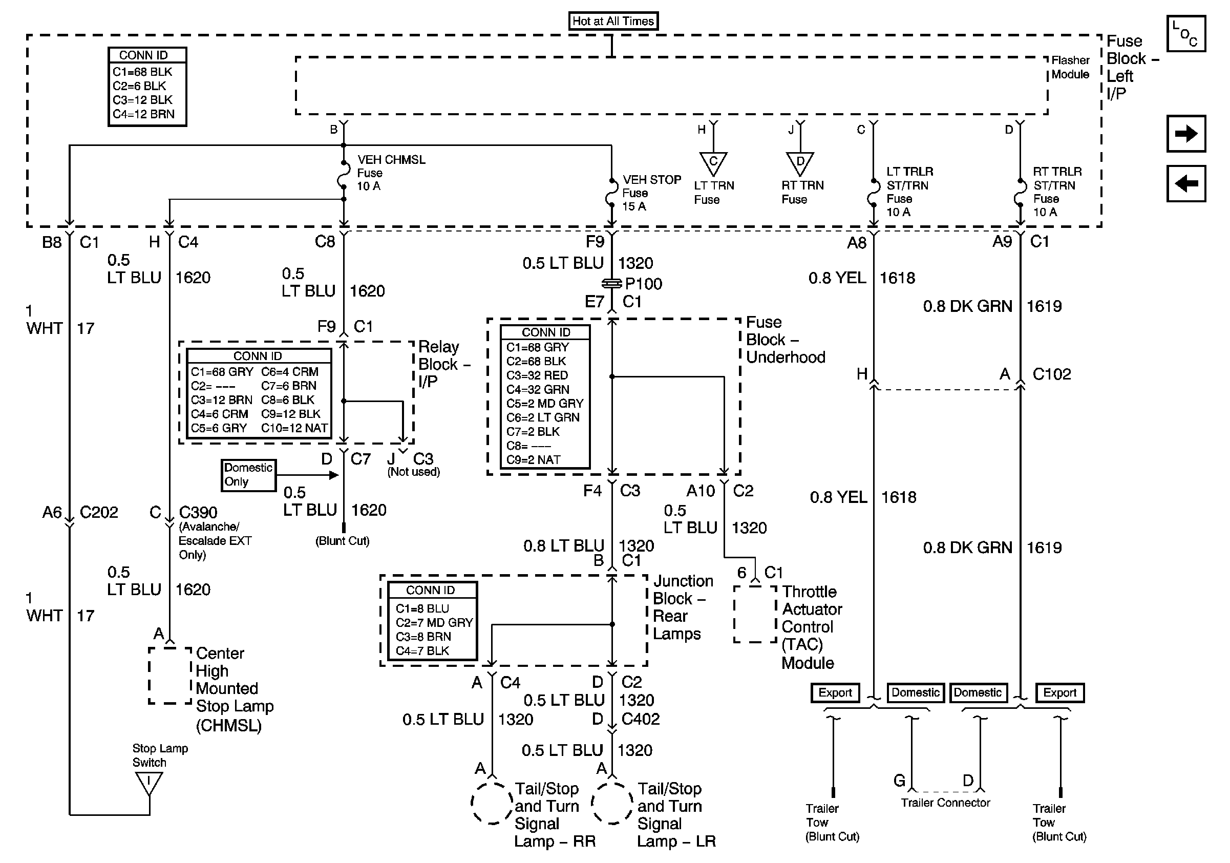
🢒 VEH CHMSL, VEH STOP, LT TRL ST/TRN, RT TRL ST/TRN
VEH CHMSL, VEH STOP, LT TRL ST/TRN, RT TRL ST/TRN
VEH CHMSL, VEH STOP, LT TRLR ST/TRN, RT TRLR ST/TRN
Master Electrical Component List
LR TRN, RT TRN - 1 of 2
FRT PARK, DRL, TRL PARK, INTPARK - Export
LR TRN, RT TRN - 1 of 2
HVAC/ECAS, RR HVAC, BLOWER, RR DEFOG, STOP LP, TREC