GM Service Manual Online
For 1990-2009 cars only
Makes
🢒
GMC_Truck
🢒
2003
🢒
Yukon - 2WD
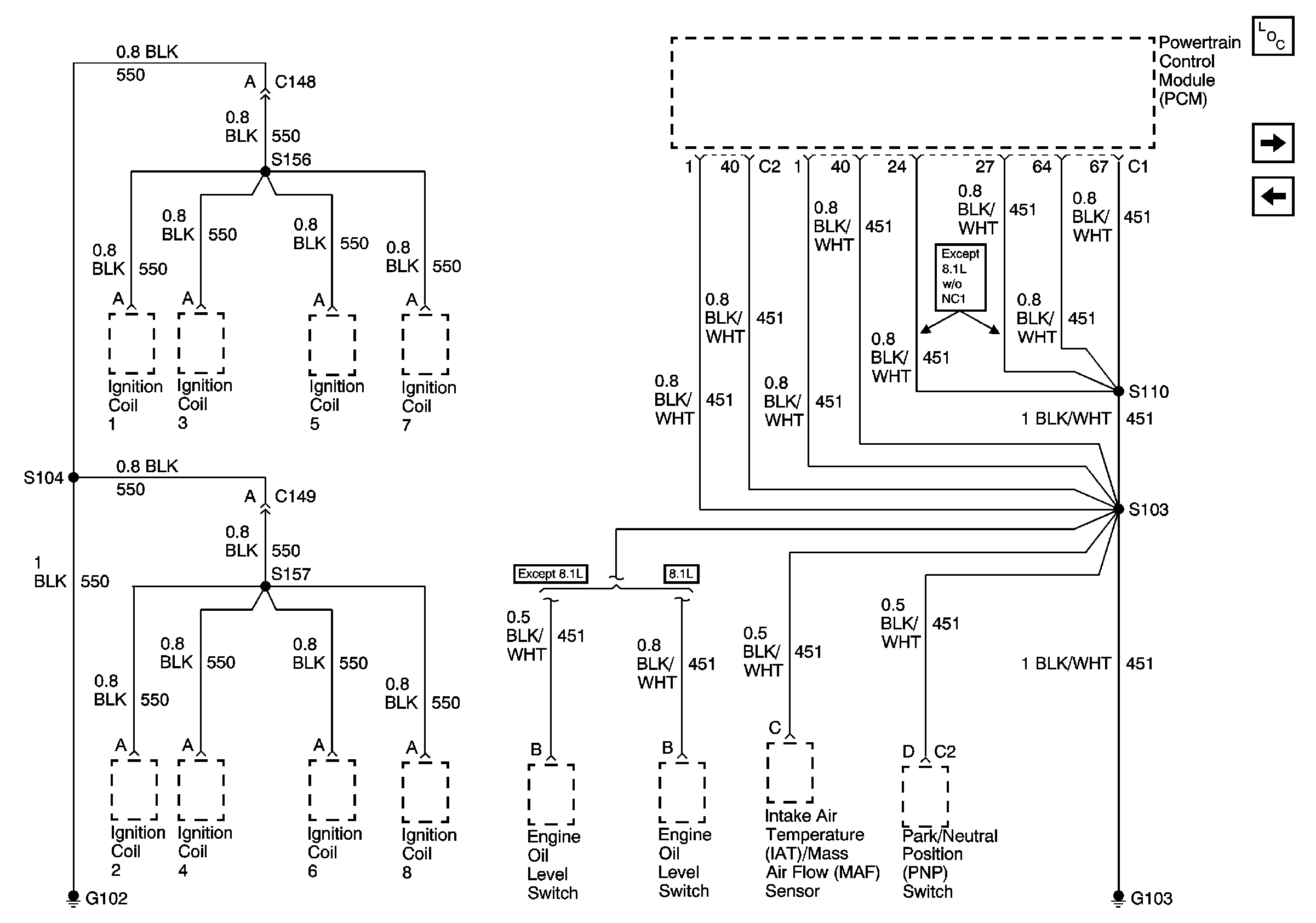
🢒 G102, G103
G102, G103
G102, G103
Master Electrical Component List
G104, G107
Ignition Controls - Ignition System Coils 1, 3, 5, and 7