GM Service Manual Online
For 1990-2009 cars only
Makes
🢒
GMC_Truck
🢒
2003
🢒
Yukon - 2WD
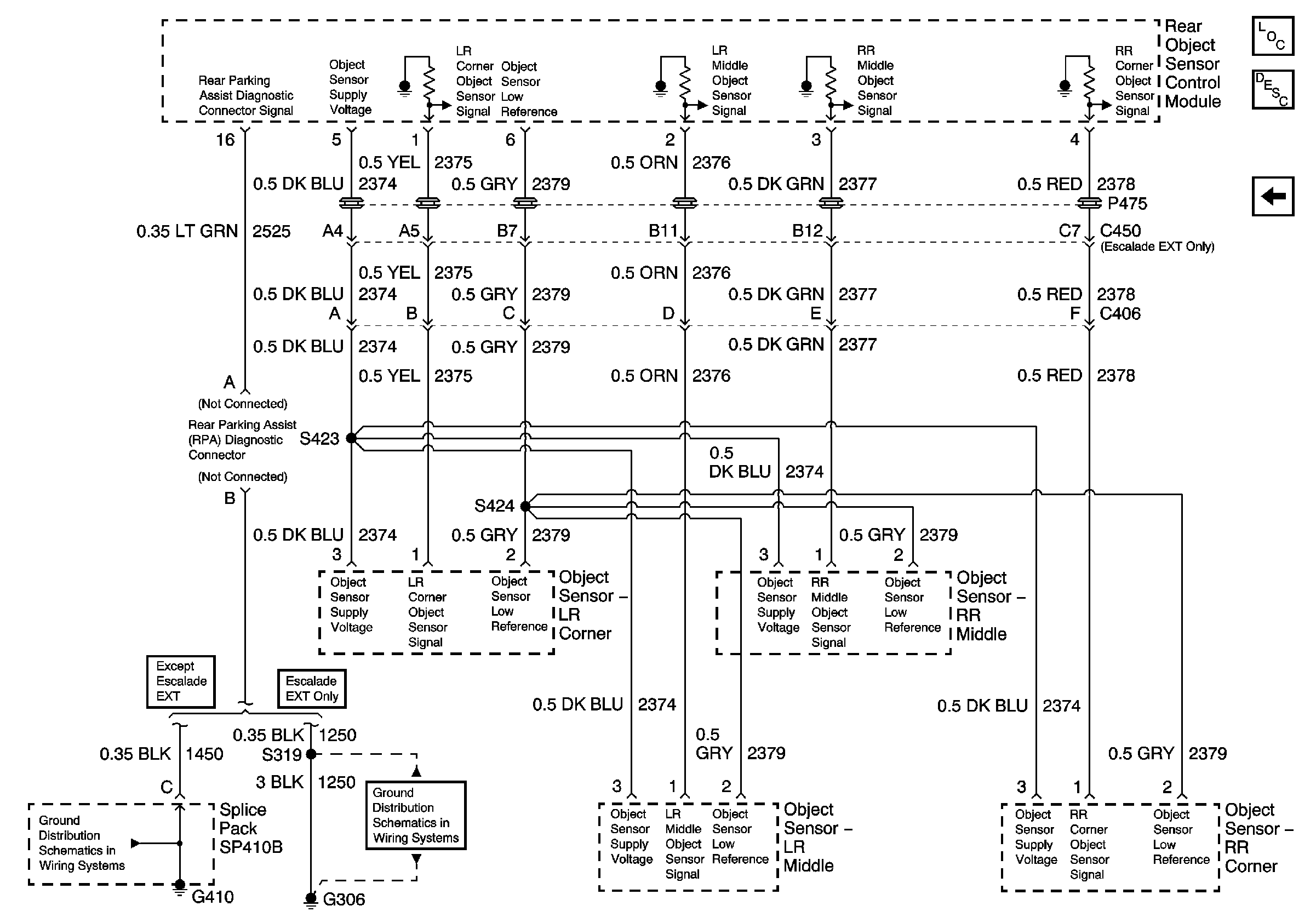
🢒 Rear Object Sensor Control Module and Object Sensors
Rear Object Sensor Control Module and Object Sensors
Rear Object Sensor Control Module and Object Sensors
Master Electrical Component List
Object Detection Description and Operation
Rear Object Sensor Control Module, RPA Display, RPA Disable Switch
G410 - 1 Of 3
G306