GM Service Manual Online
For 1990-2009 cars only
Makes
🢒
GMC_Truck
🢒
2003
🢒
Yukon - 2WD
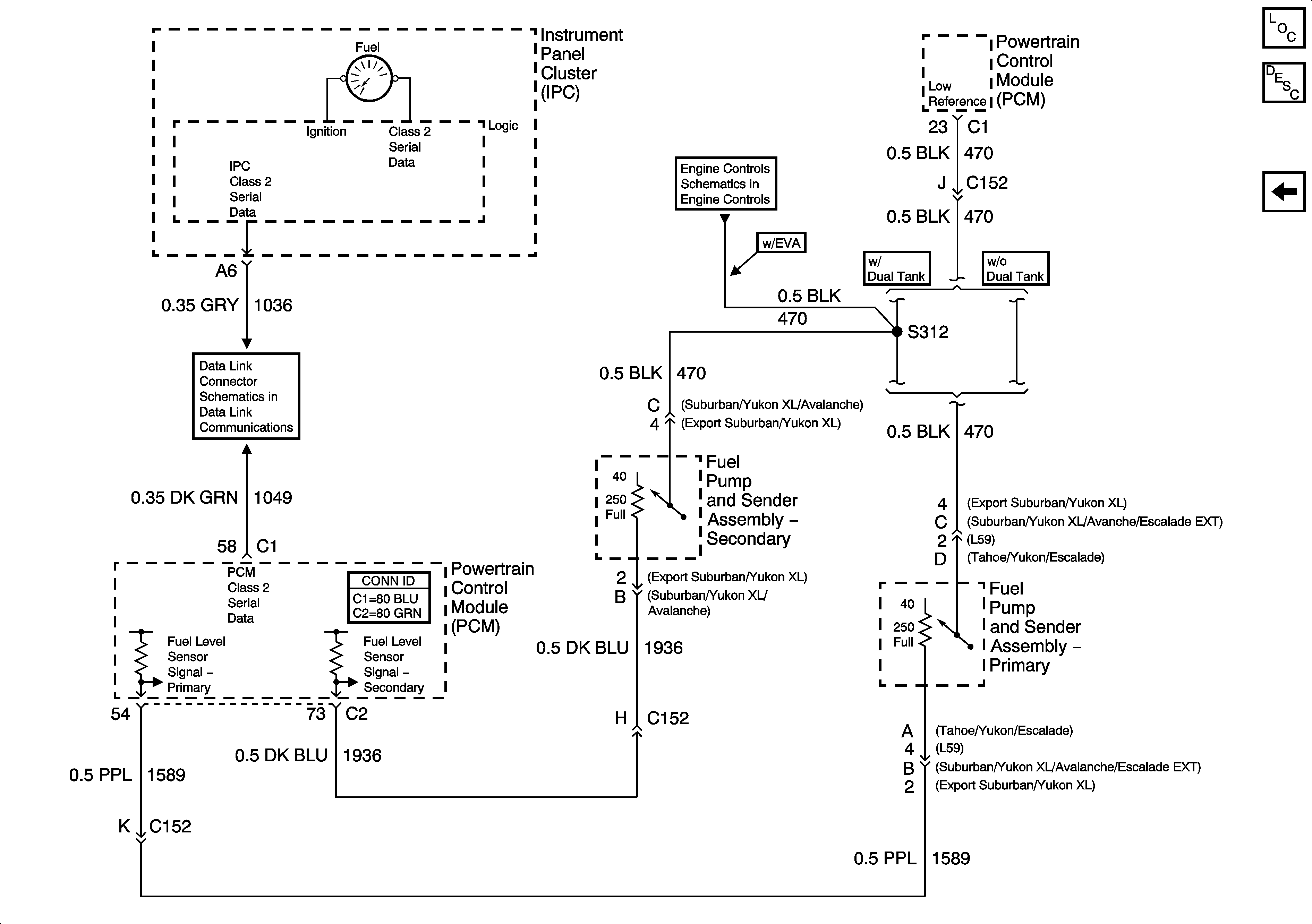
🢒 Fuel Gauge
Fuel Gauge
Fuel Gage
Master Electrical Component List
Instrument Cluster Description and Operation
Indicators, DIC Controls, Washer Fluid Level Sensor
SP205 - 1 of 2
Fuel Controls - EVAP Controls, Fuel Tank Pressure, and EGR