GM Service Manual Online
For 1990-2009 cars only
Makes
🢒
GMC_Truck
🢒
2003
🢒
Yukon - 2WD
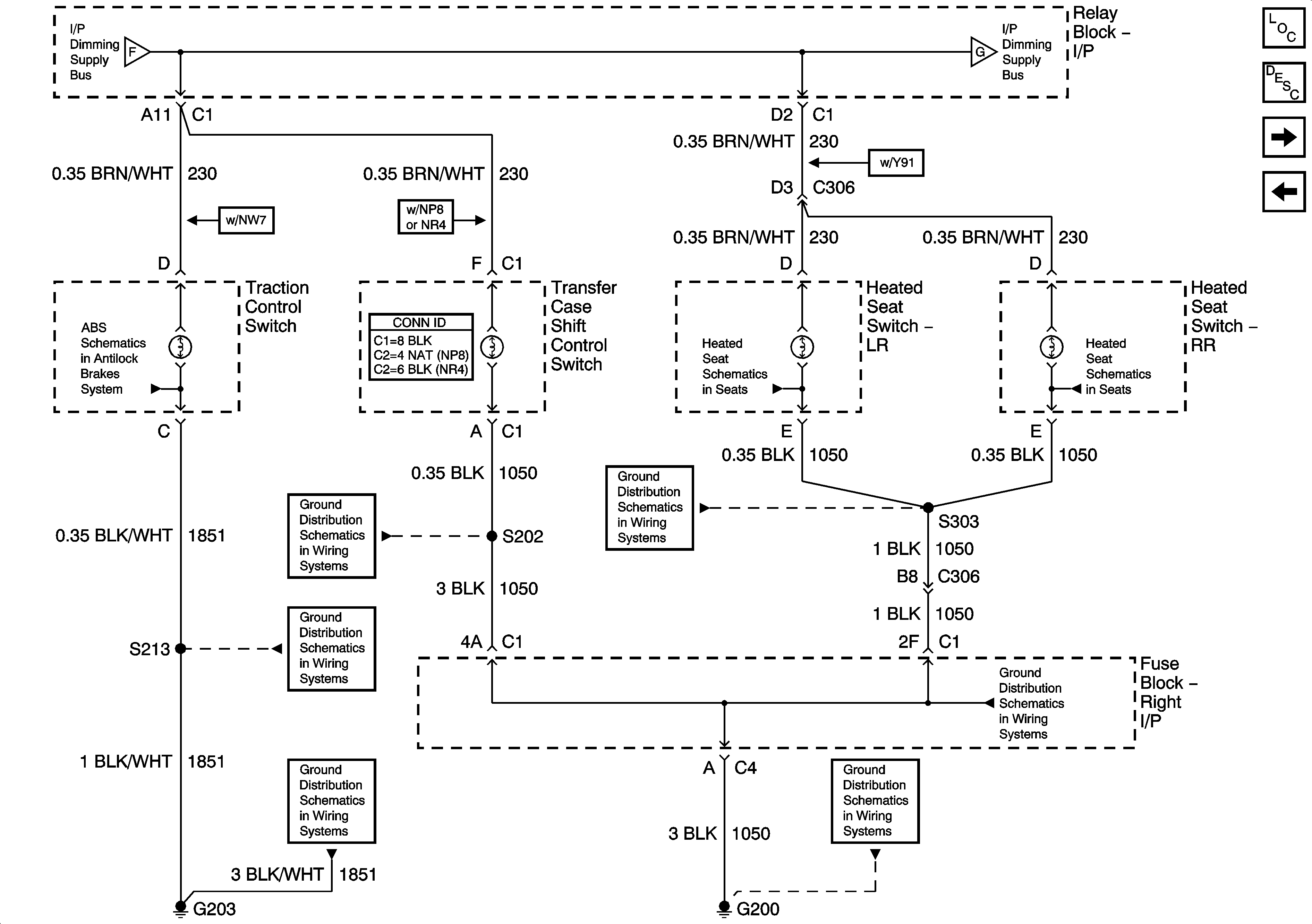
🢒 I/P Dimming Supply Voltage - 4 of 7
I/P Dimming Supply Voltage - 4 of 7
I/P Dimming Supply Voltage - 4 of 7
Master Electrical Component List
Interior Lighting Systems Description and Operation
I/P Dimming Supply Voltage - 5 of 7
I/P Dimming Supply Voltage - 3 of 7
I/P Dimming Supply Voltage - 3 of 7
I/P Dimming Supply Voltage - 5 of 7
Stoplamp Switch and Traction Control Switch
Rear Heated Seats - 1 of 3
Rear Heated Seats - 3 of 3
G200 - 1 of 3
G200 - 2 Of 3
G203 - 1 Of 2
G203 - 1 Of 2
G200 - 1 of 3
G200 - 1 of 3