GM Service Manual Online
For 1990-2009 cars only
Makes
🢒
GMC_Truck
🢒
2003
🢒
Yukon - 2WD
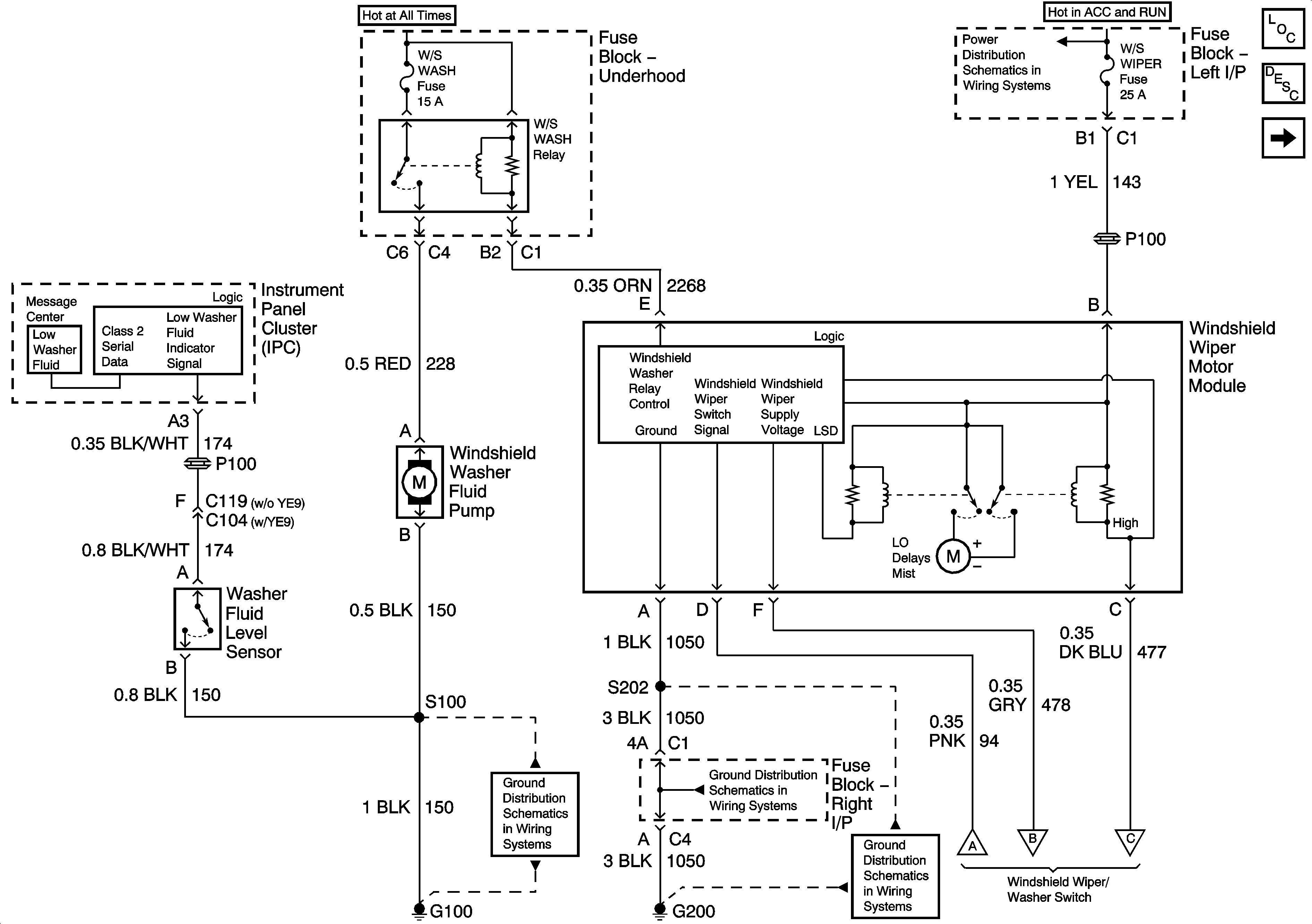
🢒 Front Wiper/Washer Control - 1 of 2
Front Wiper/Washer Control - 1 of 2
Front Wiper/Washer Control - 1 of 2
Master Electrical Component List
Wiper/Washer System Description and Operation
Front Wiper/Washer Control - 2 of 2
G100, G101, G105, G106
G200 - 1 of 3
G200 - 1 of 3
Front Wiper/Washer Control - 2 of 2
Front Wiper/Washer Control - 2 of 2
Front Wiper/Washer Control - 2 of 2