GM Service Manual Online
For 1990-2009 cars only
Makes
🢒
GMC_Truck
🢒
2003
🢒
Yukon - 2WD
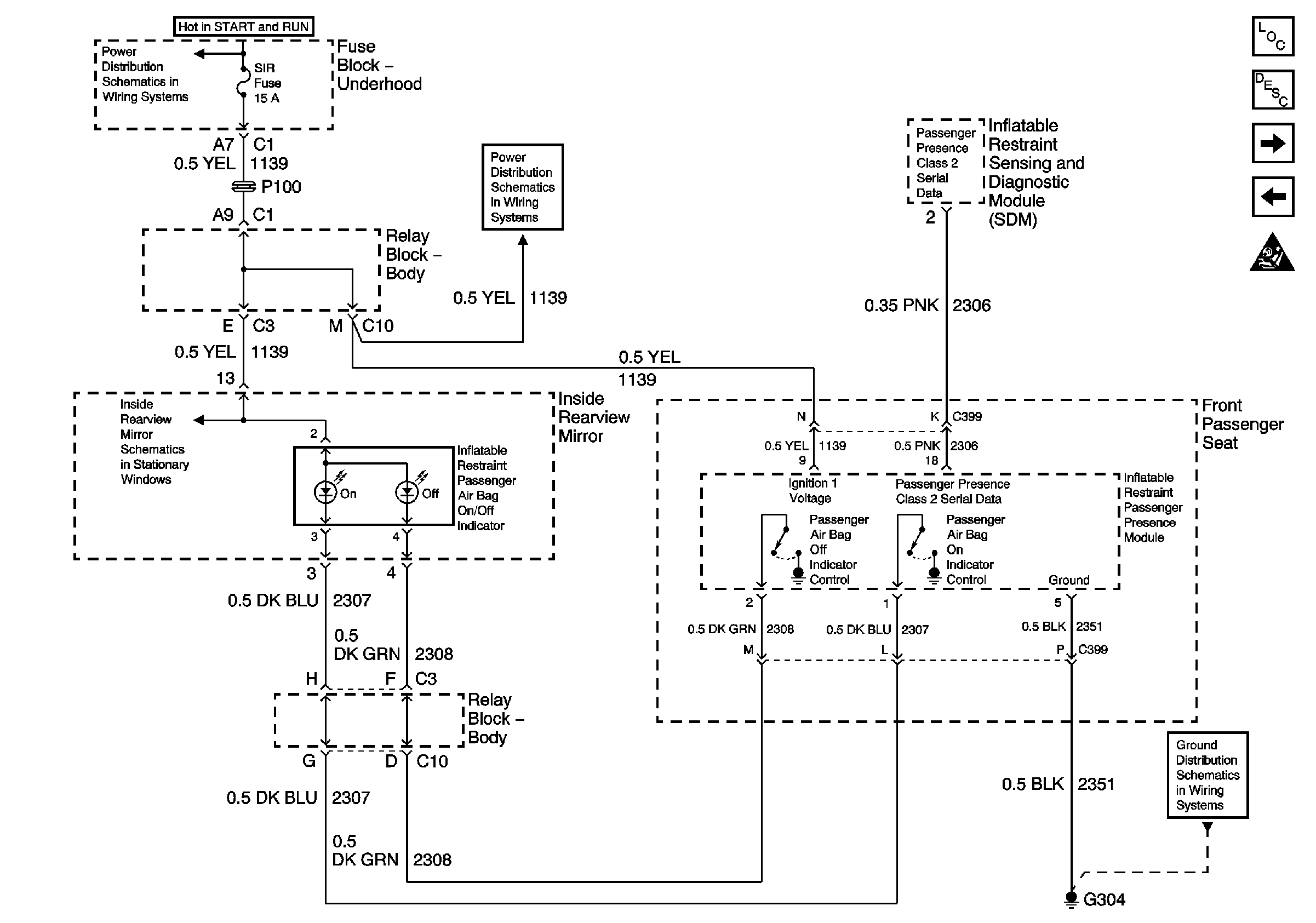
🢒 Passenger Presence Schematics - 1 of 2
Passenger Presence Schematics - 1 of 2
Passenger Presence Schematics - 1 of 2
Master Electrical Component List
SIR System Description and Operation
Passenger Presence Schematics - 2 of 2
Seat Position Switches
SIR Schematic Icons
LH HID, RT HID, PCM B, CRANK, HORN, SIR
LH HID, RT HID, PCM B, CRANK, HORN, SIR
Power, Outside Air Temp, and Light Sensors
G304, G305