GM Service Manual Online
For 1990-2009 cars only
Makes
🢒
GMC_Truck
🢒
2003
🢒
Yukon - 2WD
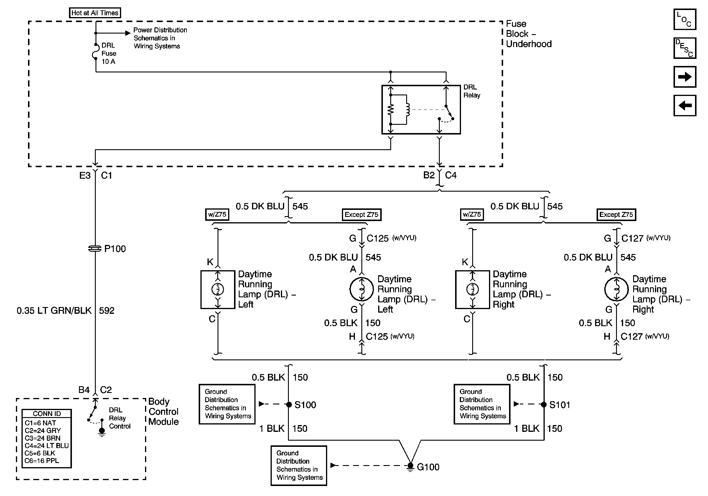
🢒 Daytime Running Lamps (DRl) - Domestic
Daytime Running Lamps (DRl) - Domestic
Daytime Running Lamps (DRL) - Domestic
Master Electrical Component List
Exterior Lighting Systems Description and Operation
Daytime Running Lamps (DRL) - Export
Headlights (w/Z75)
B+ Bus Bar - 2 of 2
G100, G101, G105, G106
G100, G101, G105, G106
G100, G101, G105, G106