GM Service Manual Online
For 1990-2009 cars only
Makes
🢒
GMC_Truck
🢒
2005
🢒
Yukon - 4WD
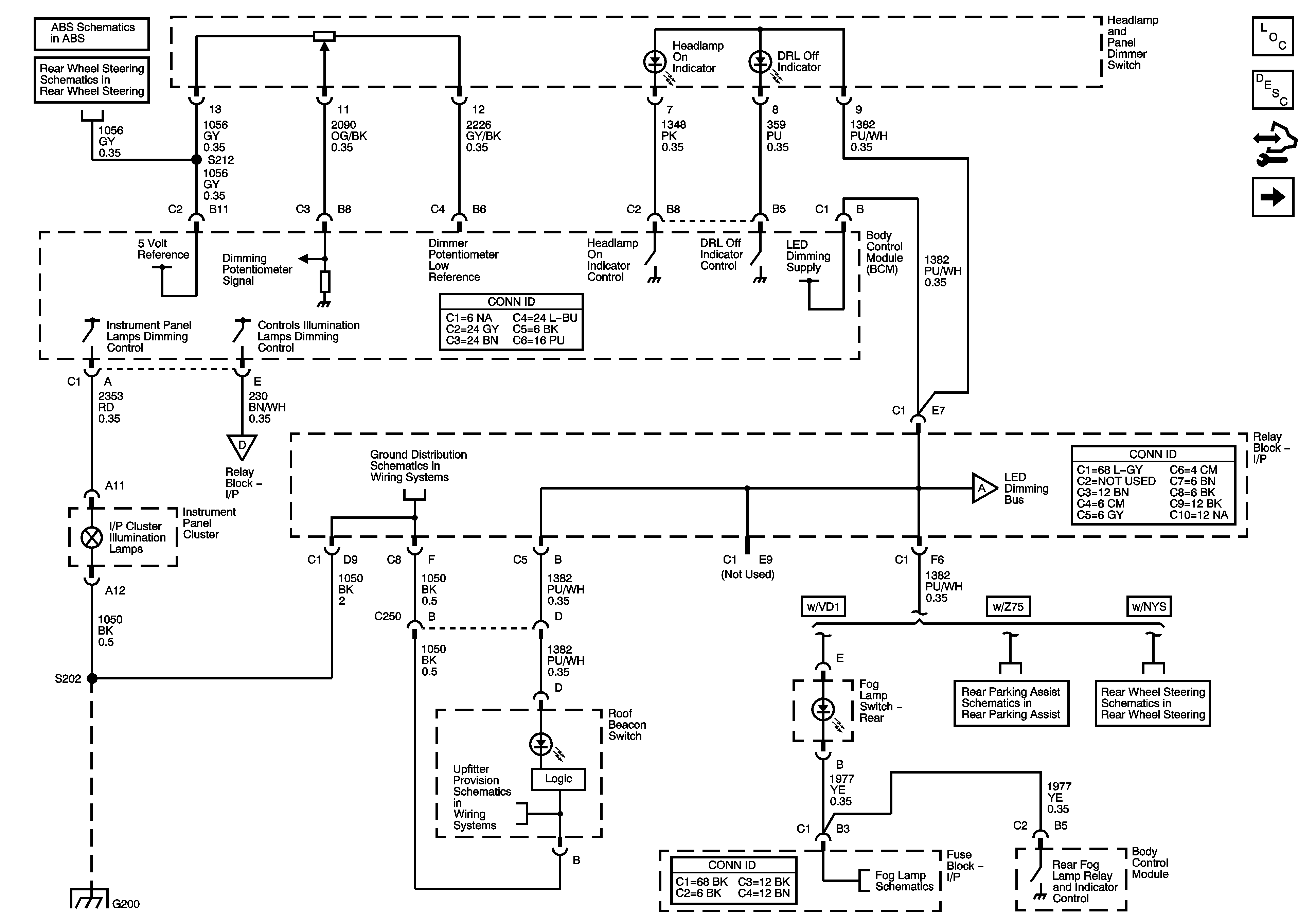
🢒 Dimming Control and LED DImming Supply Voltage - 1 of 2
Dimming Control and LED DImming Supply Voltage - 1 of 2
Dimming Control and LED Dimming Supply Voltage - 1 of 2
Master Electrical Component List
Interior Lighting Systems Description and Operation
Control Module References
Dimming Control and LED DImming Supply Voltage - 2 of 2
Steering Wheel Speed/Position Sensor Inputs - w/JL4
Steering Wheel Speed/Position Sensor
G200 - 1 of 3
I/P Dimming Supply Voltage - 1 of 8
G200 - 3 of 3 - S345
Roof Beacon Wiring (5G4)
Rear - VD1
Rear Object Sensor Control Module, RPA Display, and RPA Disable Switch
Dimming Control and LED DImming Supply Voltage - 2 of 2
Rear Object Sensor Control Module, RPA Display, and RPA Disable Switch
Mode Selection