GM Service Manual Online
For 1990-2009 cars only

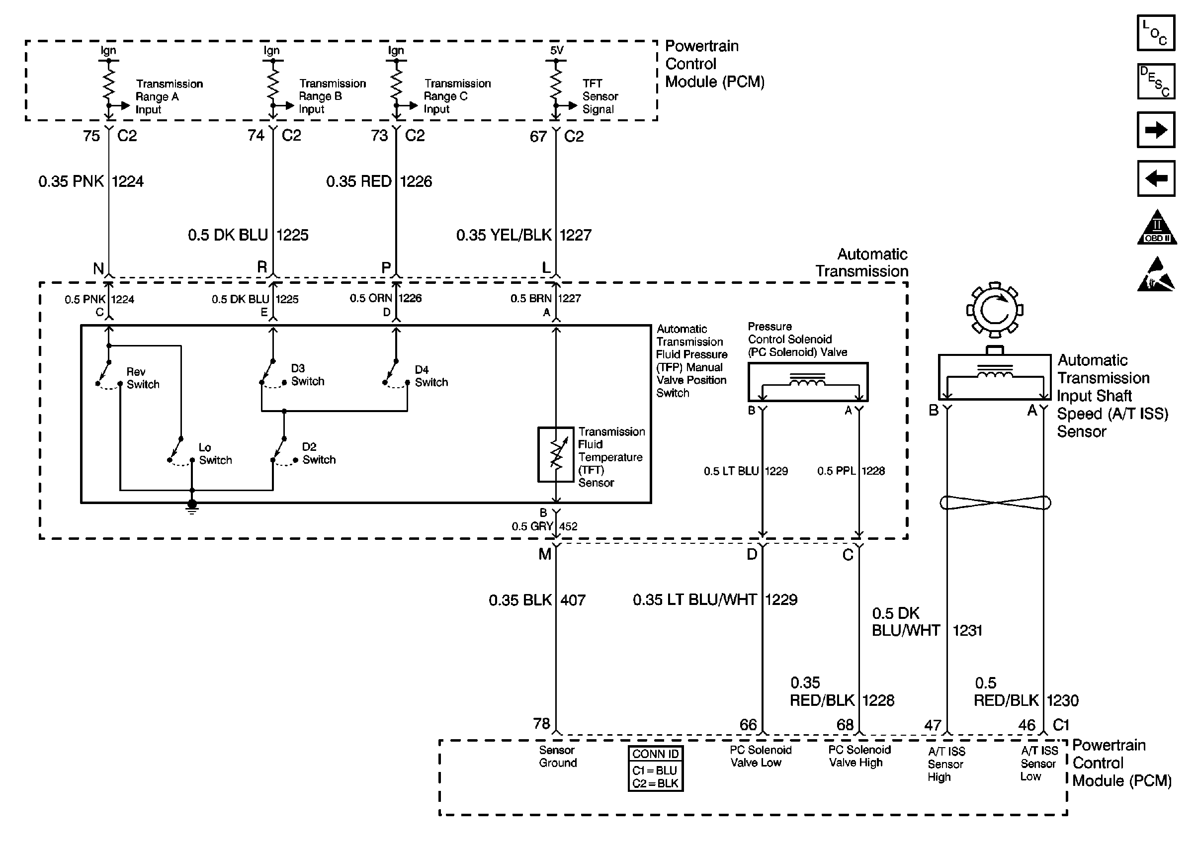
Refer to

Cell 22: Automatic Transmission Input Shaft Speed Sensor


Object Number: 366699  Size: FS
.

Circuit Description

The speed sensor circuit consists of a magnetic induction type sensor, a vehicle speed sensor buffer module and wiring. Gear teeth pressed on the output shaft induce an alternating current in the sensor. This signal is transmitted to the buffer. The buffer compensates for various axle ratios and converts the signal into a square wave for use by the speedometer, cruise control, antilock brake and PCM. The buffer sends two different signals to the PCM.

Conditions for Running the DTC

    • The PCM performs this DTC diagnostic continuously.
    • The vehicle speed greater than 20 mph.
    • The four wheel low not selected.

Conditions for Setting the DTC

    • The vehicle speed sensor (VSS) buffer calculated speed is less than half the transmission calculated speed.
    • All of the diagnostic set conditions met for 2 seconds.

or

    • The VSS buffer calculated speed is greater than transmission calculated speed by 20 mph.
    • All of the diagnostic set conditions met for 2 seconds.

Action Taken When the DTC Sets

    • The PCM disallows all cruise control inputs.
    •  The PCM will not illuminate the malfunction indicator lamp (MIL).
    • The PCM records the operating conditions at the time the diagnostic fails. This information stores in the Failure Records.

Conditions for Clearing the MIL/DTC

    • A History DTC will clear after forty consecutive warm-up cycles, if this or any other emission related diagnostic does not report any failures.
    • Use of a scan tool.

Diagnostic Aids

Important: Remove any debris from the PCM module connector surfaces before servicing the PCM module. Inspect the PCM module connector gaskets when diagnosing/replacing the module. Ensure that the gaskets are installed correctly. The gaskets prevent contaminate intrusion into the PCM module.

Check connections at VSS buffer and PCM. Refer to .

Test Description

Number(s) below refer to number(s) on the Diagnostic Table.

  1. This tests for B+ at the vehicle speed sensor (VSS) buffer.

  2. This tests for proper ground path for vehicle speed sensor signal buffer.

Step

Action

Value(s)

Yes

No

1

Important: Before clearing any DTCs, use the scan tool Capture Info to save Freeze Frame and Failure Records for reference. The control module's data is deleted once the Clear Info function is used.

Did you perform the Powertrain On-Board Diagnostic (OBD) System Check?

--

Go to Step 2

 

2

  1. Connect a scan tool.
  2. Raise the drive wheels.
  3. Start the engine.
  4. Place the transmission in any drive range.

With the drive wheels rotating, does the vehicle speed increase with drive wheel speed increase?

--

Go to Step 7

Go to Step 3

3

  1. Place the transmission in Park.
  2. Back probe the VSS buffer module ignition feed circuit with an unpowered test lamp connected to ground.

Is the test lamp ON?

--

Go to Step 4

Go to Step 8

4

Back probe the VSS buffer module ignition feed circuit to the ground circuit with an unpowered test lamp.

Is the test lamp ON?

--

Go to Step 5

Go to Step 9

5

  1. Back probe the VSS buffer module at the VSS input circuit (C7) to the other VSS input circuit (C12) with aDMM on the AC scale.
  2. Place the transmission in any drive range with the drive wheels rotating.

Does the voltage increase on the DMM with drive wheel increase?

--

Go to Step 6

Go to Step 10

6

Does the scan tool display a trans output speed (MPH) increase with drive wheel increase?

--

Go to Step 13

Go to Step 12

7

The DTC is intermittent. If no additional DTCs are stored, refer to Diagnostic Aids. If additional DTCs are stored refer to those table(s) first.

Are any additional DTCs stored?

--

Go to the applicable DTC table

Go to Diagnostic Aids

8

Repair the open in the ignition feed circuit.

Is the action complete?

--

Go to Step 18

--

9

Repair the open in the ground circui

Is the action complete?

--

Go to Step 18

--

10

Check the complete VSS input circuit for an open or short to ground. If a problem is found, repair the problem as necessary.

Did you perform a repair?

--

Go to Step 18

Go to Step 11

11

  1. Check for a proper connection at the VSS sensor.
  2. If a problem is found, repair the problem as necessary.

Did you perform a repair?

--

Go to Step 18

Go to Step 15

12

  1. Back probe the VSS buffer module at the VSS output circuit (C15) with a DMM connected to ground.
  2. Place the transmission in any drive range with the drive wheels rotating.

Is there voltage present?

--

Go to Step 13

Go to Step 16

13

Check the VSS output circuit for an open or short to ground. If a problem is found, repair the problem as necessary.

Did you perform a repair?

--

Go to Step 18

Go to Step 14

14

Check VSS output circuit for a proper connections at the PCM. If a problem is found, repair as necessary

Was a repair performed?

--

Go to Step 18

Go to Step 17

15

Replace the Vehicle Speed Sensor.

Is the action complete?

--

Go to Step 18

--

16

Replace the VSS Buffer module.

Is the action complete?

--

Go to Step 18

--

17

Important: The new PCM must be programmed.

Replace the PCM.

Is the action complete?

--

Go to Step 18

--

18

  1. Using the scan tool, clear the DTCs.
  2. Start the engine.
  3. Allow the engine to idle until the engine reaches normal operating temperature.
  4. Select DTC and the Specific DTC function.
  5. Enter the DTC number which was set.
  6. Operate the vehicle, with the Condition for Setting this DTC, until the scan tool indicates the diagnostic Ran.

Does the scan tool indicate the diagnostic Passed?

--

Go to Step 19

Go to Step 2

19

Does the scan tool display any additional undiagnosed DTCs?

--

Go to the applicable DTC table

System OK