GM Service Manual Online
For 1990-2009 cars only

Tools Required

    • J 44856 Pinion Depth Shim Selector
    • J 44865 Spline Socket
    • J 44868 Housing Spreader

Before final assembly of the differential, perform a gear tooth pattern inspection.

This contact pattern inspection is not a substitute for adjusting the pinion depth and backlash. Use this method in order to verify the correct running position of the ring gear and drive pinion. Gear sets which are not positioned properly may be noisy, have a short life, or both. A pattern inspection ensures the best contact between the ring gear and the drive pinion for low noise and long life.

Gear Tooth Nomenclature


Object Number: 7558  Size: SH

The side of the ring gear tooth which curves outward, or is convex, is the drive side (4). The concave side is the coast side (3). The end of the tooth nearest the center of the ring gear is the toe end (2). The end of the tooth farthest away from the center is the heel end (1).


    Object Number: 792841  Size: SH
  1. Apply pattern inspection chemical GM P/N United States 1052351, GM P/N Canada 10953497, or equivalent to all of the teeth of the ring gear.

  2. Object Number: 792844  Size: SH
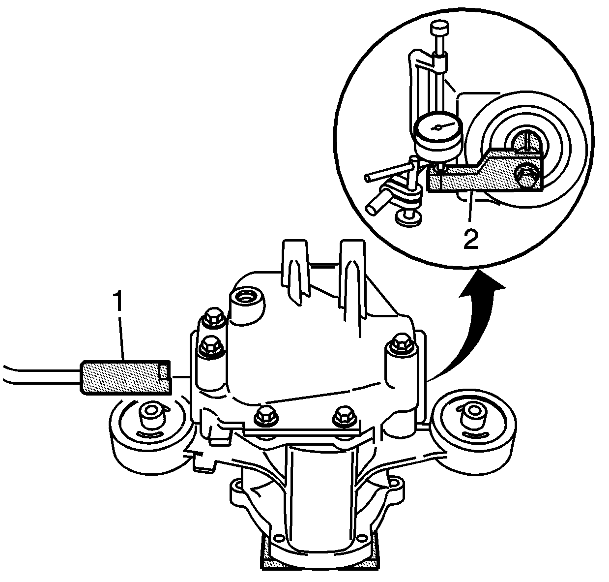
  3. Install the dial indicator on the cover at the top of the bearing bore. Preload indicator and zero it out.
  4. Install the J 44868 on the cover.
  5. Spread the cover while measuring the movement. Do not spread the cover more than 0.30-0.40 mm (0.012-0.016 in).
  6. After the spread is reached, remove the dial indicator.

  7. Object Number: 796521  Size: SH

    Important: DO NOT apply sealer to the housing or cover at this time.

  8. Install the cover.
  9. If a spread cover will not go over the shims and bearings, use a C-clamp and J 44856-10. Tighten the C-clamp on disc, this will straighten out the shims and bearing races.

  10. Object Number: 792846  Size: SH

    Notice: Use the correct fastener in the correct location. Replacement fasteners must be the correct part number for that application. Fasteners requiring replacement or fasteners requiring the use of thread locking compound or sealant are identified in the service procedure. Do not use paints, lubricants, or corrosion inhibitors on fasteners or fastener joint surfaces unless specified. These coatings affect fastener torque and joint clamping force and may damage the fastener. Use the correct tightening sequence and specifications when installing fasteners in order to avoid damage to parts and systems.

  11. Install the 4 M8 cover bolts.
  12. Tighten
    Tighten the M8 cover bolts in a criss-cross pattern to 26 N·m (19 lb ft).

  13. Remove the J 44868 .

  14. Object Number: 792780  Size: SH
  15. Install 4 M10 cover bolts.
  16. Tighten
    Tighten the M10 cover bolts in a criss-cross pattern to 46 N·m (34 lb ft).


    Object Number: 792847  Size: SH
  17. Use the J 44865 and a breaker bar over the pinion shaft.
  18. Axle preload must be applied to the gear set to perform proper pattern inspection.

  19. Install an axle shaft into the differential bore.
  20. Hold the axle shaft with a gloved hand, applying pressure while turning the pinion shaft 6 times in a clockwise direction and 6 times in a counterclockwise direction.
  21. Remove the axle shaft.

  22. Object Number: 792849  Size: SH
  23. Install the J 44856-7 (1) into one side of the differential axle bore and tighten the nut to lock the tool in place.
  24. Attach the dial indicator to the housing. Measure from the line marked on the J 44857-3. Zero out the dial indicator.
  25. Install the J 44856-8 (2) in the opposite side axle bore.
  26. Use a speed handle to rotate the differential back and forth to measure the backlash. The backlash should be 0.125-0.225 mm (0.005-0.009 in).

  27. Object Number: 792783  Size: SH

    Important: The rear differential may come out with the cover.

  28. Remove the rear cover bolts.
  29. Remove the cover.
  30. Observe the pattern on the ring gear teeth. Compare the pattern with the following illustrations. Use the legend below:
  31. 21.1. (1) Toe
    21.2. (2) Heel
    21.3. (3) Coast side, Concave
    21.4. (4) Drive side, Convex

Condition


Object Number: 7560  Size: SH
    • The backlash is correct.
    • The pinion depth is incorrect. The pinion gear is too far away from the ring gear.

Correction

Increase the thickness of the pinion shim.

Service Hints

How to inspect the pattern:

  1. Brush gear marking compound GM P/N United States 1052351, GM P/N Canada 10953497, or equivalent, on the ring gear teeth.
  2. Rotate the pinion clockwise 6 times.
  3. Rotate the pinion counterclockwise 6 times.
  4. Observe the tooth contact pattern. Make any necessary corrections.

Condition


Object Number: 7566  Size: SH
    • The backlash is correct.
    • The pinion depth is correct.

Correction

Correction may not be necessary.

Service Hints

Loose bearings on the pinion or in the differential case may cause patterns that vary. Inspect the following preload settings:

    • Total assembly
    • Differential case
    • Pinion

If these settings are correct, look for damage or incorrectly assembled parts.

Condition


Object Number: 7579  Size: SH
    • The backlash is correct.
    • The pinion depth is incorrect.

Correction

Decrease the thickness of the pinion shim.

Service Hints

The shims which adjust the pinion depth are located: Between the inner pinion bearing and the head of the pinion gear.

Adjustments Affecting Tooth Contact

There are two adjustments that affect the tooth contact pattern: backlash and drive pinion depth. The effects of bearing preloads are not readily apparent on hand loaded tooth contact pattern tests. However, bearing preloads should be within specifications before proceeding with backlash and drive pinion adjustments.

Adjust the position of the drive pinion by increasing or decreasing the distance between the pinion head and the centerline of the ring gear. Decreasing the shim distance moves the pinion closer to the centerline of the ring gear. Increasing the shim distance moves the pinion farther away from the centerline of the ring gear.

Adjust the backlash by means of the side bearing adjusting shims which move the case and ring gear assembly closer to, or farther from, the drive pinion. Also use the adjusting shims to set the side bearing preload.

If the thickness of the right shim is increased, along with an equal decrease in the thickness of the left shim, backlash will increase.

If the thickness of the left shim is increased, along with an equal decrease in the thickness of the right shim, the backlash will decrease.