GM Service Manual Online
For 1990-2009 cars only

Exhaust Manifold Installation LS


    Object Number: 412550  Size: SH

    Notice: Use the correct fastener in the correct location. Replacement fasteners must be the correct part number for that application. Fasteners requiring replacement or fasteners requiring the use of thread locking compound or sealant are identified in the service procedure. Do not use paints, lubricants, or corrosion inhibitors on fasteners or fastener joint surfaces unless specified. These coatings affect fastener torque and joint clamping force and may damage the fastener. Use the correct tightening sequence and specifications when installing fasteners in order to avoid damage to parts and systems.

  1. Install new exhaust manifold studs.
  2. Tighten
    Tighten the studs to 10 N·m (89 lb in).


    Object Number: 412125  Size: SH
  3. Install the exhaust manifold gasket.
  4. Install the exhaust manifold to the cylinder head.
  5. Install the exhaust manifold to the cylinder head retaining nuts. Follow the tightening sequence.
  6. Tighten
    Tighten the nuts to 12 N·m (9 lb ft).


    Object Number: 412121  Size: SH
  7. Coat the threads of the oxygen sensor with antisieze compound, GM P/N 12397953.
  8. Install the oxygen sensor.
  9. Tighten
    Tighten the bolts to 30 N·m (22 lb ft).


    Object Number: 825111  Size: SH
  10. Install the block heater if equipped.
  11. Tighten
    10 N·m (89 lb in)


    Object Number: 412123  Size: SH
  12. Install the exhaust manifold heat shield.
  13. Install the exhaust manifold heat shield bolts.
  14. Tighten
    Tighten the bolts to 25 N·m (18 lb ft).


    Object Number: 675361  Size: SH
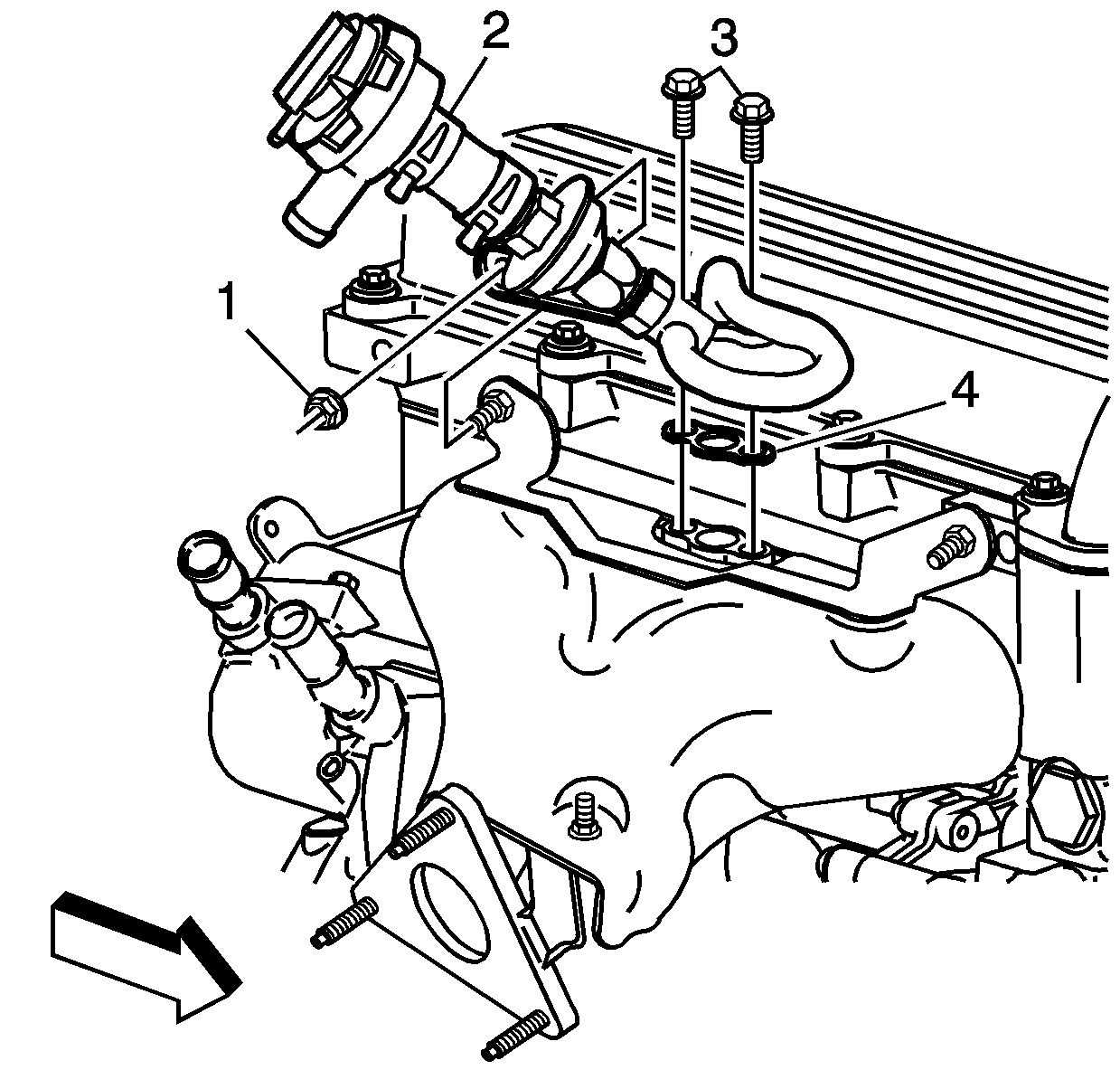
  15. Install the air pipe gasket (4) (if equipped).
  16. Install the air pipe (2) (if equipped).
  17. Install the air pipe bolts (3) (if equipped).
  18. Tighten
    Tighten the air pipe bolts to 25 N·m (18 lb ft).

  19. Install the air pipe nut (1) (if equipped).
  20. Tighten
    Tighten the air pipe nut to 16 N·m (11 lb ft).

Exhaust Manifold Installation SUV, Z Car, Opel J/T


    Object Number: 412550  Size: SH

    Notice: Use the correct fastener in the correct location. Replacement fasteners must be the correct part number for that application. Fasteners requiring replacement or fasteners requiring the use of thread locking compound or sealant are identified in the service procedure. Do not use paints, lubricants, or corrosion inhibitors on fasteners or fastener joint surfaces unless specified. These coatings affect fastener torque and joint clamping force and may damage the fastener. Use the correct tightening sequence and specifications when installing fasteners in order to avoid damage to parts and systems.

  1. Install new exhaust manifold studs.
  2. Tighten
    Tighten the studs to 10 N·m (89 lb in).


    Object Number: 746061  Size: SH
  3. Install the exhaust manifold gasket.
  4. Install the exhaust manifold to the cylinder head.
  5. Install the exhaust manifold to the cylinder head retaining nuts. Follow the tightening sequence.
  6. Tighten
    Tighten the nuts to 12 N·m (9 lb ft).


    Object Number: 412121  Size: SH
  7. Coat the threads of the oxygen sensor with antisieze compound, GM P/N 12397953.
  8. Install the oxygen sensor.
  9. Tighten
    Tighten the bolts to 30 N·m (22 lb ft).


    Object Number: 825111  Size: SH
  10. Install the block heater if equipped.
  11. Tighten
    10 N·m (89 lb in)


    Object Number: 746055  Size: SH
  12. Install the exhaust manifold heat shield.
  13. Install the exhaust manifold heat shield bolts.
  14. Tighten
    Tighten the bolts to 25 N·m (18 lb ft).