GM Service Manual Online
For 1990-2009 cars only
Figure 1:

Seal Locations


Object Number: 787558  Size: LF
(2)Torque Converter and Differential Housing Seal Assembly
(3)Front Wheel Drive Shaft Oil Seal Assembly - 2WD
(3)Front Wheel Drive Shaft Oil Seal Assembly - 2WD
(3a)Front Wheel Drive Shaft Oil O-Ring Seal - F4WD
(18)Automatic Transmission Fluid Pump O-ring Seal
(25)Automatic Transmission Fluid Pump Seal
(80)Slator Shaft Seal
(82)Reverse Clutch Piston Assembly
(98)Variable Drive Pulley Opening Cover Seal
(102)Variable Drive Pulley Opening Cover Seal
(103)Automatic Transmission Case Cover Seal
(103)Automatic Transmission Case Cover Seal
(113)Variable Driven Pulley Opening Cover Seal
(200)Control Valve Body Cover Wiring Connector Hole Seal
(402)Pump End Cover O-ring Seal
(411)Pump O-ring Seal - Inner
(415)Pump Drive Shaft Seal
(501)Forward Clutch Piston Assembly
(508)Input Shaft Fluid Passage Sleeve
(511)Input Shaft Fluid Seal Ring
(512)Input Shaft - O-Ring - Seal Ring
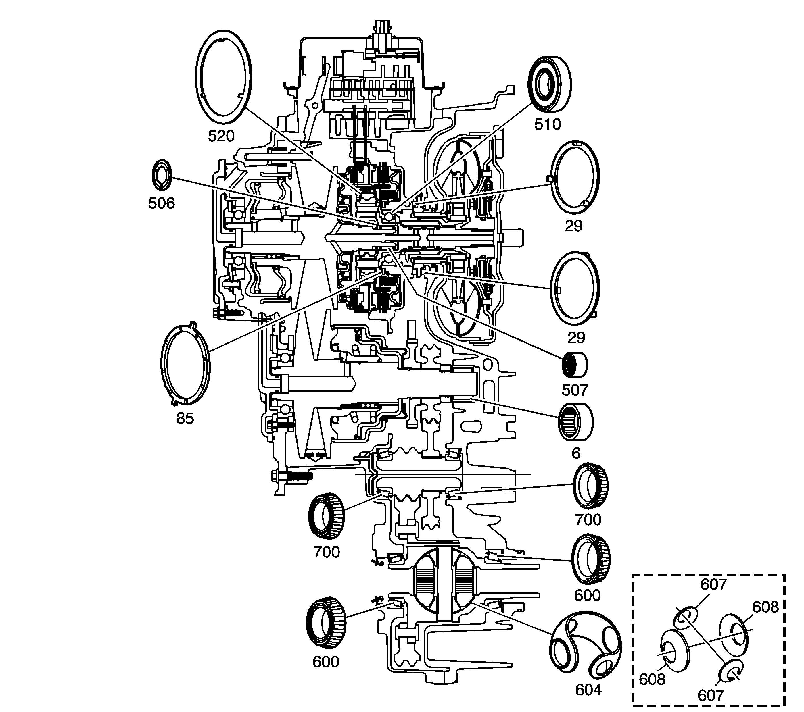
Figure 2:

Bearing Locations


Object Number: 787553  Size: LF
(6)Variable Driven Pulley Bearing Assembly
(29)Drive Sprocket Thrust Washer
(85)Reverse Clutch Hub Thrust Washer
(506)Sun Gear Thrust Washer
(507)Input Shaft Bearing Assembly - Inner
(510)Input Shaft Bearing Assembly - Outer
(520)Input Internal Gear Thrust Washer
(600)Front Differential Carrier Bearing Assembly
(600)Front Differential Carrier Bearing Assembly
(604)Front Differential Carrier Thrust Washer - Some Models
(607)Front Differential Pinion Gear Thrust Washer - Some Models
(607)Front Differential Pinion Gear Thrust Washer - Some Models
(608)Front Differential Side Gear Thrust Washer - Some Models
(608)Front Differential Side Gear Thrust Washer - Some Models
(700)Front Differential Drive Pinion Gear Bearing Assembly
(700)Front Differential Drive Pinion Gear Bearing Assembly
Figure 3:

Leak Point Locations


Object Number: 787560  Size: LF
(1)Torque Converter Assembly
(2)Torque Converter and Differential Housing Seal Assembly
(3)Front Wheel Drive Shaft Oil Seal Assembly
(3)Front Wheel Drive Shaft Oil Seal Assembly
(4)Torque Converter and Differential Housing Assembly
(33)Park Pawl Shaft Hole Plug
(41)Manual Shift Shaft Seal Assembly
(52)Transmission Fluid Fill Lower Tube
(54)Transmission Fluid Cooler Pipe Fitting Seal
(55)Automatic Transmission Fluid Pressure Test Hole Plug
(61)Automatic Transmission Vent Cap
(67)Control Valve Body Cover
(97)Automatic Transmission Case Cover Assembly
(104)Variable Drive Pulley Opening Cover
(114)Variable Driven Pulley Opening Cover
(200)Control Valve Body Cover Wiring Connector Hole Seal