GM Service Manual Online
For 1990-2009 cars only
Makes
🢒
Generic
🢒
2005
🢒
Unit Repair
🢒
Engine
🢒
Engine Mechanical - 5.7L (LS1 Export)
🢒 Disassembled Views
Figure
1:
Intake Manifold/Upper Engine
(100)
Engine Block
(307)
Coolant Air Bleed Pipe
(308)
Gasket
(308)
Gasket
(309)
Bolt
(310)
Clamp
(311)
Coolant Air Bleed Hose
(312)
Bolt
(313)
Coolant Air Bleed Cover
(500)
Intake Manifold
(506)
Bolt
(507)
Bolt
(508)
Throttle Body
(509)
Throttle Body Gasket
(510)
Fuel Rail with Injectors
(511)
Bolt
(512)
Bolt
(513)
Insulator
(514)
Intake Manifold Gasket
(520)
Knock Sensor Oil Seals
(550)
Fuel Rail Ground Strap
(555)
Valley Cover
(556)
Gasket
(708)
Evaporative Emission (EVAP) Purge Valve
(712)
Fuel Injection Fuel Rail Stop Bracket
(713)
Bolt
(714)
Manifold Absolute Pressure (MAP) Sensor
(715)
MAP Sensor Grommet
(716)
Positive Crankcase Ventilation (PCV) Hose - Dirty Air
(717)
Knock Sensor Wire Harness
(718)
Knock Sensor
(729)
EVAP Tube
(730)
EVAP Valve Bracket
(731)
EVAP Tube
Figure
2:
Cylinder Head/Upper Engine
(100)
Engine Block
(209)
Valve Lifters
(210)
Valve Lifter Guide
(211)
Valve Lifter Guide Bolt
(212)
Pushrod
(213)
Valve Rocker Arm
(214)
Bolt
(215)
Valve Rocker Arm Pedestal
(216)
Plug
(217)
Cylinder Head Gasket
(218)
Cylinder Head
(220)
Cylinder Head Bolt - M11
(221)
Cylinder Head Bolt - M8
(222)
Valve Stem Oil Seal
(223)
Valve Spring
(224)
Valve Spring Cap
(225)
Valve Stem Keys
(226)
Plug
(227)
Valve - Intake
(228)
Valve - Exhaust
(229)
Coolant Plug
(230)
Cylinder Head Locating Pin
(422)
O-Ring
(423)
Oil Fill Tube
(424)
Oil Fill Cap
(450)
O-Ring
(504)
Gasket
(504)
Gasket
(505)
Valve Rocker Arm Cover
(505)
Valve Rocker Arm Cover
(515)
Bolt Grommet
(516)
Bolt
(557)
Grommet
(558)
Plug
(600)
Exhaust Manifold
(601)
Gasket
(602)
Bolt
(603)
Exhaust Manifold Heat Shield
(604)
Bolt
(605)
Stud
(700)
Positive Crankcase Ventilation (PCV) Tube - Fresh Air
(719)
Ignition Coil Bracket
(720)
Ignition Coil Bracket Bolt
(721)
Ignition Coil Wire Harness Assembly
(722)
Ignition Coil
(723)
Ignition Coil Bolt
(724)
Spark Plug Wire
(725)
Coolant Temperature Sensor
(726)
Spark Plug
Figure
3:
Front of Engine
(100)
Engine Block
(138)
Crankshaft Balancer
(139)
Crankshaft Balancer Bolt
(140)
Crankshaft Front Oil Seal
(200)
Camshaft
(201)
Camshaft Bearings
(202)
Camshaft Sprocket Locating Pin
(203)
Camshaft Retainer Plate
(204)
Bolt
(205)
Camshaft Sprocket
(206)
Bolt
(207)
Crankshaft Sprocket
(208)
Timing Chain
(231)
Bolt
(232)
Timing Chain Guide
(300)
Water Pump
(301)
Bolt
(302)
Bolt
(303)
Thermostat Housing
(304)
O-Ring
(305)
Thermostat
(306)
Water Pump Gasket
(404)
Nut
(405)
Bolt
(406)
O-Ring
(407)
Oil Pump Screen
(408)
Bolt
(409)
Oil Pump Cover
(410)
Drive Gear
(411)
Bolt
(412)
Driven Gear
(413)
Oil Pump Assembly
(414)
Pressure Regulator Valve
(415)
Pressure Regulator Valve Spring
(416)
Plug
(417)
O-Ring
(418)
Oil Level Indicator
(419)
Bolt
(420)
Oil Level Indicator Tube
(421)
O-Ring
(501)
Bolt
(502)
Front Cover
(503)
Front Cover Gasket
Figure
4:
Rear of Engine
(100)
Engine Block
(123)
Transmission Pilot Bearing - Manual Transmission
(132)
Flywheel - Automatic Transmission
(133)
Bolt
(134)
Flywheel - Manual Transmission
(135)
Clutch Driven Plate - Manual Transmission
(136)
Clutch Pressure Plate - Manual Transmission
(137)
Bolt
(141)
Crankshaft Rear Oil Seal
(142)
Clutch Pressure Plate Locating Pin - Manual Transmission
(517)
Bolt
(518)
Rear Cover
(519)
Rear Cover Gasket
Figure
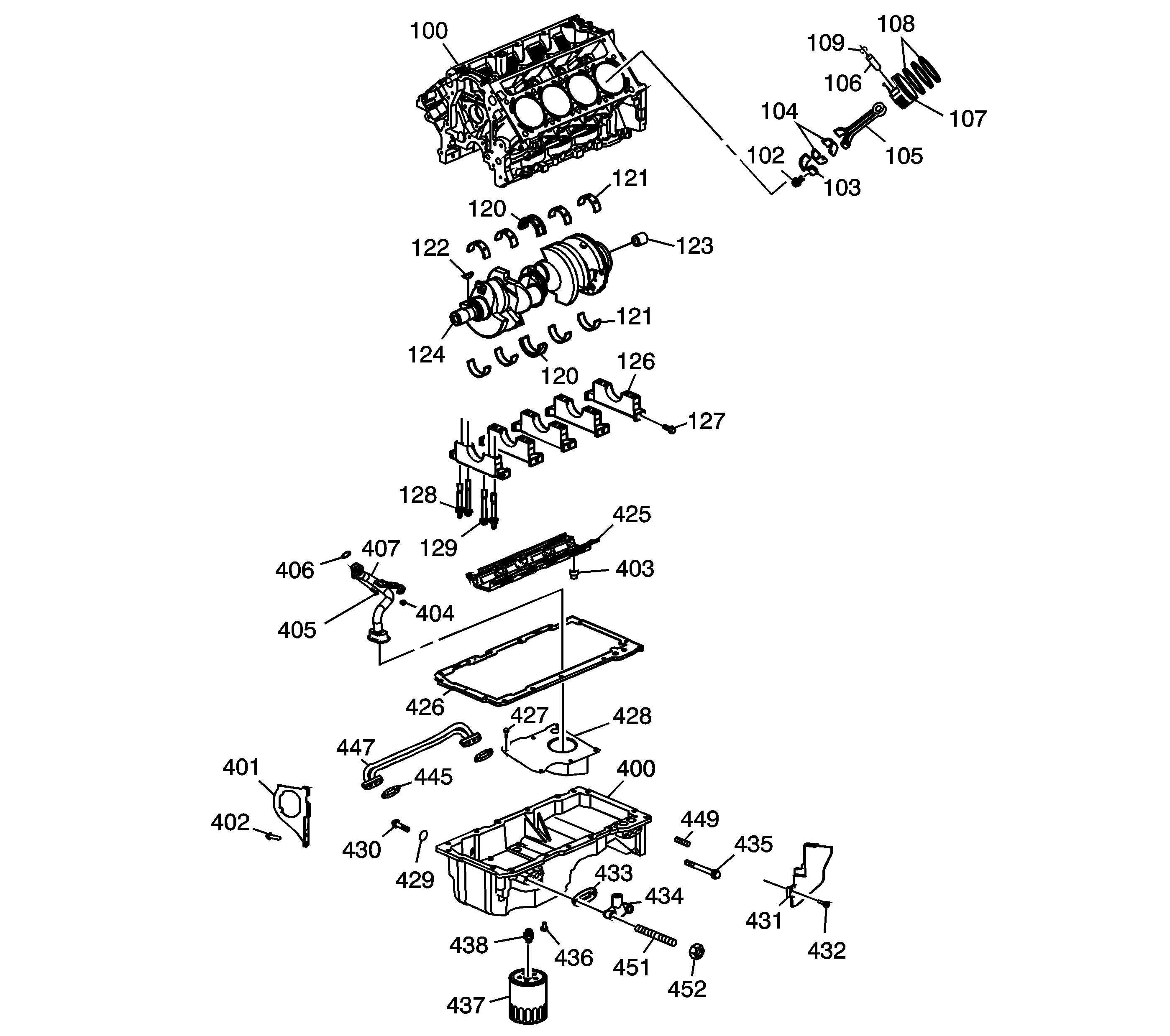
5:
Lower Engine Assembly
(100)
Engine Block
(102)
Connecting Rod Bolt
(103)
Connecting Rod Cap
(104)
Connecting Rod Bearings
(105)
Connecting Rod
(106)
Piston Pin
(107)
Piston
(108)
Piston Ring Set
(109)
Piston Pin Clip
(120)
Crankshaft Thrust Bearing
(120)
Crankshaft Thrust Bearing
(121)
Crankshaft Main Bearing
(121)
Crankshaft Main Bearing
(122)
Key
(123)
Transmission Pilot Bearing - Manual Transmission
(124)
Crankshaft
(126)
Main Bearing Cap
(127)
Main Bearing Cap Side Bolt
(128)
Main Bearing Cap Bolt/Stud
(129)
Main Bearing Cap Bolt
(400)
Oil Pan
(401)
Engine Closeout Cover - Right
(402)
Bolt
(403)
Nut
(404)
Nut
(405)
Bolt
(406)
O-Ring
(407)
Oil Pump Screen
(425)
Crankshaft Oil Deflector
(426)
Oil Pan Gasket
(427)
Bolt
(428)
Oil Pan Baffle
(429)
O-Ring
(430)
Oil Pan Drain Plug
(431)
Oil Pan Closeout Cover - Left
(432)
Bolt
(433)
Gasket
(434)
Cover
(435)
Bolt
(436)
Oil Filter Bypass Valve
(437)
Oil Filter
(438)
Oil Filter Fitting
(445)
Gasket
(447)
Oil Transfer Tube
(449)
Plug
(451)
Stud
(452)
Nut
Figure
6:
Block Plugs and Sensors
(100)
Engine Block
(101)
Oil Gallery Plug - Front
(110)
O-Ring
(111)
Oil Gallery Plug - Rear
(112)
Oil Gallery Plug - Left Side Rear
(113)
Washer
(114)
Coolant Heater
(115)
Washer
(116)
Oil Gallery Plug - Left Side Front
(117)
Washer
(130)
Transmission Housing Locating Pin
(145)
Washer
(146)
Coolant Drain Plug
(701)
Crankshaft Position (CKP) Sensor
(702)
O-Ring
(703)
Camshaft Position (CMP) Sensor
(704)
O-Ring
(705)
Bolt
(706)
Oil Pressure Sensor
(707)
Washer
(750)
Bolt
Figure
7:
Oil Pump Assembly
(408)
Bolt
(409)
Oil Pump Housing Cover
(410)
Oil Pump Drive Gear
(412)
Oil Pump Driven Gear
(413)
Oil Pump
(414)
Oil Pump Pressure Relief Valve
(415)
Oil Pump Pressure Relief Valve Spring
(416)
Oil Pump Housing Plug