GM Service Manual Online
For 1990-2009 cars only
Makes
🢒
Generic
🢒
2005
🢒
Unit Repair
🢒
Body
🢒
Stationary Windows
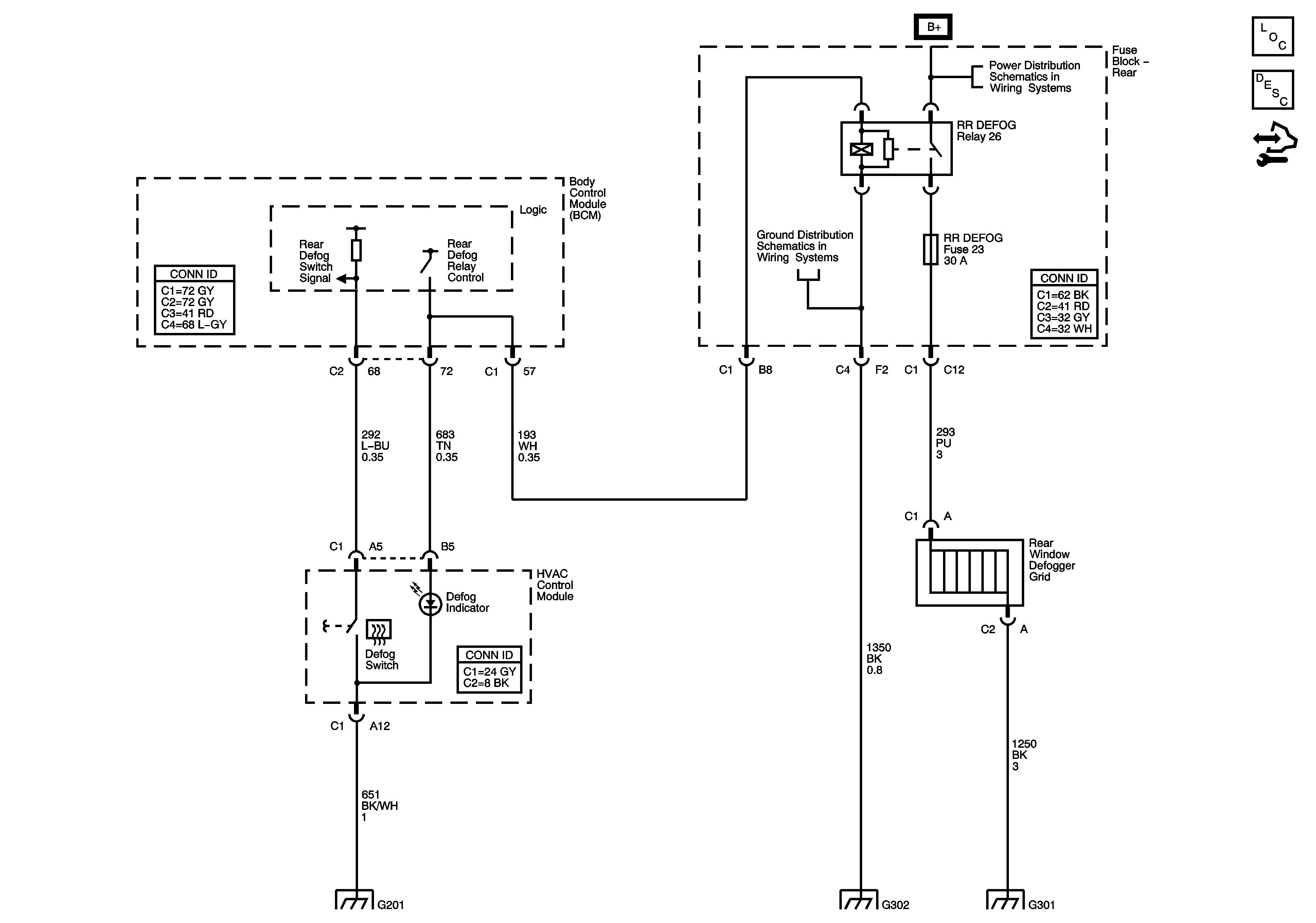
🢒 Defogger Schematics
Master Electrical Component List
Rear Window Defogger Description and Operation
Control Module References
Underhood Fuse Block RBEC 1 Fuse and Rear Fuse Block CIG/AUX, SUN RF, RKE/XM, STOP LP, BACK UP LP, RR DEFOG, HTD MIR and HTD ST Fuses
G302
G201
G302
G301