GM Service Manual Online
For 1990-2009 cars only
Makes
🢒
Generic
🢒
2005
🢒
Unit Repair
🢒
Body
🢒
Wipers/Washer Systems
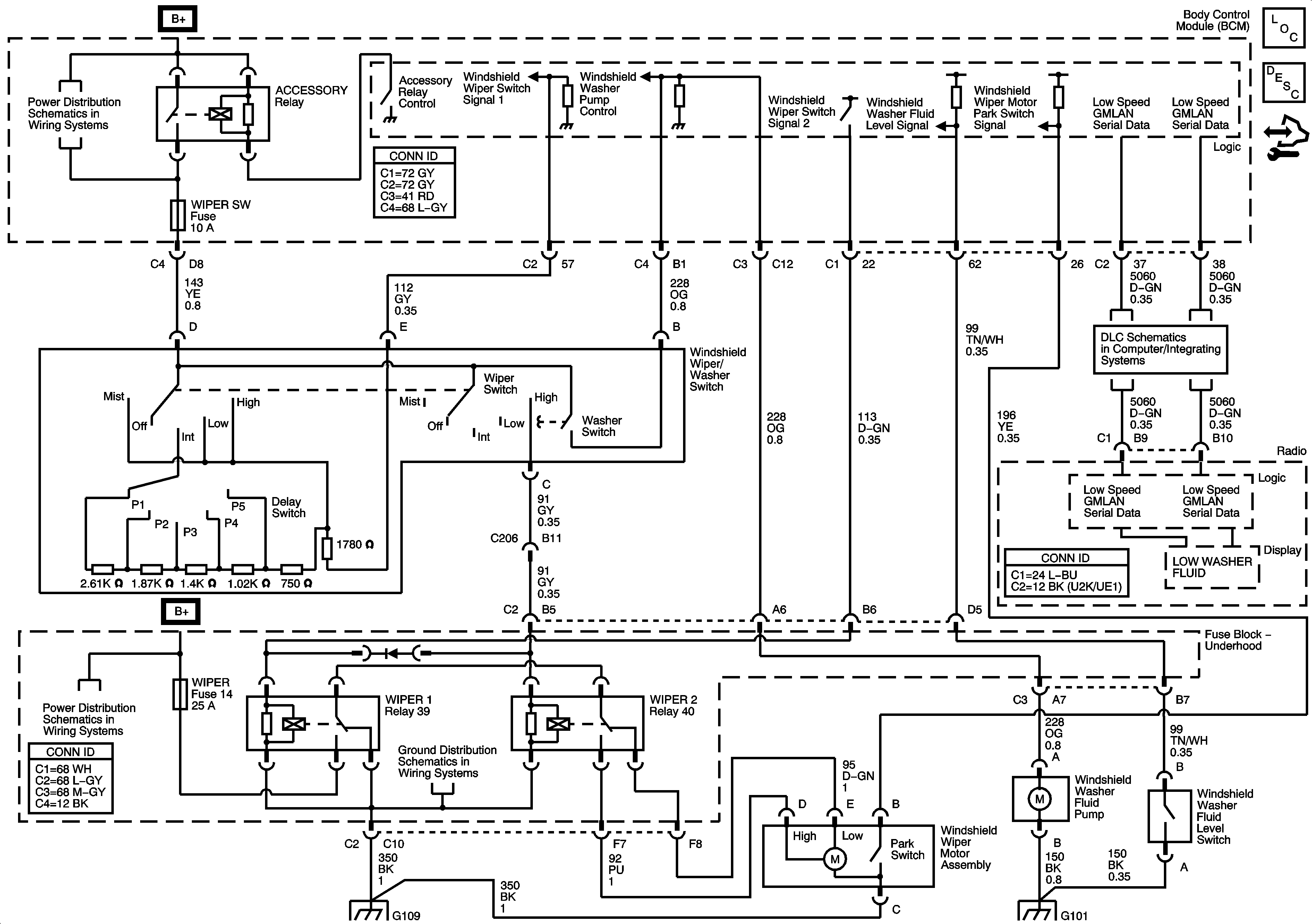
🢒 Wiper/Washer Schematics
Master Electrical Component List
Wiper/Washer System Description and Operation
Control Module References
Underhood Fuse Block IBCM 2, Body Control Module (BCM) EBCM (PWR), Power Windows, WIPER SW and ROOF/HEAT SEAT Fuses
Low Speed Serial Data
Underhood Fuse Block B+ Bus
G109
G101 and G102