GM Service Manual Online
For 1990-2009 cars only
Makes
🢒
Generic
🢒
2005
🢒
Unit Repair
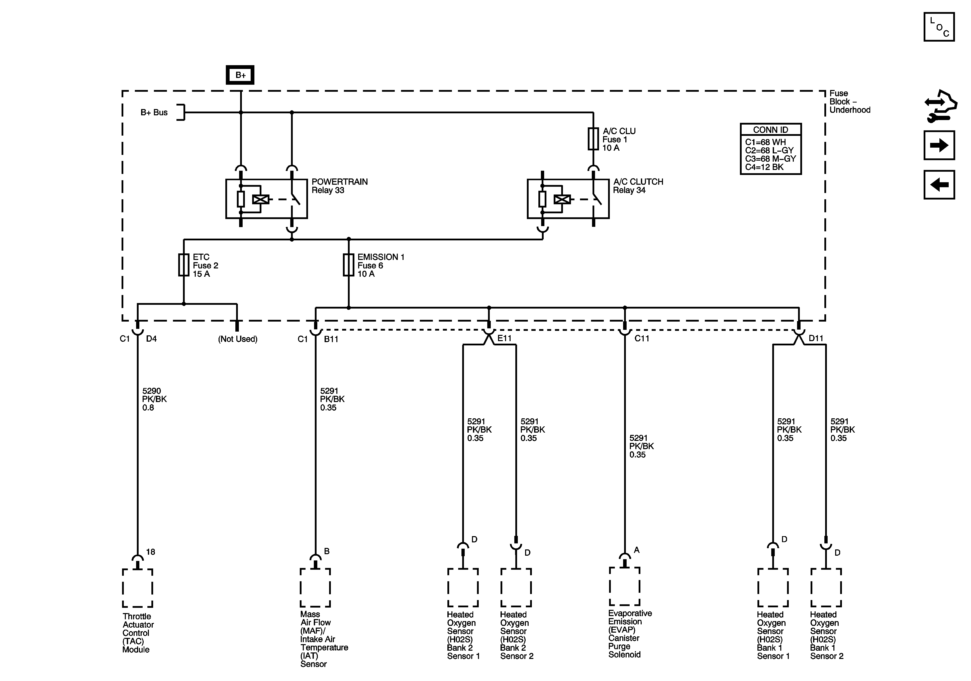
🢒 Underhood Fuse Block ETC, EMISSION 1 and A/C CLU Fuses
Underhood Fuse Block ETC, EMISSION 1 and A/C CLU Fuses
Underhood Fuse Block ETC, EMISSION 1 and A/C CLU Fuses
Master Electrical Component List
Control Module References
Underhood Fuse Block IBCM 2, Body Control Module (BCM) EBCM (PWR), Power Windows, WIPER SW and ROOF/HEAT SEAT Fuses
Underhood Fuse Block IBCM (R/C), TRANS, INJ, ABS, PCM and IGN 1 Fuses
Underhood Fuse Block B+ Bus