GM Service Manual Online
For 1990-2009 cars only

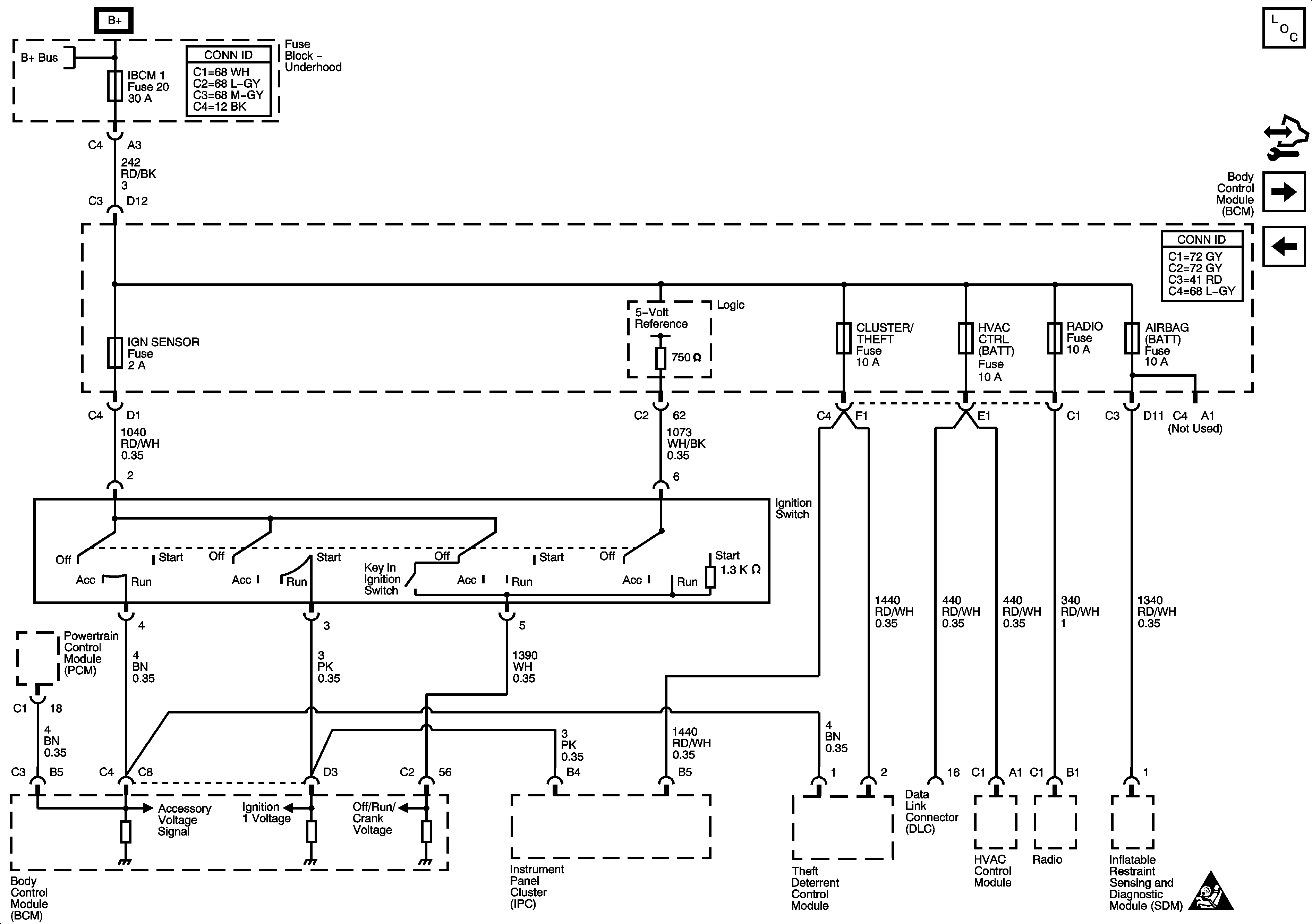
Underhood Fuse Block IBCM 1, Body Control Module (BCM) RADIO, IGN SENSOR, HVAC HEAD/ECC, CLUSTER/THEFT and AIR BAG BATT Fuses

Underhood Fuse Block IBCM 1, Body Control Module (BCM) RADIO, IGN SENSOR, HVAC HEAD/ECC, CLUSTER/THEFT and AIR BAG BATT Fuses


Object Number: 1408497  Size: FS
Master Electrical Component List
Control Module References
Underhood Fuse Block RBEC 1 Fuse and Rear Fuse Block CIG/AUX, SUN RF, RKE/XM, STOP LP, BACK UP LP, RR DEFOG, HTD MIR and HTD ST Fuses
Underhood Fuse Block B+ Bus
Underhood Fuse Block B+ Bus
SIR Caution for Zoning