GM Service Manual Online
For 1990-2009 cars only
Makes
🢒
Generic
🢒
2005
🢒
Unit Repair
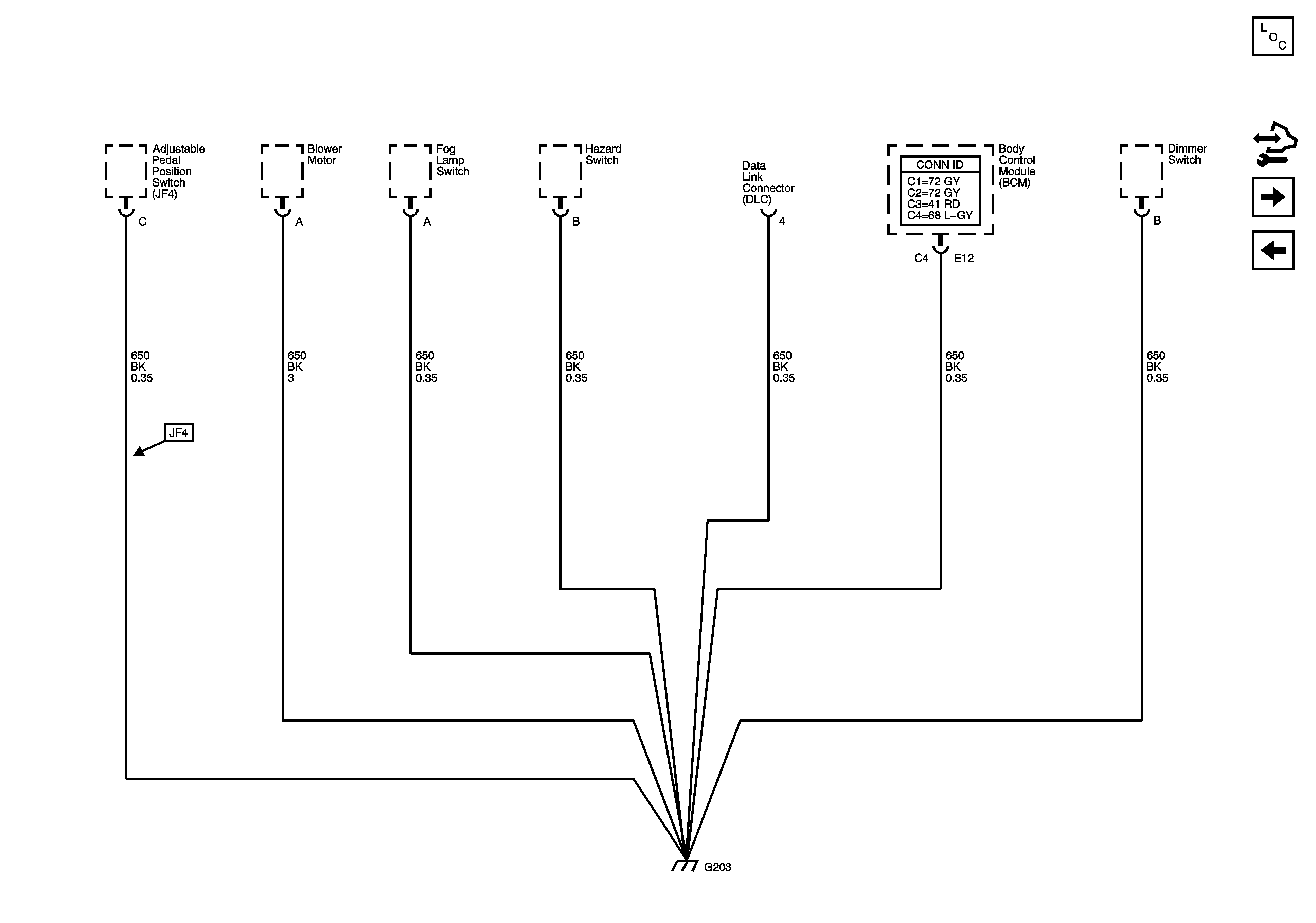
🢒 G203
G203
G203
Master Electrical Component List
Control Module References
G301
G201