GM Service Manual Online
For 1990-2009 cars only

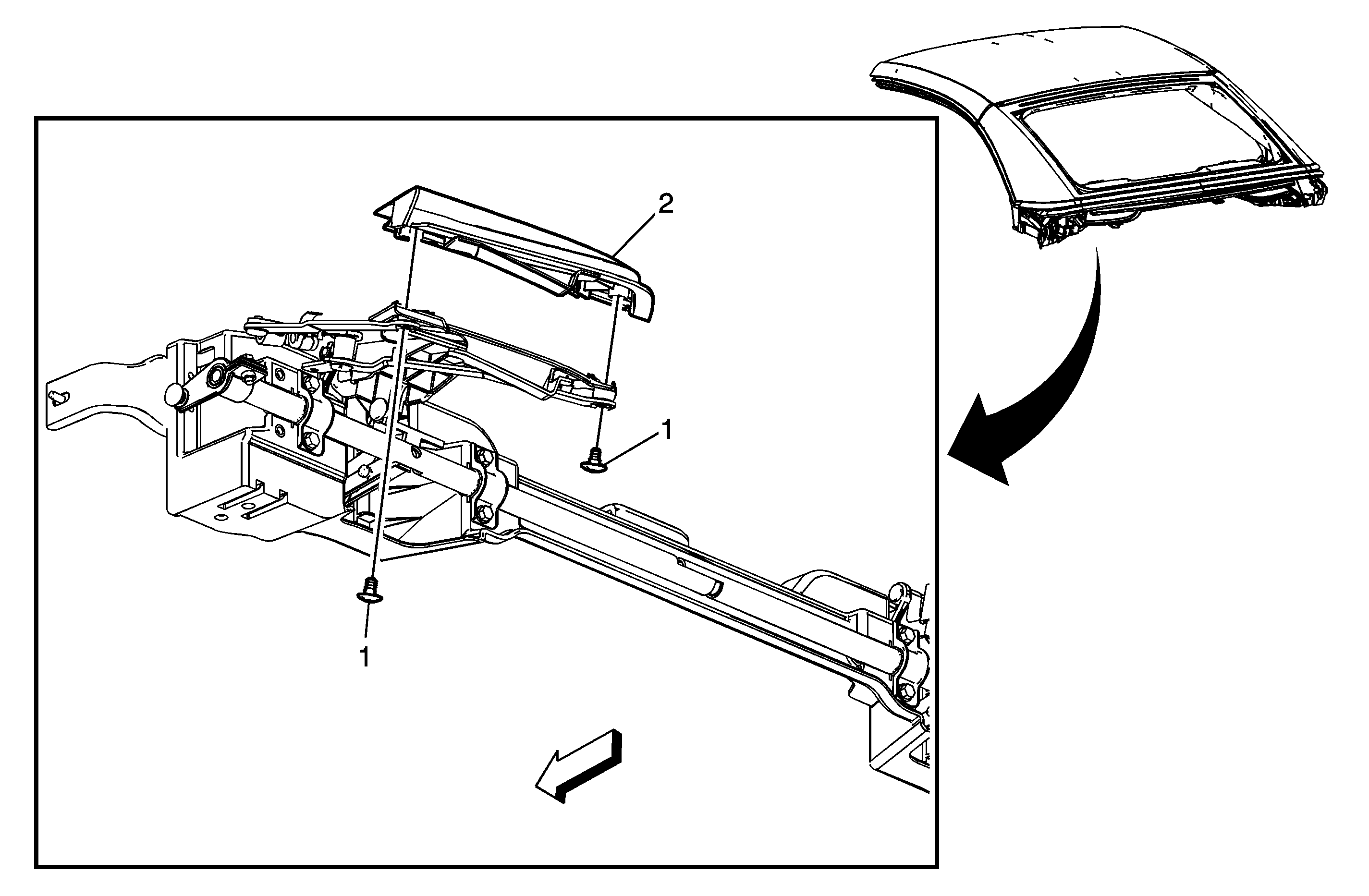
Object Number: 1699757  Size: MF

Callout

Component Name

Notice: Refer to Fastener Notice in the Preface section.

Fastener Tightening Specifications: Refer to Fastener Tightening Specifications .

Preliminary Procedures

  1. Place folding top in up position.
  2. Open rear compartment.
  3. Remove folding top stowage panel. Refer to Folding Top Stowage Compartment Rear Panel Replacement .

1

Rear Folding Top Stowage Compartment Panel Trim Screw (Qty: 4)

Tighten
9 N·m (80 lb in)

2

Rear Folding Top Stowage Compartment Panel Trim Assembly (Qty: 2)