GM Service Manual Online
For 1990-2009 cars only

CAMPAIGN: REAR DOOR LATCH

SUBJECT: REAR DOOR LATCH

U.S. Campaign Number Cross Reference: 95-C-66

Models: 1995 Chevrolet/Geo Metro and Pontiac Firefly 4-Door Sedan

TO: ALL GENERAL MOTORS DEALERS

General Motors of Canada Limited has determined that CERTAIN 1995 Chevrolet/Geo Metro and Pontiac Firefly 4-Door Sedan model vehicles built with manual door locks, may experience an inoperative rear door lock This condition is caused by the deformation of the internal door latch lever.

To prevent the possibility of this condition from occurring, dealers are to install a new reinforcing brace to support the latch lever and eliminate deflection.

VEHICLES INVOLVED:

Involved are CERTAIN 1995 Chevrolet/Geo Metro and Pontiac Firefly 4-Door Sedan model vehicles built within the following VIN breakpoints:

Year Model Plant Plant Code From Through ---- ----- ----- ---------- ---- -------

1995 Chevrolet/Geo Metro Ingersoll 6 S6700175 S6793041 1995 Pontiac Firefly Ingersoll 6 S6700234 S6793033

NOTE: PLEASE CHECK DCS SCREEN 45 OR YOUR V.I.N. LISTING BEFORE PERFORMING CAMPAIGN TO ENSURE THAT THE VEHICLE IS AFFECTED. ONLY AFFECTED VIN'S WILL BE PAID.

All affected vehicles have been identified by the VIN listing provided to involved dealers with this bulletin. Any dealer not receiving a listing was not shipped any of the affected vehicles.

DEALER CAMPAIGN RESPONSIBILITY:

All unsold new vehicles in dealer's possession and subject to this campaign must be held and inspected/repaired per the Service Procedure of this Campaign Bulletin before owners take possession of these vehicles.

Dealers are to perform this campaign on all involved vehicles at no charge to owners, regardless of kilometres traveled, age of vehicle, or ownership, from this time forward.

Owners of vehicles recently sold from your new vehicle inventory with no owner information indicated on the dealer listing, are to be contacted by the dealer, and arrangements made to make the required correction according to instructions contained in this bulletin. This could be done by mailing to such owners a copy of the owner letter accompanying this bulletin. Campaign follow- up cards should not be used for this purpose, since the owner may not as yet have received the notification letter.

In summary, whenever a vehicle subject to this campaign is taken into your new or used vehicle inventory, or is in your dealership for service in the future, please take the steps necessary to be sure the campaign correction has been made before selling or releasing the vehicle.

CAMPAIGN PROCEDURE:

Refer to Section 4 of the Service Policies and Procedures Manual for the detailed procedure on handling Product Campaigns. Dealers are requested to complete the campaign on all transfers as soon as possible.

OWNER NOTIFICATION:

All owners of record at the time of campaign release are shown on the attached, computer listing and have been notified by first class mail from General Motors (see copy of owner letter included with this bulletin). The listings provided are for campaign activity only and should not be used for any other purpose.

PARTS INFORMATION:

Parts required to complete this campaign should be ordered through regular channels, as follows:

Part Number Description Quantity/Vehicle ----------- ----------- ---------------- 91173162 Rear Door Latch Reinforcement Kit 1

PARTS AND LABOR CLAIM INFORMATION:

Credit for the campaign work performed will be paid upon receipt of a properly completed campaign claim card or DCS transmission in accordance with the following:

Repair Time Code Description Allowance ------ ----------- --------- 1A Inspect Records for Both Door Latches Previously Installed .3 Under Warranty - Part Number 30018636-8 2A Inspect - Both Doors Have New Latch Previously Installed - .5 No Brace Kit Required 3A Inspect - One Door has New latch Previously Installed - .6 One Door Requires Brace Installation 4A Inspect - Both Doors Requires Brace Installation .8

Time allowance includes 0.1 hour for dealer administrative detail associated with this campaign. Parts credit will be based on dealer net plus 40% to cover parts handling.

SERVICE PROCEDURE:

NOTE: CHECK VEHICLE HISTORY FOR PRIOR WARRANTY REPAIR TO INSTALL LATCHES - 30018636-8. IF THESE LATCHES HAVE BEEN PREVIOUSLY INSTALLED, NOTE THE REPAIR ORDER NUMBER AND DATE AND PROCEED TO STEP 19 AND INSTALL CAMPAIGN LABEL. USE LABOUR OPERATION 1A.

SERVICE TO BE PERFORMED ON BOTH REAR DOORS

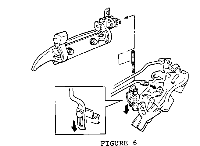
------------------------------------------ 1. Remove rear window regulator handle, door trim panel and water deflector following applicable Service Manual Procedure, Section 10-6,, Rear Door Trim. 2. Inspect to determine if a NEW door latch mechanism, with extended set plate, has already been installed (Figure 1) (repair performed under warranty). A) Proceed to Step #3 if New latch mechanism IS NOT present. B) Proceed to Step #17 if New latch mechanism IS present. 3. Remove rear door handle rod. 4. Remove door handle push rod from rear door handle and remove lock knob by rotating. 5. Remove bushing from outside door handle (Figure 2). 6. Loosen three (3) screws securing door latch. 7. Aligning screw hole in door inner panel and reinforcement brace. Install reinforcement brace between door inner panel and door latch using screw supplied in kit (Figure 3), torque to 2.0-2.5 N.m (1.5-1.8 lb. ft.). Note: Ensure edge of brace is flush with edge of door inner panel (Figure 4). 8. Tighten three (3) screws securing door latch and torque to [6.0 N.m +/- .5 N.m (53 lb. in. +/- 4 lb. in.)]. 9. Install "One Touch Clip" to handle. Note: Ensure opening is directed to the inside of vehicle (Figure 5). 10. Ensure door handle push rod is pushed completely down and door handle is completely closed then install "One Touch Clip" to the push rod (Figure 6). 11. Measure door latch release position according to the following procedure (Figure 7): A) Lock door latch by pushing in its claw with a screwdriver. If a click is heard twice, it is locked securely. B) Apply a scale so that it is at a right angle to door surface and contacts outside handle as shown in Figure 6. C) Operate outside handle until a click is heard, and measure dimension (a) [Spec: 14-18 mm (0.56-0.70 in.)]. 12. If measurement is not within specifications, remove push rod from "One Touch Clip" and adjust accordingly. If measurement is within specification, proceed to Step 13. 13. Install rear door handle rod. 14. Check interior and exterior rear door handle operation with inside door lock UNLOCKED. 15. Check interior and exterior rear door handle operation with inside door lock LOCKED. 16. Apply small amount (1cc) of grease to door latch spring. 17. Install water deflector, interior door trim panel and window regulator handle following applicable Service Manual Procedure, Section 10-6, Rear Door Trim. 18. Perform Steps 1 through 17 on other rear door. 19. Install Campaign Identification Label.

INSTALLATION OF CAMPAIGN IDENTIFICATION LABEL

Clean surface of radiator upper mounting panel and apply a Campaign Identification Label. Make sure the correct campaign number is inserted on the label. This will indicate that the campaign has been completed.

General Motors of Canada Limited

Dear General Motors Customer

General Motors of Canada Limited has determined that CERTAIN 1995 Chevrolet/Geo Metro and Pontiac Firefly 4-Door Sedan model vehicles built with manual door locks, may experience an inoperative rear door lock mechanism during outside rear door handle operation. This condition is caused by the deformation of the internal door latch lever.

To prevent the possibility of this condition from occurring, your GM dealer will install a new reinforcing brace to support the latch lever and eliminate deflection.

This service will be provided for you at no charge.

Please contact your GM dealer as soon as possible to arrange a service date. If parts are required, ask your dealer for details regarding their availability. If parts are not in stock, they can be ordered before scheduling your service date.

This letter identifies your vehicle. Presentation of this letter to your dealer will assist their Service personnel in completing the necessary correction to your vehicle in the shortest possible time.

We are sorry to cause you this inconvenience; however, we have taken this action in the interest of your continued satisfaction with our products.

Customer Support Department General Motors of Canada Limited


Object Number: 85046  Size: FS


Object Number: 90059  Size: SF


Object Number: 91160  Size: MF


Object Number: 95039  Size: MH


Object Number: 92278  Size: MF


Object Number: 90288  Size: MF


Object Number: 87608  Size: MF

General Motors bulletins are intended for use by professional technicians, not a "do-it-yourselfer". They are written to inform those technicians of conditions that may occur on some vehicles, or to provide information that could assist in the proper service of a vehicle. Properly trained technicians have the equipment, tools, safety instructions and know-how to do a job properly and safely. If a condition is described, do not assume that the bulletin applies to your vehicle, or that your vehicle will have that condition. See a General Motors dealer servicing your brand of General Motors vehicle for information on whether your vehicle may benefit from the information.