GM Service Manual Online
For 1990-2009 cars only

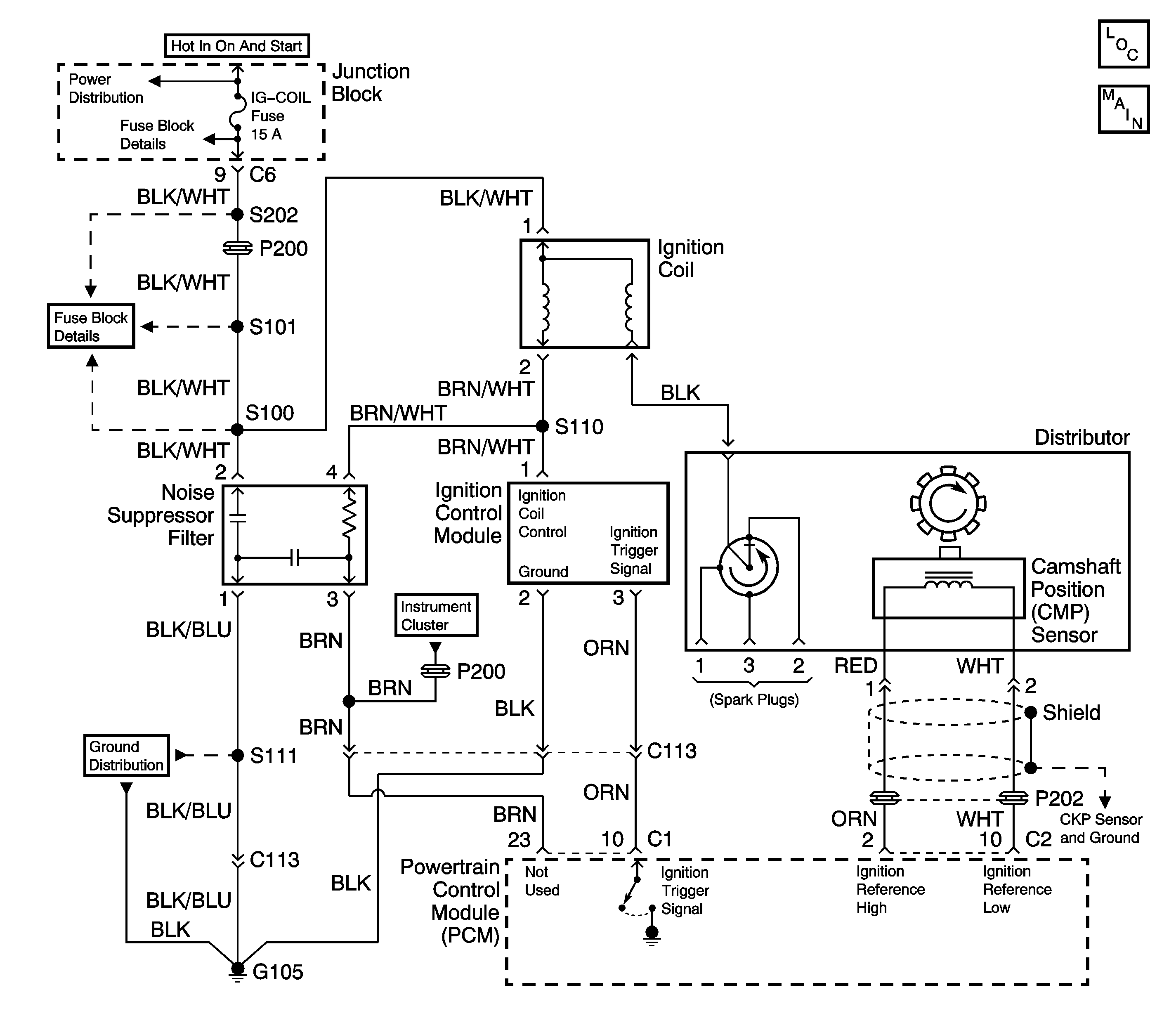
Object Number: 1561612  Size: LF
Engine Controls Schematics

Circuit Description

Battery voltage is applied to the ignition coil when the ignition switch is turned to the ON or START positions. The ignition control module toggles the primary windings of the ignition coil in order to induce a high voltage in the secondary windings of the ignition coil. The powertrain control module (PCM) commands the ignition control module based on numerous inputs including the camshaft position sensor. The high voltage induced in the secondary windings of the ignition coil is applied through the distributor cap and rotor to the spark plugs.

Diagnostic Aids

Check for any of the following conditions:

    • The fuel injectors may spray fuel, but not enough fuel to start the engine. Check the engine coolant temperature (ECT) sensor reading with a scan tool. The indicated temperature should be close to the actual engine temperature in order for the PCM to deliver the correct amount of fuel.
    • Check TP sensor reading with a scan tool. The TP sensor reading should be 7-18% (0.42-1.15 volts) with the throttle closed.
    • Check the battery condition and the engine cranking speed. The engine will not start and improper diagnosis may occur if the starting system is not operating to necessary levels. Refer to Main Relay Circuit Diagnosis.
    • Water or foreign material can cause a no start during freezing weather. The engine may start after 5 or 6 minutes in a heated shop. The malfunction may not recur until parked overnight in freezing temperatures.
    • Low fuel pressure can result in a very lean air/fuel mixture which may be difficult to ignite. Refer to Fuel System Diagnosis
    • Fouled or damaged spark plugs will cause an Engine Cranks But Will Not Run condition. Refer to Spark Plug Visual Diagnosis.
    • A vehicle that starts and runs after being brought to the shop for a Engine Cranks But Will Not Run complaint, may have an ignition system that is susceptible to moisture. Spray water on the ignition system components and wiring in order to check for an engine miss or stall.
    • Check for a malfunctioning main relay. A faulty main relay can cause no MIL and an engine that cranks but will not run. Refer to Main Relay Circuit Diagnosis .
    • Check the fuel injector resistor for faulty electrical connections or high electrical resistance. Normal fuel injector resistor resistance is 1.9-2.8 ohms at 20°C (68°F).
    • Check for a faulty IG fuse.

An intermittent malfunction may be caused by a fault in the ignition system electrical circuit. Inspect the wiring harness and components for any of the following conditions:

    • Backed out terminals.
    • Improper mating of terminals.
    • Broken electrical connector locks.
    • Improperly formed or damaged terminals.
    • Faulty terminal to wiring connections.
    • Physical damage to the wiring harness.
    • Broken conductor inside the wire insulation.
    • Corrosion of electrical connections, splices, or terminals.

Test Description

The numbers below refer to the step numbers in the Diagnostic Table.

  1. The Powertrain OBD System Check prompts the technician to complete some basic checks and stores the freeze frame data on the scan tool if applicable. This creates an electronic copy of the data taken when the fault occurred. The information is then stored in the scan tool for later reference.

  2. This step checks for spark at the spark plugs.

  3. This step checks for faulty secondary ignition wires.

  4. This step checks for proper resistance of the ignition coil.

  5. The test lamp should flash from dim to bright, indicating a good reference pulse to the ignition control module (Igniter).

  6. A test lamp that stayed ON or OFF in step 20 indicates an open or a short in the ignition control module (Igniter) trigger circuit.

  7. This step checks for a faulty noise suppressor filter.

  8. This step checks for a faulty noise suppressor filter.

Step

Action

Value(s)

Yes

No

1

Did you perform the Powertrain On-Board Diagnostic System Check?

--

Go to Step 2

Go to Powertrain On Board Diagnostic (OBD) System Check

2

Check for DTCs with a scan tool.

Is there a DTC P0340 set?

--

Go to DTC P0340 Camshaft Position (CMP) Sensor Circuit

Go to Step 3

3

  1. Disconnect the fuel injector electrical connector.
  2. Disconnect the spark plug wires from the spark plugs.
  3. Install the J 26792 spark tester or an equivalent to the spark plug wires.
  4. Check for spark (at each terminal) while cranking the engine.

Did each spark plug wire have a good crisp blue spark while cranking the engine?

--

Go to Step 4

Go to Step 5

4

  1. Check for fouled spark plugs or incorrectly gapped spark plugs.
  2. Replace or repair as necessary. Refer to Spark Plug Replacement in Engine Electrical.
  3. Attempt to start the engine.

Did the engine start?

--

Go to Step 27

Go to Fuel Injector Circuit Diagnosis

5

Measure the resistance of each spark plug wire and the ignition coil wire.

Is the resistance within the specified values?

3.0k to 6.7k Ohms per ft.

Go to Step 6

Go to Step 25

6

  1. Check the distributor cap and rotor for the following:
  2. • Cracks
    • Corrosion on terminals
    • Water intrusion
  3. Replace as necessary.

Was a repair necessary?

--

Go to Step 27

Go to Step 7

7

  1. Install the J 26792 spark tester to the ignition coil wire.
  2. Check for spark from the ignition coil while cranking the engine.

Does the ignition coil wire have a good crisp blue spark while cranking the engine?

--

Go to Diagnostic Aids

Go to Step 8

8

  1. Turn ON the ignition, leaving the engine OFF.
  2. Measure the voltage from terminal 1 of the ignition coil to ground with a DMM.

Is the voltage near the specified value?

B+

Go to Step 10

Go to Step 9

9

Repair the open to the ignition coil in the ignition feed circuit. Refer to Wiring Repairs in Wiring Systems.

Is the action complete?

--

Go to Step 27

--

10

  1. Disconnect the ignition coil.
  2. Measure the resistance of the ignition coil.
  3. • Primary circuit resistance is within the first specified value.
    • Secondary circuit resistance is within the second specified value.

Was the ignition coil resistance within the specified values?

1.35 to 1.65 ohms at 20°C (68°F)

22.1k to 29.9k ohms at 20°C (68°F)

Go to Step 12

Go to Step 11

11

Replace the ignition coil. Refer to Engine Electrical.

Is the action complete?

--

Go to Step 27

--

12

  1. Reconnect the ignition coil.
  2. Turn ON the ignition, leaving the engine OFF.
  3. Disconnect the ignition control module.
  4. Measure the voltage from terminal 1 of the ignition control module to ground with a DMM.

Is the voltage near the specified value?

B+

Go to Step 14

Go to Step 13

13

  1. Check for an open or a short in the ignition control module ignition feed circuit.
  2. Repair as necessary. Refer to Wiring Repairs in Wiring Systems.

Was a repair necessary?

--

Go to Step 27

Go to Step 19

14

Probe the ground circuit of the ignition control module with a test lamp connected to B+.

Did the test lamp illuminate?

--

Go to Step 16

Go to Step 15

15

Repair the open in the ignition control module ground circuit. Refer to Wiring Repairs in Wiring Systems.

Is the action complete?

--

Go to Step 27

--

16

  1. Probe terminal 3 of the ignition control module with a test lamp connected to B+.
  2. Crank the engine with the test lamp connected.

Does the test lamp flash from dim to bright?

--

Go to Step 18

Go to Step 17

17

  1. Check for an open or a short in the ignition Trigger Signal circuit of the ignition control module.
  2. Repair as necessary. Refer to Wiring Repairs in Wiring Systems.

Was a repair necessary?

--

Go to Step 27

Go to Step 26

18

Replace the ignition control module. Refer to Ignition Coil Module Replacement in Engine Electrical.

Is the action complete?

--

Go to Step 27

--

19

  1. Disconnect the noise suppressor filter.
  2. Check the resistance of the noise suppressor filter between terminals 3 and 4.

Is the resistance near the specified value?

2.2k ohms

Go to Step 20

Go to Step 24

20

Check the resistance between terminals 1 and 2, and between terminals 1 and 3 of the noise suppressor filter.

Are both of the resistance checks at the specified value?

Infinity

Go to Step 21

Go to Step 24

21

  1. Turn ON the ignition, leaving the engine OFF.
  2. Measure the voltage (backprobe) from terminal 2 of the noise suppressor filter to ground with the DMM.
  3. Measure the voltage (backprobe) from terminal 4 of the noise suppressor filter to ground with the DMM.

Are both of the voltage checks near the specified value?

B+

Go to Step 23

Go to Step 22

22

Repair the open in the ignition feed circuit (BLK/WHT wire) or the open in the BRN/WHT wire between the ignition coil and the noise suppressor filter. Refer to Wiring Repairs in Wiring Systems.

Is the action complete?

--

Go to Step 27

--

23

Repair any faulty electrical connections in the ignition system components and recheck for spark.

Is the action complete?

--

Go to Step 27

--

24

Replace the noise suppressor filter.

Is the action complete?

--

Go to Step 27

--

25

Replace any spark plug wires or ignition coil wire that were not within the specified resistance values in step 4.

Is the action complete?

--

Go to Step 27

--

26

Replace the PCM. Refer to Powertrain Control Module Replacement .

Is the action complete?

--

Go to Step 27

--

27

Start the engine and observe the MIL.

Did the engine start and then run with the MIL OFF?

--

System OK

Go to the Applicable Diagnostic Table