GM Service Manual Online
For 1990-2009 cars only
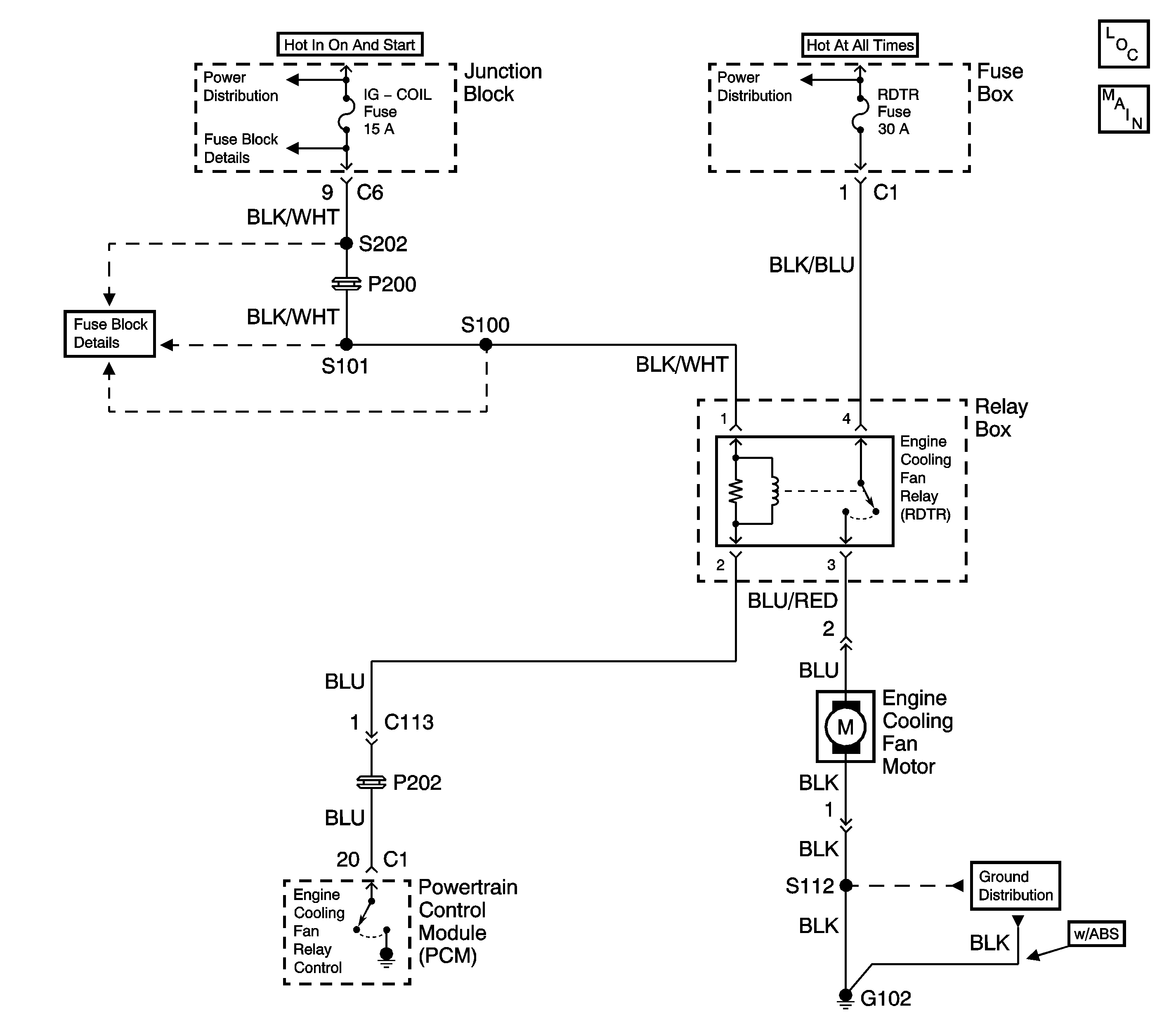
Table 1: Engine Cooling Fan Relay Circuit

Object Number: 1561886  Size: LF
Engine Controls Schematics

Circuit Description

The cooling fan motor is controlled by the powertrain control module (PCM) through the cooling fan relay. The PCM receives engine coolant temperature readings from the engine coolant temperature (ECT) sensor. The PCM relies on the ECT sensor in order to calculate when to turn the cooling fan motor ON and OFF. The PCM provides a ground path for the cooling fan relay control circuit. The PCM turns ON the cooling fan when the engine coolant temperature rises above 97.5°C (208°F). The PCM turns OFF the cooling fan when the engine coolant temperature drops below 92.5°C (199°F).

Conditions for Setting the DTC

    • Low voltage is indicated at the cooling fan relay control terminal.
    • Engine coolant temperature is below 92.5°C (199°F).
    • Condition is present for 5 seconds

Action Taken When the DTC Sets

    • The PCM illuminates the malfunction indicator lamp (MIL) after two consecutive ignition cycles in which the diagnostic runs with the fault active.
    • The PCM records the operating conditions at the time the diagnostic fails. This information is stored in the Freeze Frame buffer.

Conditions for Clearing the MIL/DTC

    • The MIL turns OFF after three consecutively passing trips without a fault present.
    • A History DTC clears after 40 consecutive warm-up cycles without a fault.
    • Use the scan tool Clear DTC Information function or disconnect the PCM battery feed in order to clear the DTC.

Diagnostic Aids

A DTC P0480 condition may be accompanied by an engine overheating concern. An engine overheating concern may be an actual boil over or only the illumination of a warning indicator.

Check for any of the following conditions:

    • A malfunctioning engine temperature gauge or warning lamp may indicate an engine overheating condition when actually there is no boil over occurring. Check the temperature gauge or warning lamp circuits. The engine temperature gauge accuracy may be checked by comparing the ECT sensor reading on a scan tool with the gauge reading.
    • An engine that is actually running hot, almost to overheating, when the cooling fan turns ON may have a shifted (incorrectly of calibrated) ECT sensor. Check the ECT sensor for proper calibration. Refer to Temperature Versus Resistance .
    • An engine that is running hot or overheating when the cooling fan is ON may have a faulty cooling system. Refer to Engine Cooling.
    • Check the resistance of the cooling fan relay. The resistance across terminal 1 and terminal 2 is 79-95 ohms at 20°C (68°F). The resistance across terminal 3 and terminal 4 is infinite.
    • The cooling fan relay's electrical contacts may be pitted or sticking. Replace the cooling fan relay if tapping gently on the relay or wiggling the relay causes a change in the relay's operation.
    • The performance of the cooling fan relay may be affected by temperature. Check the cooling fan relay after sitting outside overnight and after running the engine 30 minutes.

An intermittent malfunction may be caused by a fault in the engine cooling fan electrical circuit. Inspect the wiring harness and components for any of the following conditions:

    • Backed out terminals.
    • Improper mating of terminals.
    • Broken electrical connector locks.
    • Improperly formed or damaged terminals.
    • Faulty terminal to wire connections.
    • Physical damage to the wiring harness.
    • A broken wire inside the insulation.
    • Corrosion of electrical connections, splices, or terminals.

If a DTC P0480 cannot be duplicated, the information included in the Freeze Frame data can be useful in determining vehicle operating conditions when the DTC was first set.

Use the following relay cavity table in order to locate the correct cavities to probe during diagnosis. The table layout corresponds to the cavity layout of the relay block.

Engine Cooling Fan Relay Circuit

Relay Cavity Identification

Switch Power

Switch Load

Coil Power

Coil Ground

Test Description

The numbers below refer to the step numbers in the Diagnostic Table.

  1. The Powertrain OBD System Check prompts the technician to complete some basic checks and store the freeze frame data on the scan tool if applicable. This creates an electronic copy of the data taken when the fault occurred. The information is then stored in the scan tool for later reference.

  2. The cooling fan motor should be OFF when the engine coolant temperature is below the specified value. If the cooling fan runs all the time when the ignition is ON, even though the engine has been OFF for a time, check for a faulty (higher than actual) ECT sensor reading.

  3. The cooling fan motor should turn ON and OFF with the scan tool commands. The scan tool output controls feature will not operate the engine cooling fan when any DTCs are present.

Step

Action

Value(s)

Yes

No

1

Did you perform the Powertrain On-Board Diagnostic System Check?

--

Go to Step 2

Go to Powertrain On Board Diagnostic (OBD) System Check

2

  1. Turn ON the ignition, leaving the engine OFF.
  2. Install a scan tool.
  3. Check that the ECT sensor reading on the scan tool is less than the specified value.

Is the cooling fan OFF when the engine coolant temperature is below the specified value?

90°C (194°F)

Go to Step 3

Go to Step 4

3

  1. Turn ON the ignition, leaving the engine OFF.
  2. Install a scan tool.
  3. Perform the scan tool Clear DTC Information function.
  4. Operate the cooling fan with the scan tool.

Did the cooling fan turn ON and OFF when commanded by the scan tool?

--

Go to Diagnostic Aids

Go to Step 8

4

  1. Check that the ECT is below the specified value.
  2. Disconnect the cooling fan relay.

Is the cooling fan OFF?

90°C (194°F)

Go to Step 5

Go to Step 6

5

Probe the cooling fan relay connector cavity 2 with a test lamp connected to B+. Refer to the Relay Cavity Identification table in Diagnostic Aids.

Did the test lamp illuminate?

--

Go to Step 7

Go to Step 17

6

Repair the short to voltage in the power feed circuit between the cooling fan relay and the cooling fan motor. Refer to Wiring Repairs in Wiring Systems.

Is the action complete?

--

Go to Step 20

--

7

  1. Check for a short to ground in the cooling fan relay control circuit between the PCM and the cooling fan relay.
  2. Repair as necessary. Refer to Wiring Repairs in Wiring Systems.

Was a repair necessary

--

Go to Step 20

Go to Step 18

8

  1. Turn ON the ignition, leaving the engine OFF.
  2. Remove the cooling fan relay.

Probe the cooling fan relay connector cavity 1 with a test lamp to ground. Refer to the Relay Cavity Identification table in Diagnostic Aids.

Did the test lamp illuminate?

--

Go to Step 9

Go to Step 15

9

Probe the cooling fan relay connector cavity 4 with a test lamp to ground.

Did the test lamp illuminate?

--

Go to Step 10

Go to Step 16

10

Connect a fused jumper wire between the cooling fan relay connector cavities 3 and 4.

Is the cooling fan motor ON?

--

Go to Step 11

Go to Step 13

11

  1. Probe the cooling fan relay connector cavity 2 with a test lamp connected to B+.
  2. Turn ON the cooling fan with the scan tool.

Did the test lamp illuminate?

--

Go to Step 17

Go to Step 12

12

  1. Check for a open in the cooling fan relay control circuit between the PCM and the cooling fan relay.
  2. Repair as necessary. Refer to Wiring Repairs in Wiring Systems.

Was a repair necessary?

--

Go to Step 20

Go to Step 18

13

  1. Check for a open in the power feed circuit between the cooling fan relay and the cooling fan motor.
  2. Repair as necessary. Refer to Wiring Repairs in Wiring Systems.

Was a repair necessary?

--

Go to Step 20

Go to Step 14

14

  1. Check for an open or a faulty connection in the ground circuit between the cooling fan motor and G102.
  2. Repair as necessary.

Was a repair necessary?

--

Go to Step 20

Go to Step 19

15

Repair the open in the ignition feed circuit between the cooling fan relay terminal 1 and the junction block. Refer to Wiring Repairs in Wiring Systems.

Is the action complete?

--

Go to Step 20

--

16

Repair the open in the battery feed circuit between the cooling fan relay terminal 4 and the fuse box.

Is the action complete?

--

Go to Step 20

--

17

Replace the cooling fan relay. Refer to Engine Cooling Fan Relay Replacement.

Is the action complete?

--

Go to Step 20

--

18

Replace the PCM. Refer to Powertrain Control Module Replacement .

Is the action complete?

--

Go to Step 20

--

19

Replace the cooling fan motor. Refer to Cooling Fan Replacement in Engine Cooling.

Is the action complete?

--

Go to Step 20

--

20

  1. Clear the scan tool information and road test the vehicle within the Freeze Frame conditions that set the DTC.
  2. Review the scan tool data and check for DTCs. The repair is complete if no DTCs are stored.

Are any DTCs displayed on the scan tool?

--

Go to the Applicable DTC Table

System OK