GM Service Manual Online
For 1990-2009 cars only
Figure 1:

Cell 21: Power and Ground


Object Number: 278544  Size: FS
Figure 2:

Cell 21: MIL and DLC


Object Number: 278546  Size: FS
Figure 3:

Cell 21: Ignition System


Object Number: 278548  Size: FS
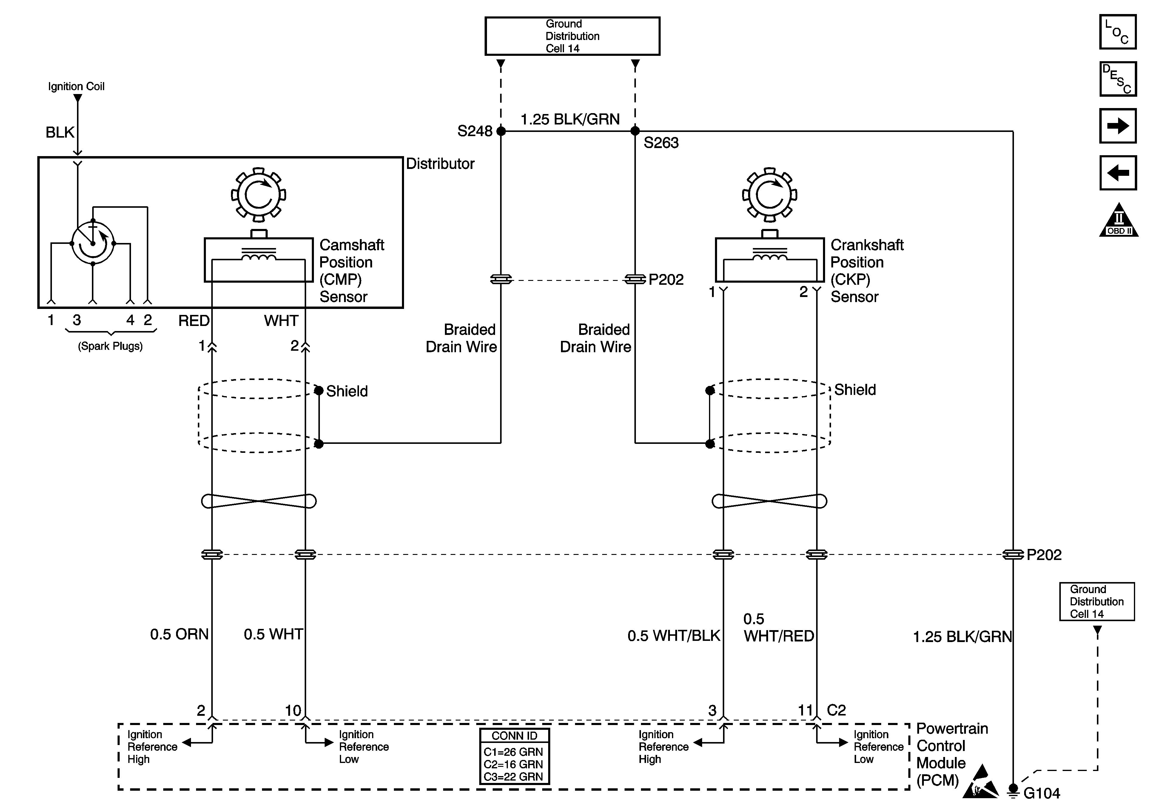
Figure 4:

Cell 20: CMP Sensor and CKP Sensor


Object Number: 1560919  Size: FP
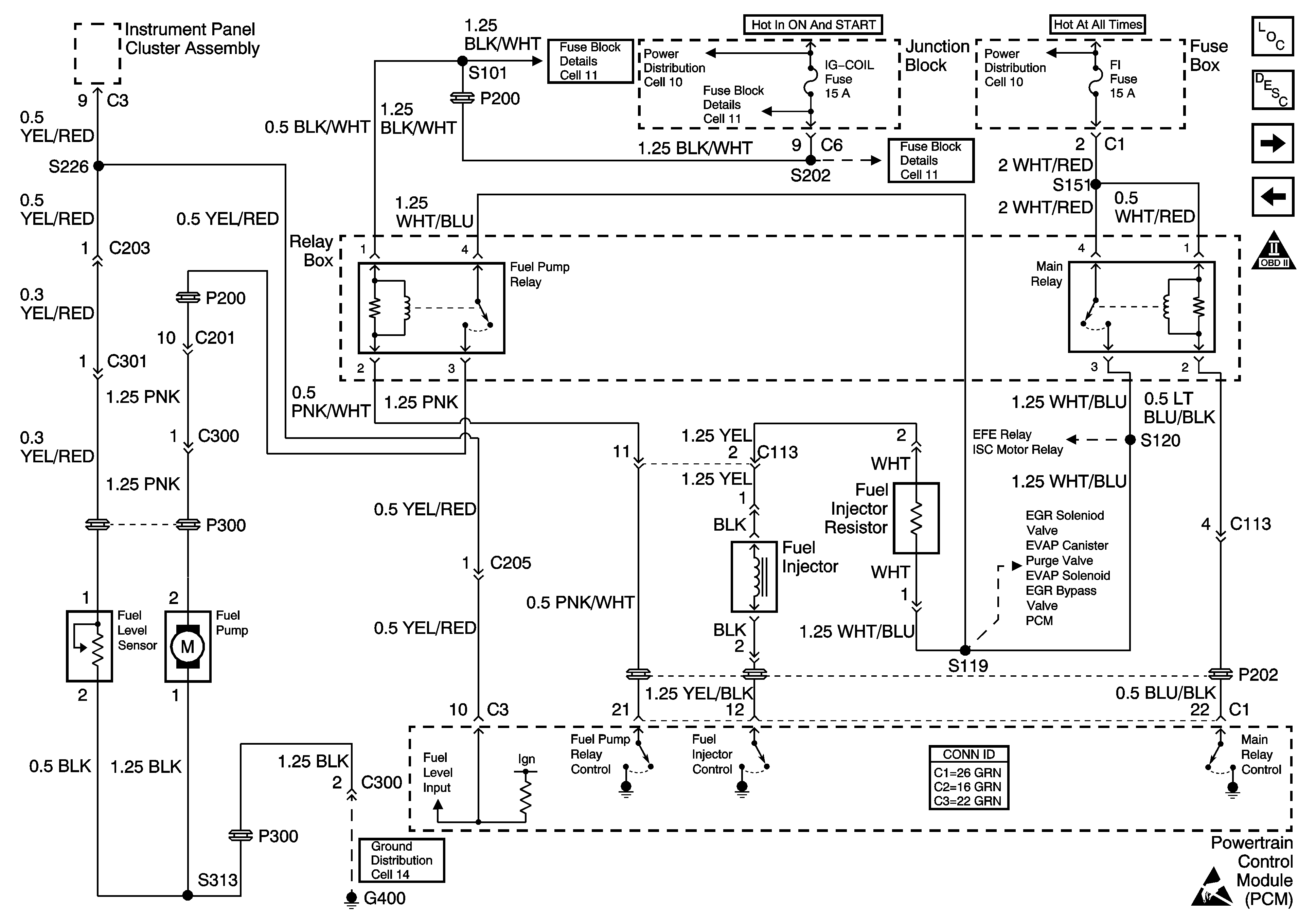
Figure 5:

Cell 20: Fuel Controls


Object Number: 1560913  Size: FP
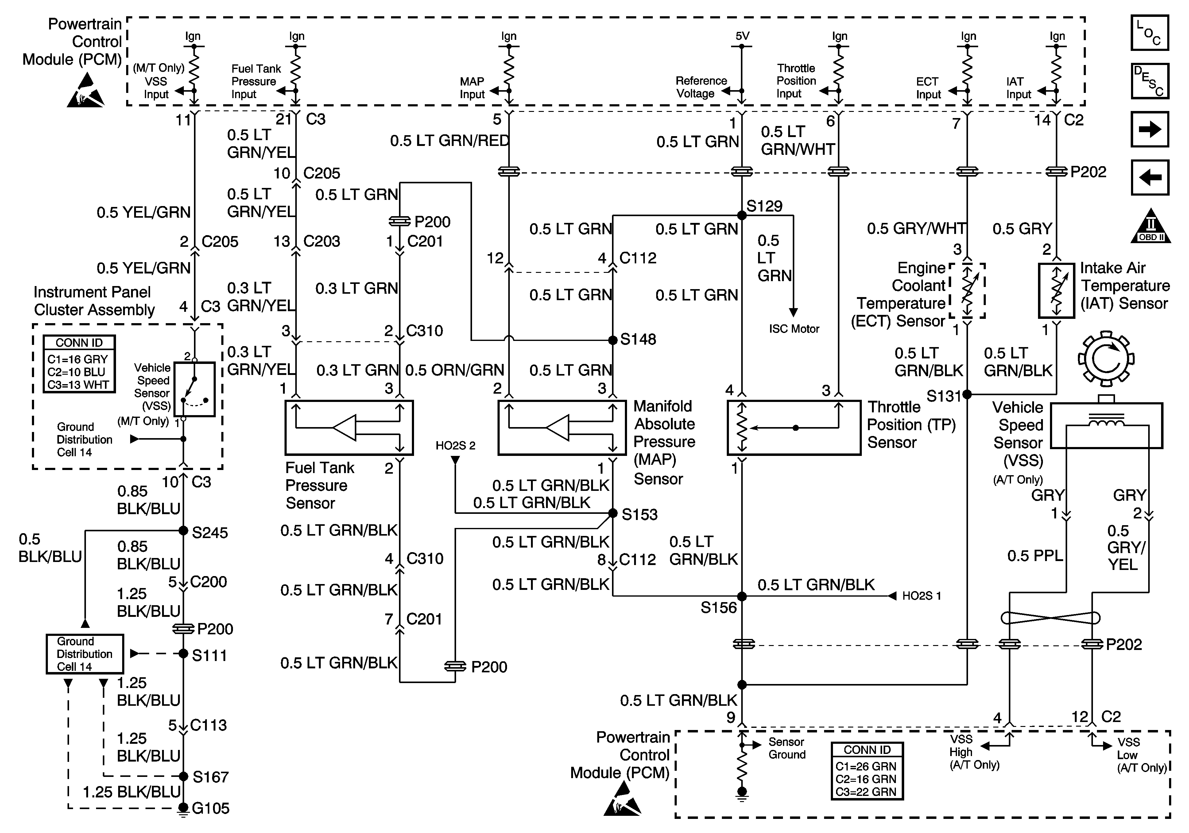
Figure 6:

Cell 20: Engine Data Sensors


Object Number: 1560918  Size: FP
Figure 7:

Cell 21: HO2S Sensors


Object Number: 278555  Size: FS
Figure 8:

Cell 21: Idle Air Control


Object Number: 278558  Size: FS
Figure 9:

Cell 21: Idle-Up Signals


Object Number: 278559  Size: FS
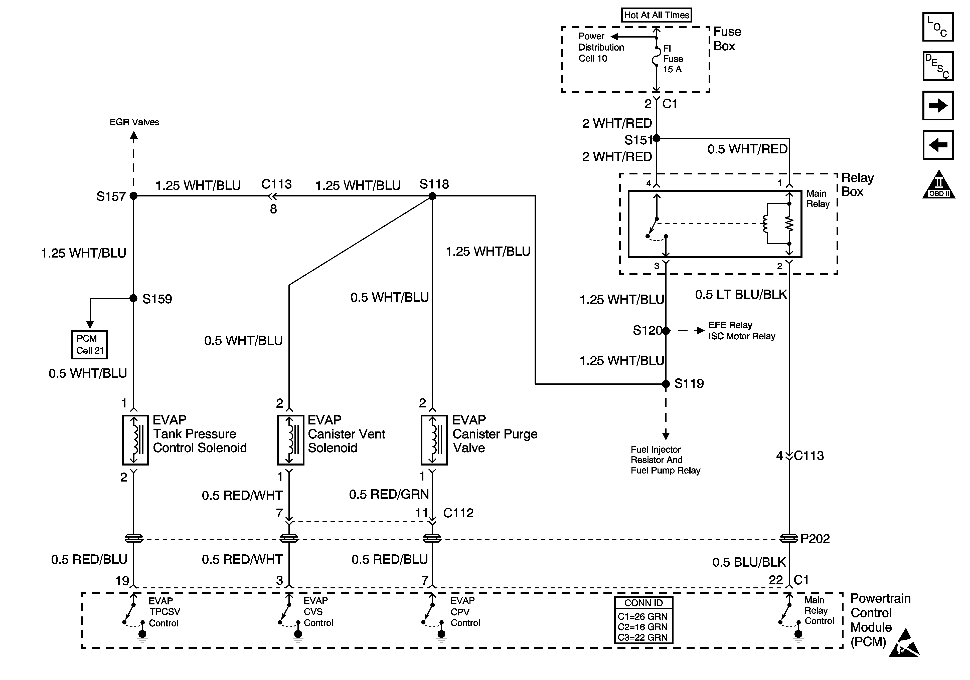
Figure 10:

Cell 20: EVAP Controls


Object Number: 1560908  Size: FP
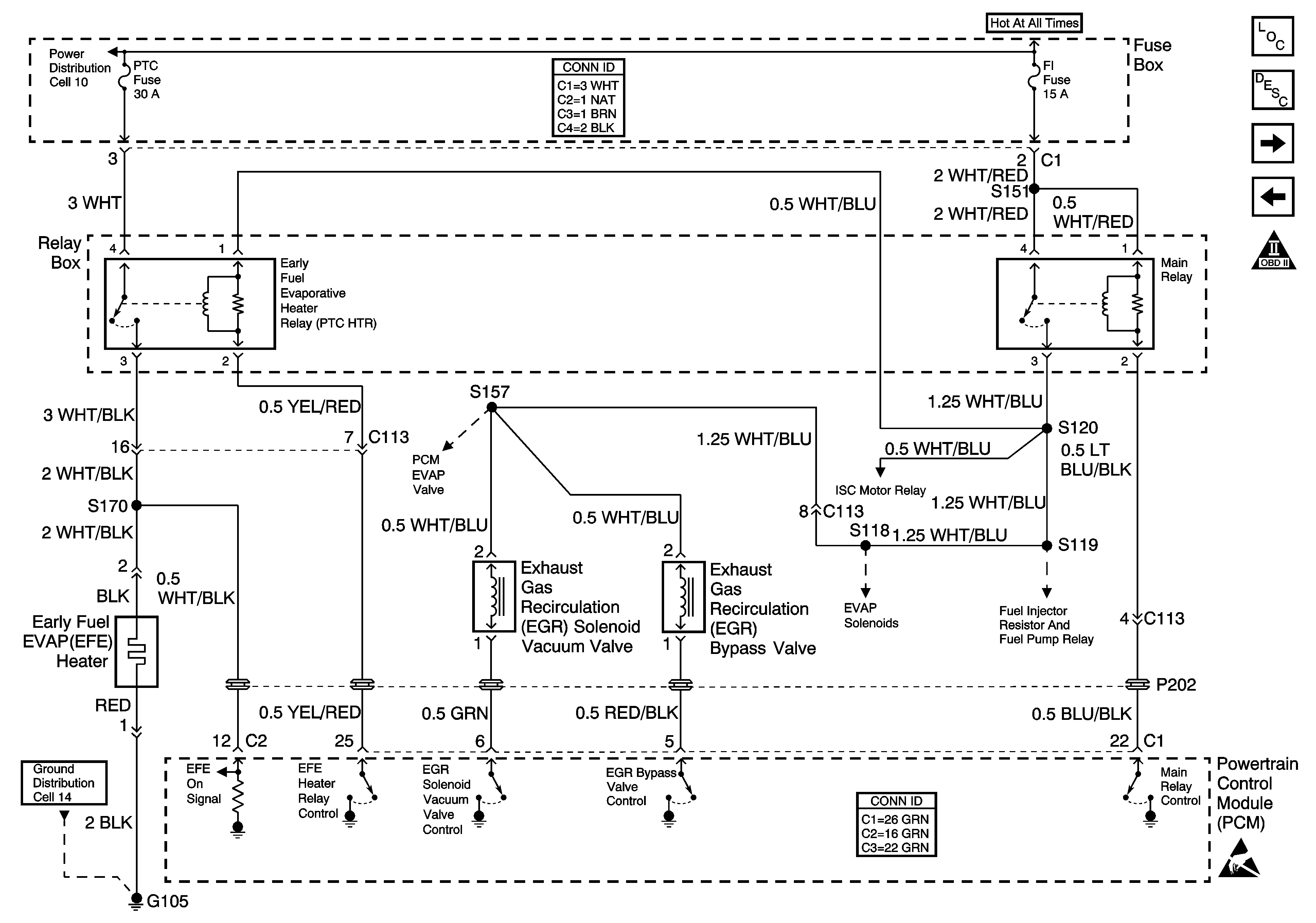
Figure 11:

Cell 20: EGR Controls and EFE Heater


Object Number: 1560897  Size: FS
Figure 12:

Cell 20: A/T Controls


Object Number: 1560916  Size: FP
Figure 13:

Cell 21: CPP Switch/TR Switch


Object Number: 278549  Size: FS
Figure 14:

Cell 21: Cooling Fan Controls and A/C Controls


Object Number: 278543  Size: FS