GM Service Manual Online
For 1990-2009 cars only
Makes
🢒
Geo
🢒
1996
🢒
Prizm
🢒
Transmission/Transaxle
🢒
Automatic Transmission - 4 Speed-MS7
🢒 Automatic Transmission Controls Schematics
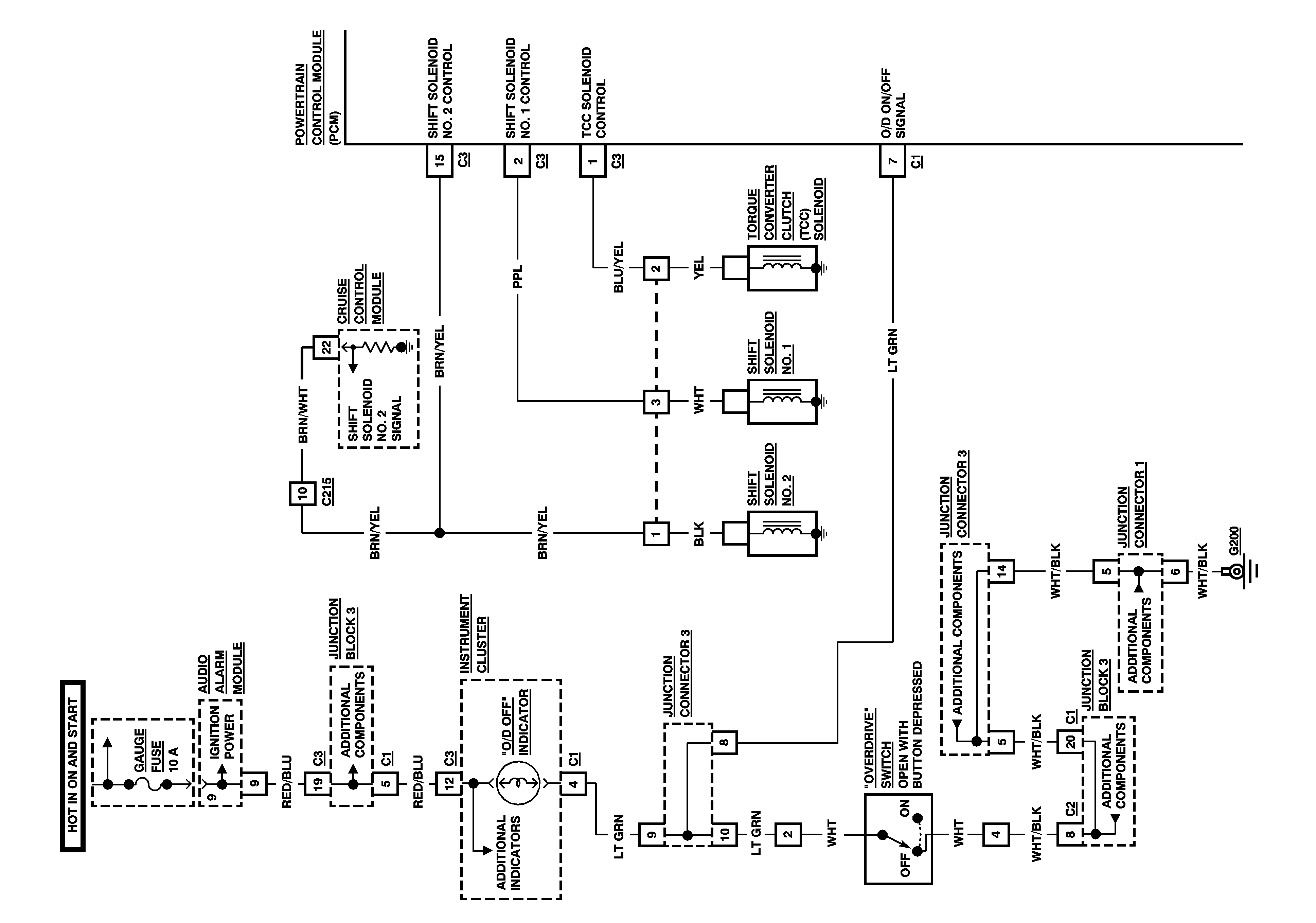
Figure
1:
PCM Wiring Diagrams (1 of 2)
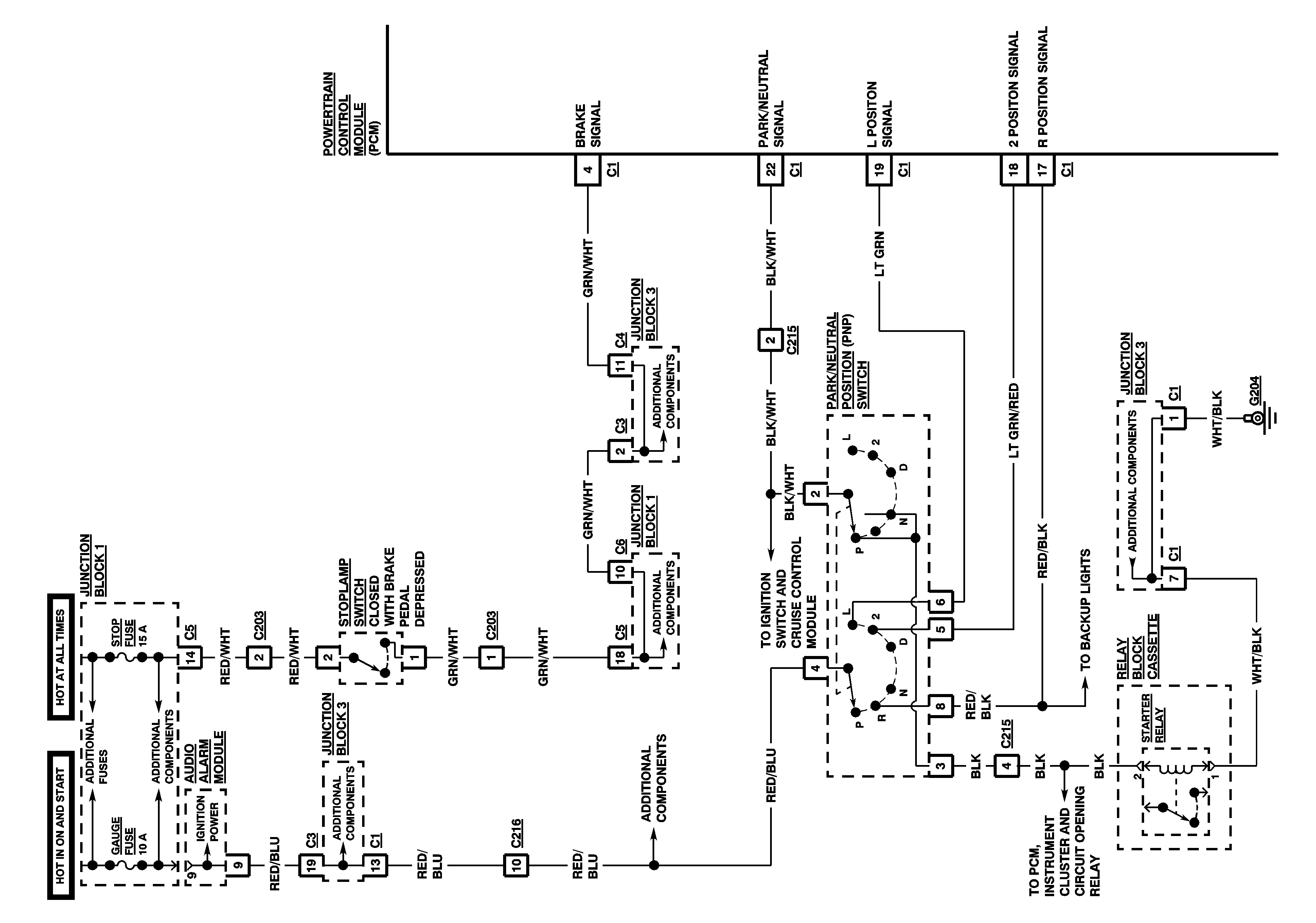
Figure
2:
PCM Wiring Diagrams (2 of 2)