GM Service Manual Online
For 1990-2009 cars only

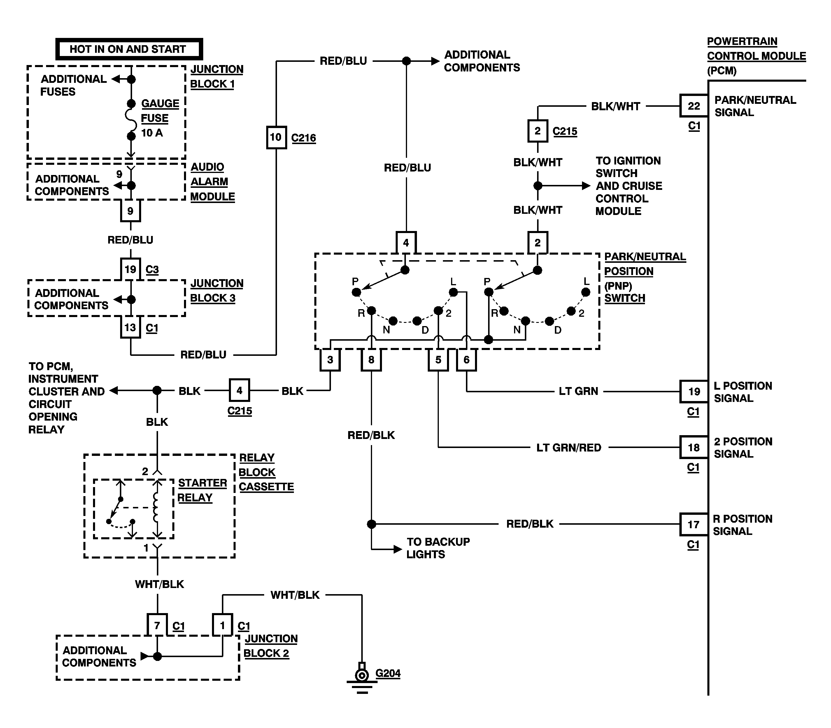
Object Number: 1564757  Size: LF
Automatic Transmission Controls Schematics

Circuit Description

The Powertrain Control Module (PCM) determines when the vehicle is in Park or Neutral gear position through the Park/Neutral Position (PNP) switch. The BLK/RED wire to the PCM is grounded by the PNP switch when the transmission manual selector is in either Park or Neutral gear position.

Conditions for Setting the DTC

    • Engine speed changed from below 300 RPM to over 500 RPM when the vehicle speed is 0 km/h (0 mph) and the PNP switch is open (R, D, 2 or L gear positions).
    • The PNP switch closed (P or N gear position) is detected for 10 seconds while the engine is running at over 2500 RPM and with more than 38.5 percent calculated load value.

Action Taken When the DTC Sets

The Malfunction Indicator Lamp (MIL) will illuminate with the fault active.

Conditions for Clearing the DTC

    • The MIL will turn OFF after 3 consecutive drive cycles without a fault present.
    • DTC will clear after 40 consecutive warm-up cycles without a fault.
    • DTC can be cleared by using a scan tool or by disconnecting the PCM battery feed.

Diagnostic Aids

Inspect for the following conditions:

    • The PNP switch, for proper operation
    • Poor connection at the PCM connector C1, the PNP switch connector, and at connectors C215 and C216. Inspect the harness connectors for backed out terminals, improper mating, broken locks, improperly formed or damaged terminals, and poor terminal-to-wire connection.
    • Damaged harness. Inspect the wiring harness for damage.
    • If DTC P1780 cannot be duplicated, the information included in the freeze frame data can be useful in determining vehicle operating conditions since the DTC was last set. This may assist in determining how often the DTC sets.

DTC Confirmation Procedure

The DTC Confirmation Procedure outline is here as follows:

  1. Turn the ignition switch to LOCK.
  2. Connect the scan tool to Data Link Connector (DLC).
  3. Start engine and warm up to normal operating temperature.
  4. Use a scan tool in order to clear the following items from the PCM memory:
  5. • The DTC
    • The pending DTC
    • Freeze frame data
  6. Drive the vehicle to 43 km/h (27 mph) in Drive range for 10 seconds.
  7. Accelerate the vehicle to 85 km/h (53 mph) in Drive range for 10 seconds.
  8. Stop the vehicle.
  9. Use the scan tool in order to inspect for DTC P1780.

Test Description

The number(s) below refer to the step number(s) on the diagnostic table.

  1. The Powertrain OBD System Check prompts the technician to complete some basic checks and store the freeze frame data on the scan tool if applicable. This creates an electronic copy of the data taken when the fault occurred. The information is then stored in the scan tool for later reference.

  2. This step checks the L position signal circuit.

  3. This step checks the N and the P position signal circuit.

  4. This step checks the P position signal circuit.

  5. This step checks the R position signal circuit.

  6. This step checks for poor terminal contact at the PCM.

  7. This step checks for a faulty PCM.

  8. This step checks for a short to voltage in the L position.

  9. This step checks for a short to ground in the L position.

  10. This step checks for an open in the L position.

  11. This step checks for an open in the RED/BLU wire.

  12. This step checks for a short to voltage in the N and P positions.

  13. This step checks for a short to ground in N and P positions.

  14. This step checks for an open in N and P positions.

  15. This step checks for a short to voltage in the 2 position.

  16. This step checks for a short to ground in the 2 position.

  17. This step checks for an open in the 2 position.

  18. This step checks for a short to voltage in R position.

  19. This step checks for a short to ground in R position.

  20. This step checks for an open in R position.

Step

Action

Value(s)

Yes

No

1

Was the On-Board Diagnostic (OBD) System Check performed?

--

Go to Step 2

Go to Powertrain On Board Diagnostic (OBD) System Check in Engine Controls

2

  1. Install a scan tool.
  2. Turn the ignition to ON, leaving the engine OFF.
  3. Perform the scan tool Clear DTC Information function.
  4. Operate the vehicle within the Freeze Frame conditions as observed.

Does the scan tool display any other DTCs in addition to DTC P1780?

--

Go to the applicable DTC table

Go to Step 3

3

  1. Turn the ignition switch to LOCK.
  2. Disconnect PCM connector C1.
  3. Turn ignition switch to ON.
  4. Using J 39200 measure voltage between ground and PCM harness connector C1, terminal 19 while shifting the manual selector from Park to Low gear.

Is the voltage within the range specified?

10-14 V in Low gear

0-2 V in all other gears

Go to Step 5

Go to Step 10

4

Using J 39200 measure voltage between ground and the PCM harness connector C1, terminal 22 while shifting the manual selector from Low to Neutral gear and Park gear.

Is the voltage within the range specified?

10-14 V in Neutral and Park gears

Go to Step 5

Go to Step 13

5

Using J 39200 measure the voltage between ground and the PCM harness connector C1, terminal 18 while shifting the manual selector from Park to Second gear.

Is the voltage within the range specified?

10-14 V in Second gear

Go to Step 6

Go to Step 16

6

Using J 39200 measure the voltage between ground and the PCM harness connector  C1, terminal 17 while shifting the manual selector from Second to Reverse gear.

Is the voltage within the range specified?

10-14 V in Reverse gear

Go to Step 7

Go to Step 19

7

Inspect the PCM harness connector C1 for poor terminal contact.

Is poor terminal evident?

--

Go to Step 23

Go to Step 8

8

  1. Shift the manual selector to Park gear.
  2. Turn the ignition switch to LOCK.
  3. Install a good known PCM.
  4. Perform the DTC Confirmation Procedure.

Does the DTC reset?

--

Go to Step 24

Go to Step 22

9

  1. Turn the ignition switch to LOCK.
  2. Disconnect the PNP switch electrical connector.
  3. Turn the ignition switch to ON.
  4. Using J 39200 measure the voltage between ground and the PCM harness connector C1, terminal 19.

Is the voltage within the range specified?

1-2V

Go to Step 10

Go to Step 27

10

Using J 39200 measure the resistance between ground and the PCM harness connector C1, terminal 19.

Is the resistance equal to the value specified?

Go to Step 11

Go to Step 28

11

Using J 39200 measure the resistance between PCM harness connector C1, terminal 19 and the PNP switch connector terminal 6 (harness side).

Is the resistance less than the range specified?

2 ohms

Go to Step 12

Go to Step 29

12

Using J 39200 measure the voltage between ground and PNP switch connector terminal 4 (harness side).

Is the voltage within the range specified?

10-14V

Go to Step 25

Go to Step 26

13

  1. Turn ignition switch to LOCK.
  2. Disconnect PNP switch electrical connector.
  3. Turn ignition switch to ON.
  4. Using J 39200 measure voltage between ground and PCM harness connector C1, terminal 22.

Is the voltage within the range specified?

1-2V

Go to Step 14

Go to Step 30

14

Using J 39200 measure the resistance between ground and the PCM harness connector C1, terminal 22.

Is the resistance equal to the specified value?

Go to Step 15

Go to Step 31

15

Using J 39200 measure the resistance between the PCM harness connector C1, terminal 22 and the PNP switch connector terminal 3 (harness side).

Is the voltage equal to the specified value?

2 ohms

Go to Step 12

Go to Step 32

16

  1. Turn the ignition switch to LOCK.
  2. Disconnect the PNP switch electrical connector.
  3. Turn the ignition switch to ON.
  4. Using J 39200 measure the voltage between ground and PCM harness connector C1, terminal 18.

Is the voltage within the range specified?

1-2 V

Go to Step 17

Go to Step 33

17

Using J 39200 measure the resistance between ground and PCM harness connector C1, terminal 18.

Is the resistance equal to the value specified?

Go to Step 18

Go to Step 34

18

Using J 39200 measure the resistance between the PCM harness connector C1, terminal 18 and the PNP switch connector terminal 5 (harness side).

Is the resistance less than the value specified?

2 ohms

Go to Step 12

Go to Step 35

19

  1. Turn the ignition switch to LOCK.
  2. Disconnect the PNP switch electrical connector.
  3. Turn the ignition switch to ON.
  4. Using J 39200 measure the voltage between ground and the PCM harness connector C1, terminal 17.

Is the voltage within the range specified?

1-2 V

Go to Step 20

Go to Step 36

20

Using J 39200 measure the resistance between ground and the PCM harness connector C1, terminal 17

Is the resistance equal to the value specified?

Go to Step 21

Go to Step 37

21

Using J 39200 measure the resistance between the PCM harness connector C1, terminal 17 and the PNP switch connector terminal 8 (harness side).

Is the resistance less than the value specified?

2 ohms

Go to Step 12

Go to Step 38

22

Refer to Diagnostic Aids for a possible intermittent condition. If OK, replace the PCM. Refer to Powertrain Control Module (PCM) Replacement in Engine Controls.

Is the action complete?

--

Go to Step 39

--

23

Repair the terminal that exhibits poor contact.

Is the action complete?

--

Go to Step 39

--

24

Refer to Diagnostic Aids for additional information regarding this DTC.

Is the action complete?

--

Go to Step 39

--

25

  1. Inspect the PNP switch for proper alignment.
  2. If OK, replace the PNP switch.

Is the action complete?

--

Go to Step 39

--

26

Repair the open or high resistance in RED/BLU wire between the PNP switch and GAUGE fuse. Refer to Electrical Diagnosis.

Is the action complete?

--

Go to Step 39

--

27

Repair the short to voltage in LT GRN wire between the PNP switch and the PCM.

Is the action complete?

--

Go to Step 39

--

28

Repair the short to ground in LT GRN wire between the PNP switch and the PCM.

Is the action complete?

--

Go to Step 39

--

29

Repair the open or high resistance in LT GRN wire between the PNP switch and the PCM.

Is the action complete?

--

Go to Step 39

--

30

Repair the short to voltage in BLK/WHT wire between the PNP switch and the PCM.

Is the action complete?

--

Go to Step 39

--

31

Repair the short to ground in BLK/WHT wire between PNP switch and the PCM.

Is the action complete?

--

Go to Step 39

--

32

Repair the open or high resistance in BLK/WHT wire between PNP switch and the PCM.

Is the action complete?

--

Go to Step 39

--

33

Repair the short to voltage in LT GRN/RED wire between the PNP switch and the PCM.

Is the action complete?

--

Go to Step 39

--

34

Repair the short to ground in LT GRN/RED wire between the PNP switch and the PCM.

Is the action complete?

--

Go to Step 39

--

35

Repair the open and high resistance in LT GRN/RED wire between the PNP switch and the PCM.

Is the action complete?

--

Go to Step 39

--

36

Repair the short to voltage in RED/BLK wire between the PNP switch and the PCM.

Is the action complete?

--

Go to Step 39

--

37

Repair the short to ground in RED/BLK wire between the PNP switch and the PCM.

Is the action complete?

--

Go to Step 39

--

38

Repair the open or high resistance in RED/BLK wire between the PNP switch and the PCM.

Is the action complete?

--

Go to Step 39

--

39

  1. Turn the ignition switch to LOCK.
  2. Reconnect the connectors.
  3. Perform the DTC confirmation procedure.

Are any DTCs displayed on the scan tool?

--

Go to Applicable DTC Table

System OK