GM Service Manual Online
For 1990-2009 cars only

Object Number: 1564752  Size: MF
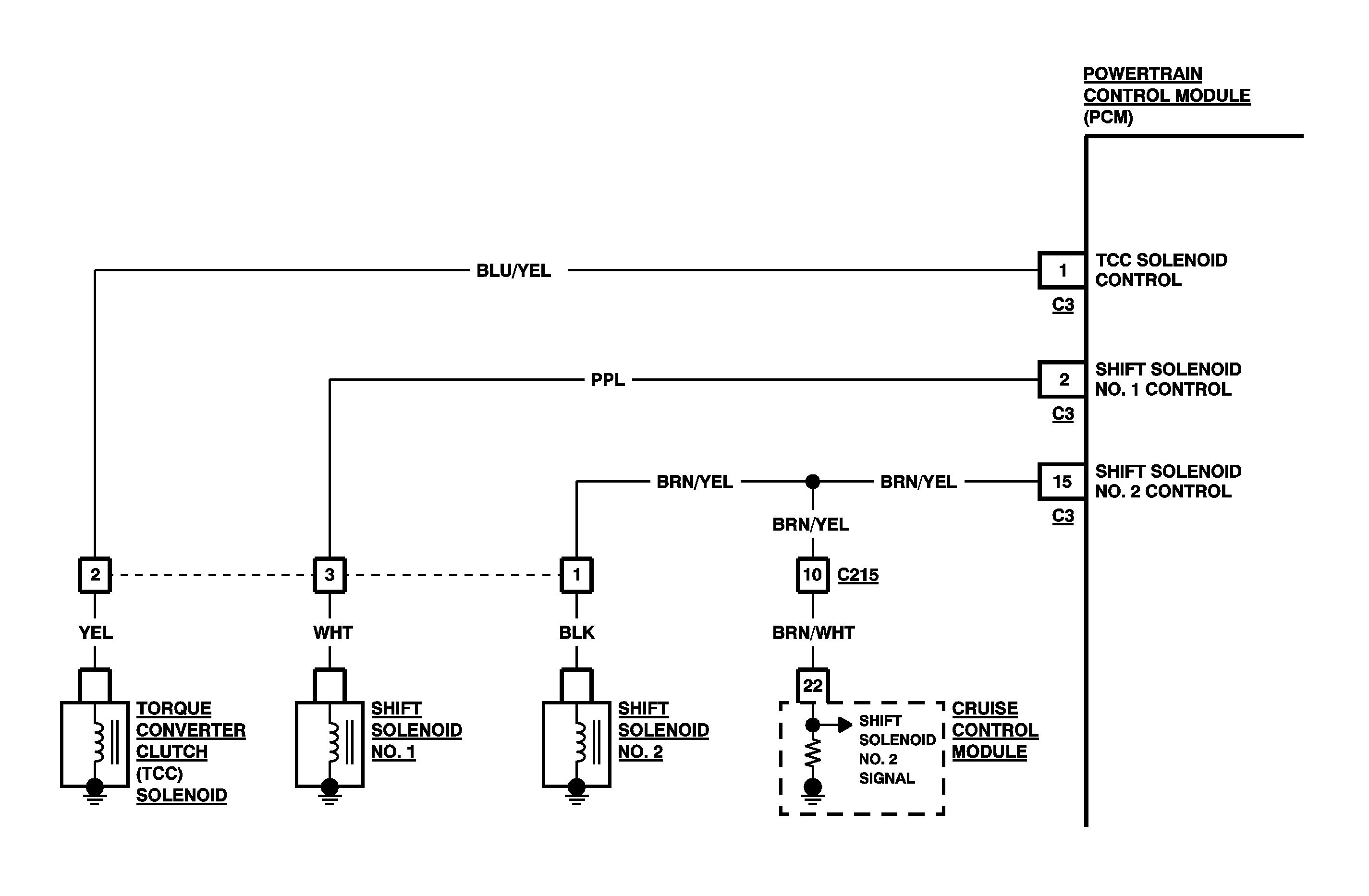
Automatic Transmission Controls Schematics

Circuit Description

Shift solenoid #1 and shift solenoid #2 are used together to electronically control the shifting of the transaxle from 1st gear to 4th gear (overdrive). The Powertrain Control Module (PCM) outputs system voltage to turn ON (energize) or remove voltage to turn OFF (de-energize) either solenoid when it deems necessary. The transaxle shifts with the combination of both solenoids being turned ON and OFF. Shift solenoid #1 is normally ON in 1st and 2nd gears and never ON in 3rd or 4th gears. Shift solenoid #2 is normally ON in 2nd and 3rd gears and never ON in 1st or 4th gears. 4th gear (overdrive) is obtained when both shift solenoids are OFF.

Conditions for Setting the DTC

DTC P0753 will set when the following conditions are met:

    • The PCM checks for an open or a short circuit.
    • One driving cycle detection logic.

Action Taken When the DTC Sets

A DTC P0753 is stored and the Malfunction Indicator Lamp (MIL) is turned ON.

Diagnostic Aids

Inspect for the following conditions:

    • An open or shorted shift solenoid #1
    • Faulty electrical circuits (open or short to ground) between the shift solenoid #1 and the PCM
    • A faulty PCM

An intermittent may be caused by the following conditions:

    • A poor connection
    • Rubbed through wire insulation
    • A broken wire inside the insulation

Inspect the Powertrain Control Module (PCM) harness connectors for the following conditions:

    • Backed out terminals
    • Improper mating
    • Broken locks
    • Improperly formed or damaged terminals
    • Poor terminal-to-wire connections

Perform the following steps if DTC P0753 cannot be duplicated:

  1. Read the information in the freeze frame data.
  2. Use the data to determine the vehicle operating conditions when the DTC was set.

Inspect the wiring. If any wiring repairs are necessary, refer to Repair Procedures in Electrical Diagnosis.

DTC Confirmation Procedure

  1. Turn the ignition switch to LOCK.
  2. Connect the Scan Tool to Data Link Connector (DLC).
  3. Turn the ignition switch to ON.
  4. Use a Scan Tool to clear the following items from the PCM memory:
  5. • The DTC
    • The pending DTC
    • Freeze frame data
  6. Start the engine.
  7. Step firmly on the brake pedal.
  8. Shift the manual selector to Drive (D).
  9. Leave the selector in Drive (D) for 10 seconds.
  10. Accelerate the vehicle in Drive (D).
  11. Keep driving for 10 seconds at 40 km/h (25 mph).
  12. Stop the vehicle.
  13. Use the Scan Tool to inspect for DTC P0753.

Test Description

The number(s) below refer to the step number(s) on the diagnostic table.

  1. The Powertrain OBD System Check prompts the technician to complete some basic checks and store the freeze frame data on the scan tool if applicable. This creates an electronic copy of the data taken when the fault occurred. The information is then stored in the scan tool for later reference.

  2. This step inspects the shift solenoid internal coil resistance.

  3. This step inspects for a short to ground in the shift solenoid #1 control circuit.

  4. This step inspects for an open in the shift solenoid #1 control circuit.

  5. This step inspects the transaxle internal electrical harness for damage.

  6. This step inspects for a short to voltage in the shift solenoid #1 control circuit.

  7. This step inspects for a poor electrical connection that may have caused DTC to set.

  8. This step inspects for a faulty PCM.

Step

Action

Value(s)

Yes

No

1

Was the On-Board Diagnostic (OBD) System Check performed?

--

Go to Step 2

Go to Powertrain On Board Diagnostic (OBD) System Check in Engine Controls

2

  1. Install a scan tool.
  2. Turn the ignition to ON, leaving the engine OFF.
  3. Perform the scan tool Clear DTC Information function.
  4. Operate the vehicle within the Freeze Frame conditions as observed.

Does the scan tool display any other DTCs in addition to DTC P0753?

--

Go to applicable DTC table

Go to Step 3

3

  1. Disconnect the transaxle solenoid connector.
  2. Use the J 39200 in order to measure the resistance between the ground and the PCM harness connector C3 terminal 2.

Is the resistance equal to the specified value?

Go to Step 4

Go to Step 9

4

Use the J 39200 in order to measure the resistance between the PCM harness connector C3 terminal 2.

Is the resistance less than the specified value?

2 ohms

Go to Step 5

Go to Step 10

5

  1. Remove the transaxle oil pan.
  2. Inspect the terminals and internal harness for damage.
  3. If the terminals and the internal harness are not damaged, replace the shift solenoid #1.

Is the action complete?

--

Go to Step 15

--

6

  1. Turn the ignition switch to ON.
  2. Use the J 39200 in order to measure the voltage between the ground and PCM connector C3 terminal 2.

Is the voltage less than the specified value?

2 V

Go to Step 7

Go to Step 11

7

Inspect all of the electrical connections for a poor terminal contact or a poor connection.

Is a poor terminal contact or a poor connection evident?

--

Go to Step 12

Go to Step 8

8

  1. Install a known good PCM. Refer to Powertrain Control Module (PCM) Replacement in Engine Controls.
  2. Perform the DTC Confirmation Procedure.

Does DTC P0753 reset?

--

Go to Step 14

Go to Step 13

9

Repair the short to ground in PPL wire between the PCM and shift solenoid #1.

Is the action complete?

--

Go to Step 15

--

10

Repair the open or high resistance in the PPL between PCM and shift solenoid #1.

Is the action complete?

--

Go to Step 15

--

11

Repair the short to voltage in the PPL wire between the PCM and the shift solenoid #1.

Is the action complete?

--

Go to Step 15

--

12

Repair the terminals or connections that exhibit poor contact.

Is the action complete?

--

Go to Step 15

--

13

Refer to Diagnostic Aids for a possible intermittent condition. If the condition is not intermittent, replace the Powertrain Control Module (PCM). Refer to Powertrain Control Module (PCM) Replacement in Engine Controls.

Is the action complete?

--

Go to Step 15

--

14

Refer to Diagnostic Aids for additional information about DTC P0753.

Is the action complete?

--

Go to Step 15

--

15

Perform the DTC Confirmation Procedure.

Are any DTCs displayed on the Scan Tool?

--

Go to the applicable DTC table

System OK