GM Service Manual Online
For 1990-2009 cars only
Makes
🢒
Geo
🢒
1996
🢒
Tracker - 4WD
🢒
Transmission/Transaxle
🢒
Automatic Transmission - 4 Speed-M41
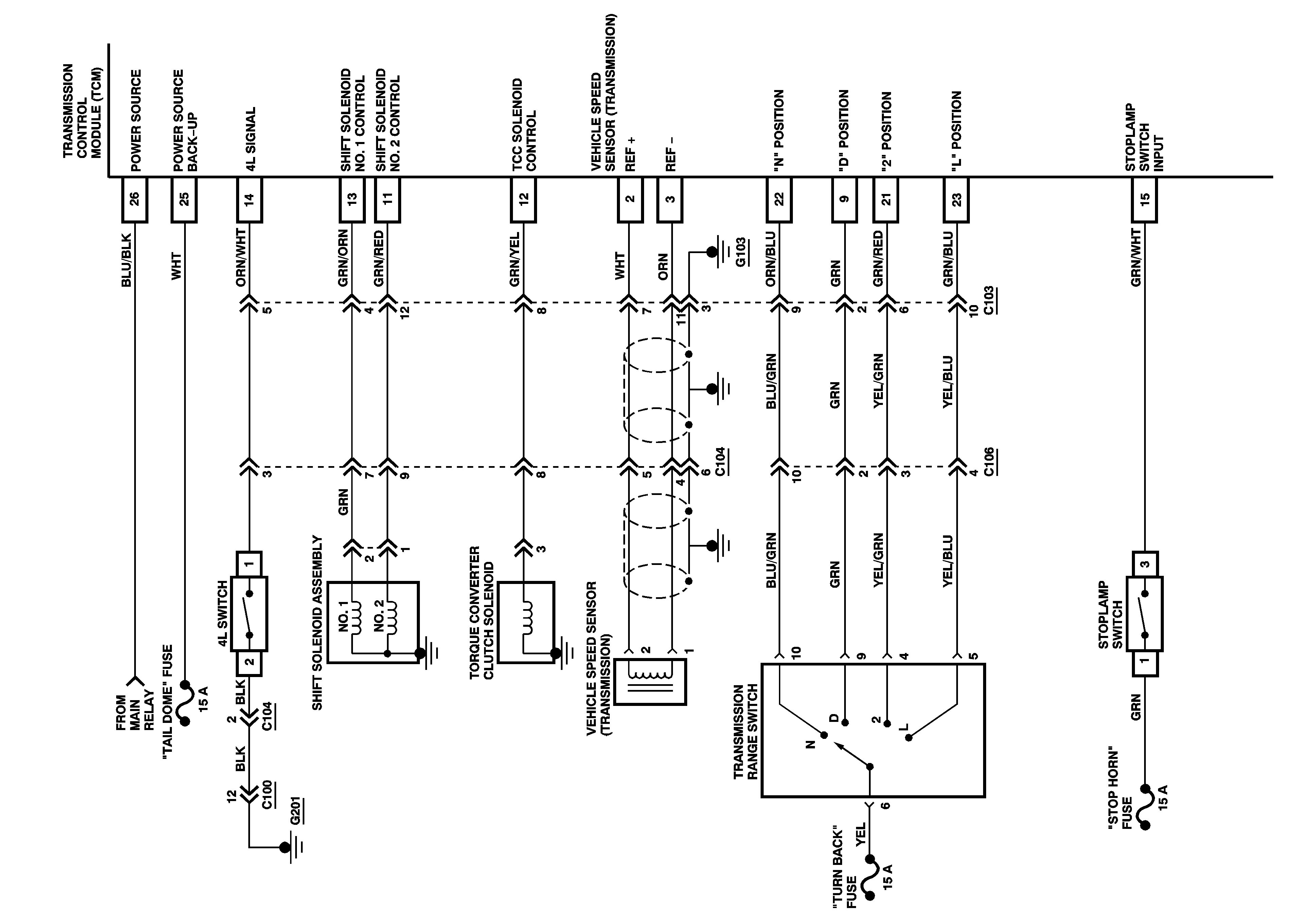
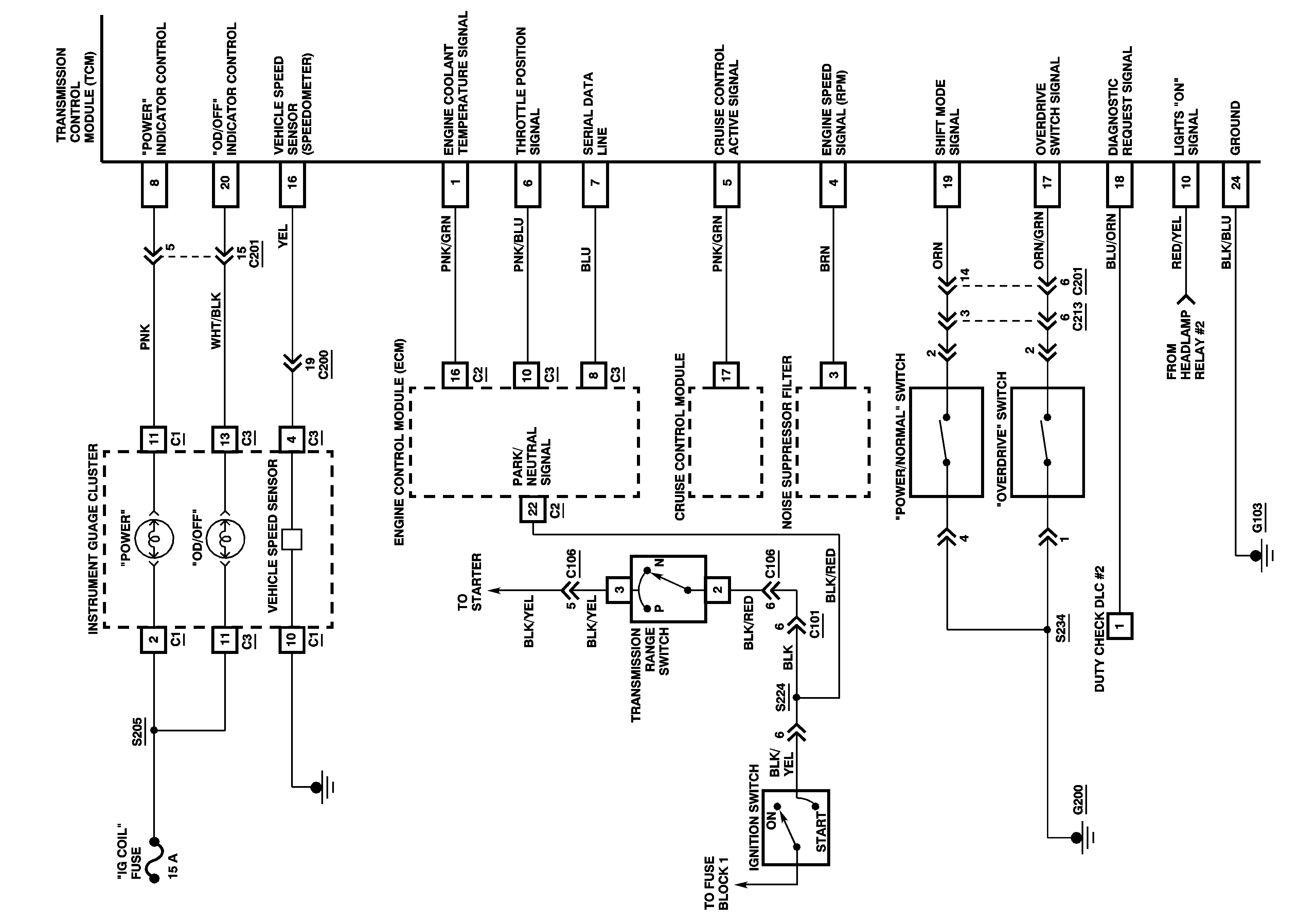
🢒 Automatic Transmission Controls Schematics
Figure
1:
1 of 2
Figure
2:
2 of 2