GM Service Manual Online
For 1990-2009 cars only
Makes
🢒
Geo
🢒
1997
🢒
Tracker - 4WD
🢒
Transmission/Transaxle
🢒
Automatic Transmission - 4 Speed-M41
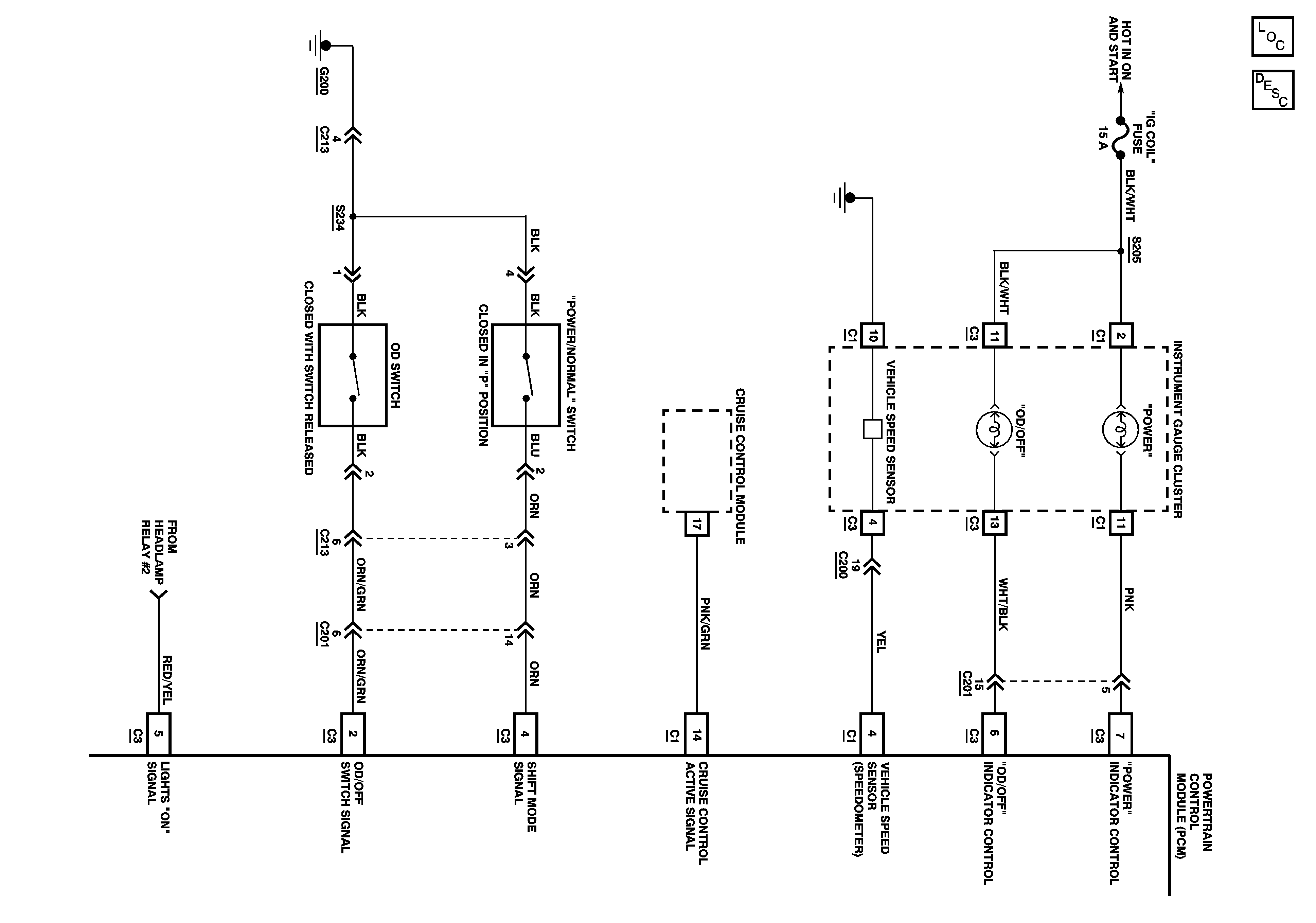
🢒 Automatic Transmission Controls Schematics
Figure
1:
PCM, Trans Range Switch, Shift Solenoids, TCC, 4L Switch
Figure
2:
IP Cluster, Cruise Module, OD Switch, VSS