GM Service Manual Online
For 1990-2009 cars only

Tools Required

    • J 41798 Engine Lift Bracket
    • J 21366 Convert Holding Strap

Removal Procedure

  1. Remove the hood. Refer to Hood Replacement in Body Front End.

  2. Object Number: 820669  Size: SH
  3. Remove hood latch (1) from cowl.
  4. Leaving the A/C compressor lines connected remove the condenser mounting bolts and secure to frame rail.
  5. Remove the upper radiator support. Refer to Radiator Support Replacement in Body Front End.

  6. Object Number: 659418  Size: SH
  7. Reposition the radiator inlet hose clamp at the water pump.
  8. Remove the radiator inlet hose from the water pump.

  9. Object Number: 308983  Size: SH
  10. Reposition the radiator outlet hose clamp at the water pump.
  11. Remove the radiator outlet hose from the water pump.
  12. Remove the heater hoses. Refer to Heater Inlet Hose Replacement and Heater Outlet Hose Replacement in Heating, Ventilation, and Air Conditioning.

  13. Object Number: 665886  Size: SH
  14. Loosen the intake manifold sight shield bolt.
  15. Remove the sight shield from the retainer.

  16. Object Number: 832894  Size: SH
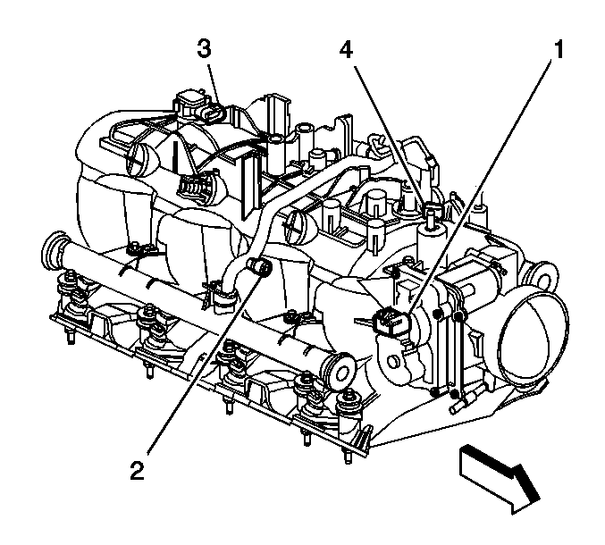
  17. Disconnect the throttle body electrical connector (1).

  18. Object Number: 663672  Size: SH
  19. Disconnect the following electrical connectors:
  20. • Evaporative emissions (EVAP) canister purge solenoid (1)
    • Generator (3)
  21. Remove the harness bracket nut (2) in order to remove the engine harness from the intake manifold.

  22. Object Number: 659465  Size: SH
  23. Remove the radiator vent inlet hose from the throttle body.

  24. Object Number: 395686  Size: SH
  25. Remove the generator cable from the generator, perform the following:
  26. 16.1. Slide the boot down revealing the terminal stud.
    16.2. Remove the generator cable nut from the terminal stud.
    16.3. Remove the generator cable.

    Object Number: 679597  Size: SH
  27. Disconnect the main coil harness (2) and fuel injector (3) electrical connectors on the left side.

  28. Object Number: 679598  Size: SH
  29. Disconnect the following electrical connectors:
  30. • Main coil harness (1)
    • Fuel injectors (3)
    • Exhaust gas recirculation (EGR) valve (4)

    Object Number: 679510  Size: SH
  31. Disconnect the manifold absolute pressure (MAP) sensor (1) and knock sensor (2) electrical connectors.

  32. Object Number: 684221  Size: SH
  33. Remove the harness ground bolt.
  34. Reposition the harness ground and negative battery cable from the block.
  35. Disconnect the following electrical connectors:
  36. • Coolant temperature sensor (1)
    • Electronic variable orifice switch (2)

    Object Number: 684224  Size: SH
  37. Remove the harness ground bolt at the right rear of the engine block.
  38. Reposition the harness ground from the block.
  39. Remove the harness ground bolt at the left rear of the engine block
  40. Reposition the harness ground, and engine ground strap from the block.
  41. Disconnect the following electrical connectors:
  42. • Oil pressure sensor (1)
    • Camshaft position (CMP) sensor (2)
  43. Unclip all of the engine harness clips from the engine.

  44. Object Number: 662505  Size: SH
  45. Remove the battery cable junction block from the junction block bracket.

  46. Object Number: 372717  Size: SH
  47. Remove the EVAP purge solenoid vent tube, perform the following:
  48. • Remove the EVAP tube end (2) from the solenoid (1).
    • Remove the EVAP tube end (3) from the vapor pipe.
  49. Disconnect the fuel pipes. Refer to Metal Collar Quick Connect Fitting Service or Plastic Collar Quick Connect Fitting Service in Engine Controls - 6.0L.
  50. Raise the vehicle.

  51. Object Number: 662991  Size: SH
  52. Disconnect the following electrical connectors:
  53. • The crankshaft position (CKP) sensor (1)
    • The engine oil level sensor (6)
    • The coolant heater, if equipped

    Object Number: 662508  Size: SH
  54. Remove the battery cable channel bolt.
  55. Slide the channel pin out of the oil pan tab.
  56. Gather all branches of the engine wiring harness and reposition off to the side.
  57. Lower the vehicle.

  58. Object Number: 310813  Size: SH
  59. Remove the rear power steering pump-to-engine block bolt.
  60. Remove the generator bracket mounting bolts.
  61. Position the bracket aside.
  62. Remove the ignition coil, as required for the proper fit of the J 41798 before lifting the engine. Refer to Ignition Coil Replacement in Engine Controls - 6.0L.
  63. Notice: Refer to Fastener Notice in the Preface section.


    Object Number: 309151  Size: SH
  64. Install the J 41798 to the cylinder heads.
  65. Tighten

        • Tighten the M8 engine lift bracket bolts to 25 N·m (18 lb ft).
        • Tighten the M10 engine lift bracket bolts to 50 N·m (37 lb ft).

    Object Number: 307275  Size: SH
  66. Remove the left and right engine mount-to-engine mount bracket bolts.
  67. Raise and suitably support the vehicle. Refer to Lifting and Jacking the Vehicle in General Information.

  68. Object Number: 794711  Size: SH
  69. Remove the engine shield bolts and shield.

  70. Object Number: 794712  Size: SH
  71. Remove the ladder shields bolts and plate.
  72. Drain the engine oil.

  73. Object Number: 9096  Size: SH
  74. Remove the flywheel to torque converter bolts.

  75. Object Number: 396797  Size: SH
  76. Remove the transmission oil level indicator tube nut .

  77. Object Number: 396798  Size: SH
  78. Remove the transmission oil level indicator tube.

  79. Object Number: 394448  Size: SH
  80. If equipped with the 4L60-E automatic transmission, remove the transmission bolt and stud on the right side.

  81. Object Number: 394446  Size: SH
  82. Remove the automatic transmission bolt/studs.
  83. Separate the engine from the automatic transmission.
  84. Install the J 21366

  85. Lower the vehicle.
  86. Install an engine hoist to the J 41798
  87. Install a floor jack under the transmission for support.
  88. Notice: Use care while moving the engine assembly in order to avoid breaking the MAP sensor locating tabs. Broken MAP sensor tabs may result in decreased engine performance.

  89. Remove the engine.
  90. Install the engine to an engine stand.
  91. Remove the engine hoist.

  92. Object Number: 309151  Size: SH
  93. Remove the J 41798 .

Installation Procedure

    Notice: Refer to Fastener Notice in the Preface section.


    Object Number: 309151  Size: SH
  1. Install the J 41798 to the engine.
  2. Tighten

        • Tighten the M8 engine lift bracket bolts to 25 N·m (18 lb ft).
        • Tighten the M10 engine lift bracket bolts to 50 N·m (37 lb ft).
  3. Install an engine hoist to the J 41798 .
  4. Remove the engine from the engine stand.
  5. Install the engine to the vehicle.
  6. Align the engine and transmission.

  7. Object Number: 307275  Size: SH
  8. Install the left and right engine mount-to-engine mount bracket bolts.
  9. Tighten
    Tighten the engine mount-to-engine mount bracket bolts to 65 N·m (48 lb ft).

  10. Install the upper transmission bolts until snug.
  11. Remove the floor jack from under the transmission.
  12. Remove the engine hoist.

  13. Object Number: 309151  Size: SH
  14. Remove the J 41798 .

  15. Object Number: 339300  Size: SH
  16. Install the ignition coils and the spark plug wires. Refer to Ignition Coil Replacement in Engine Controls-6.0L.
  17. Raise the vehicle.

  18. Object Number: 394446  Size: SH
  19. Remove the J 21366 .
  20. Install the automatic transmission bolt/studs.

  21. Object Number: 396795  Size: SH
  22. Install the transmission converter cover bolts.

  23. Object Number: 394448  Size: SH
  24. Install the transmission bolt and stud on the right side.
  25. Tighten
    Tighten the automatic transmission bolts/studs to 50 N·m (37 lb ft).


    Object Number: 396798  Size: SH
  26. Install the automatic transmission oil level indicator tube.

  27. Object Number: 396797  Size: SH
  28. Install the automatic transmission oil level indicator tube nut.
  29. Tighten
    Tighten the automatic transmission oil level indicator tube nut to 18 N·m (13 lb ft).


    Object Number: 9096  Size: SH
  30. Install the flywheel to torque converter bolts.
  31. Tighten
    If equipped with a 4L60E transmission, tighten the bolts to 63 N·m (47 lb ft).

  32. Install exhaust pipes to the exhaust manifolds.

  33. Object Number: 310672  Size: SH
  34. Install the positive battery cable clip and bolt.
  35. Tighten
    Tighten the positive battery cable clip bolt to 9 N·m (80 lb in).

  36. Install the starter motor. Refer to Starter Motor Replacement in Engine Electrical.
  37. Install the engine protection shield. Refer to Engine Protection Shield Replacement in Frame and Underbody.
  38. Tighten
    Tighten the oil pan skid plate bolts to 20 N·m (15 lb ft).

  39. Lower the vehicle.
  40. Install the ground cable to the engine block.
  41. Tighten
    Tighten the ground cable bolt to 25 N·m(18 lb ft).


    Object Number: 310813  Size: SH
  42. Position the generator bracket to the front of the engine.
  43. Install the generator bracket bolts until snug.
  44. Install the rear power steering pump-to-engine block bolt until snug.
  45. Tighten

        • Tighten the rear power steering pump bolt to 50 N·m (37 lb ft).
        • Tighten the generator bracket bolts to 50 N·m (37 lb ft).
  46. Route the engine wiring harness to the lower engine area.
  47. Raise the vehicle.

  48. Object Number: 662508  Size: SH
  49. Slide the channel pin into the oil pan tab.
  50. Install the battery cable channel bolt.
  51. Tighten
    Tighten the battery cable channel bolt to 12 N·m (106 lb in).


    Object Number: 662991  Size: SH
  52. Connect the following electrical connectors:
  53. • The CKP sensor (1)
    • The engine oil level sensor (6)
    • The coolant heater, if equipped
  54. Lower the vehicle.
  55. Connect the fuel pipes.

  56. Object Number: 372717  Size: SH
  57. Install the EVAP purge solenoid vent tube to the solenoid (1).
  58. Install the EVAP tube end (3) to the vapor pipe.

  59. Object Number: 662505  Size: SH
  60. Install the battery cable junction block to the junction block bracket.
  61. Clip all of the engine wiring harness clips to their correct location.

  62. Object Number: 684224  Size: SH
  63. Connect the following electrical connectors:
  64. • Oil pressure sensor (1)
    • CMP sensor (2)
  65. Position the harness ground and the engine ground strap to the block.
  66. Install the harness ground bolt at the left rear of the engine block.
  67. Position the harness ground to the block.
  68. Install the harness ground bolt at the right rear of the engine block.
  69. Tighten
    Tighten the harness ground bolts at the rear of the block to 16 N·m (12 lb ft).


    Object Number: 684221  Size: SH
  70. Connect the following electrical connectors:
  71. • Coolant temperature sensor (1)
    • Electronic variable orifice switch (2)
  72. Position the harness ground and negative battery cable to the block.
  73. Install the harness ground bolt.
  74. Tighten
    Tighten the harness ground bolt to 25 N·m (18 lb ft).


    Object Number: 679510  Size: SH
  75. Connect the MAP sensor (1) and knock sensor (2) electrical connectors.

  76. Object Number: 832894  Size: SH
  77. Connect the ETC connector (1).

  78. Object Number: 679598  Size: SH
  79. Connect the following electrical connectors:
  80. • Main coil harness (1)
    • Fuel injectors (3)
    • EGR valve (4)

    Object Number: 679597  Size: SH
  81. Connect the main coil harness (2) and fuel injector (3) electrical connectors on the left side.

  82. Object Number: 395686  Size: SH
  83. Install the generator cable to the generator, perform the following:
  84. 52.1. Install the generator cable.
    52.2. Install the generator cable nut to the terminal stud.

    Tighten
    Tighten the generator output terminal nut to 9 N·m (80 lb in).

    52.3. Slide the boot over the terminal stud.

    Object Number: 659465  Size: SH
  85. Install the radiator vent inlet hose to the throttle body.
  86. Position the vent inlet hose clamp at the throttle body.

  87. Object Number: 663672  Size: SH
  88. Install the engine wiring harness bracket and nut (2).
  89. Tighten
    Tighten the engine wiring harness bracket nut to 5 N·m (44 lb in).

  90. Connect the following electrical connectors:
  91. • EVAP canister purge solenoid (1)
    • Generator (3)
  92. Install the engine sight shield retainer and bolts.
  93. Tighten
    Tighten the engine sight shield retainer bolts to 5 N·m (44 lb in).

  94. Install the left fuel rail cover.
  95. If equipped with the 6.0L with RPO LQ4, install the engine sight shield to the retainer.
  96. Tighten the engine sight shield bolt.
  97. Tighten
    Tighten the bolt to 9 N·m (80 lb in).


    Object Number: 665886  Size: SH
  98. If equipped with the 4.8L, 5.3L, or 6.0L with RPO LQ4, install the engine sight shield to the retainer.
  99. Tighten the engine sight shield bolt.
  100. Tighten
    Tighten the bolt to 10 N·m (89 lb in).

  101. Install the heater hoses. Refer to Heater Inlet Hose Replacement and Heater Outlet Hose Replacement in Heating, Ventilation and Air Conditioning.

  102. Object Number: 308983  Size: SH
  103. Install the radiator outlet hose to the water pump.
  104. Position the radiator outlet hose clamp at the water pump.

  105. Object Number: 659418  Size: SH
  106. Install the radiator inlet hose to the water pump.
  107. Position the radiator inlet hose clamp at the water pump.
  108. Install the radiator supports. Refer to Radiator Support Replacement in Body Front End.
  109. Install the A/C compressor. Refer to Air Conditioning Compressor Replacement in Heating, Ventilation and Air Conditioning.
  110. Install the hood. Refer to Hood Replacement in Body Front End.
  111. Fill the crankcase with the proper quantity and grade of engine oil. Refer to Approximate Fluid Capacities or Fluid and Lubricant Recommendations in Maintenance and Lubrication.
  112. Perform the CKP system variation learn procedure. Refer to Crankshaft Position System Variation Learn in Engine Controls-6.0L.
  113. Important: After an overhaul, the engine should be tested. Use the following procedure after the engine is installed in the vehicle.

    72.1. Disable the ignition system.
    72.2. Crank the engine several times. Listen for any unusual noises or evidence that parts are binding.
    72.3. Enable the ignition system.
    72.4. Start the engine and listen for unusual noises.
    72.5. Check the vehicle oil pressure gauge or light and confirm that the engine has acceptable oil pressure.
    72.6. Run the engine speed at about 1000 RPM until the engine has reached normal operating temperature.
    72.7. Listen for sticking lifter and other unusual noises.
    72.8. Inspect for fuel, oil and/or coolant leaks while the engine is running.
    72.9. Perform a final inspection for the proper engine oil and coolant levels.
  114. Close the hood.