GM Service Manual Online
For 1990-2009 cars only
Makes
🢒
HUMMER
🢒
2003
🢒
H2
🢒
Engine
🢒
Engine Electrical
🢒 Starting and Charging Schematics
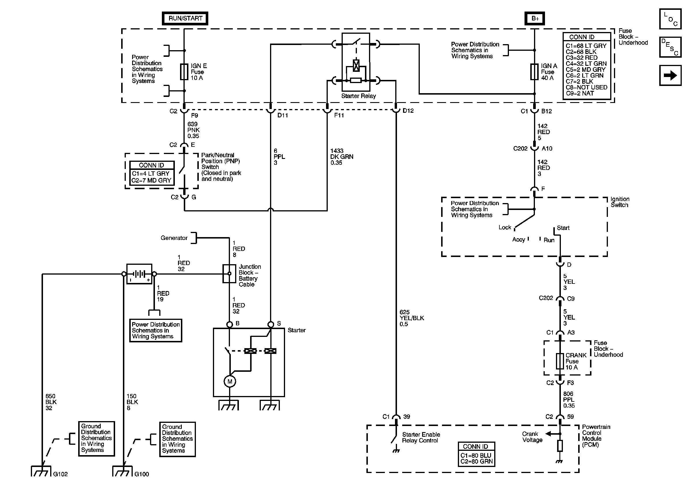
Figure
1:
Starting
Master Electrical Component List
Starting System Description and Operation
Charging
ACCY/RUN/ and RUN/START Bus Bars
B+ Bus
ACCY/RUN/START, RUN, and START Bus Bars, CRANK Fuse
Charging
B+ Bus
G105 and G100
G102 and G103
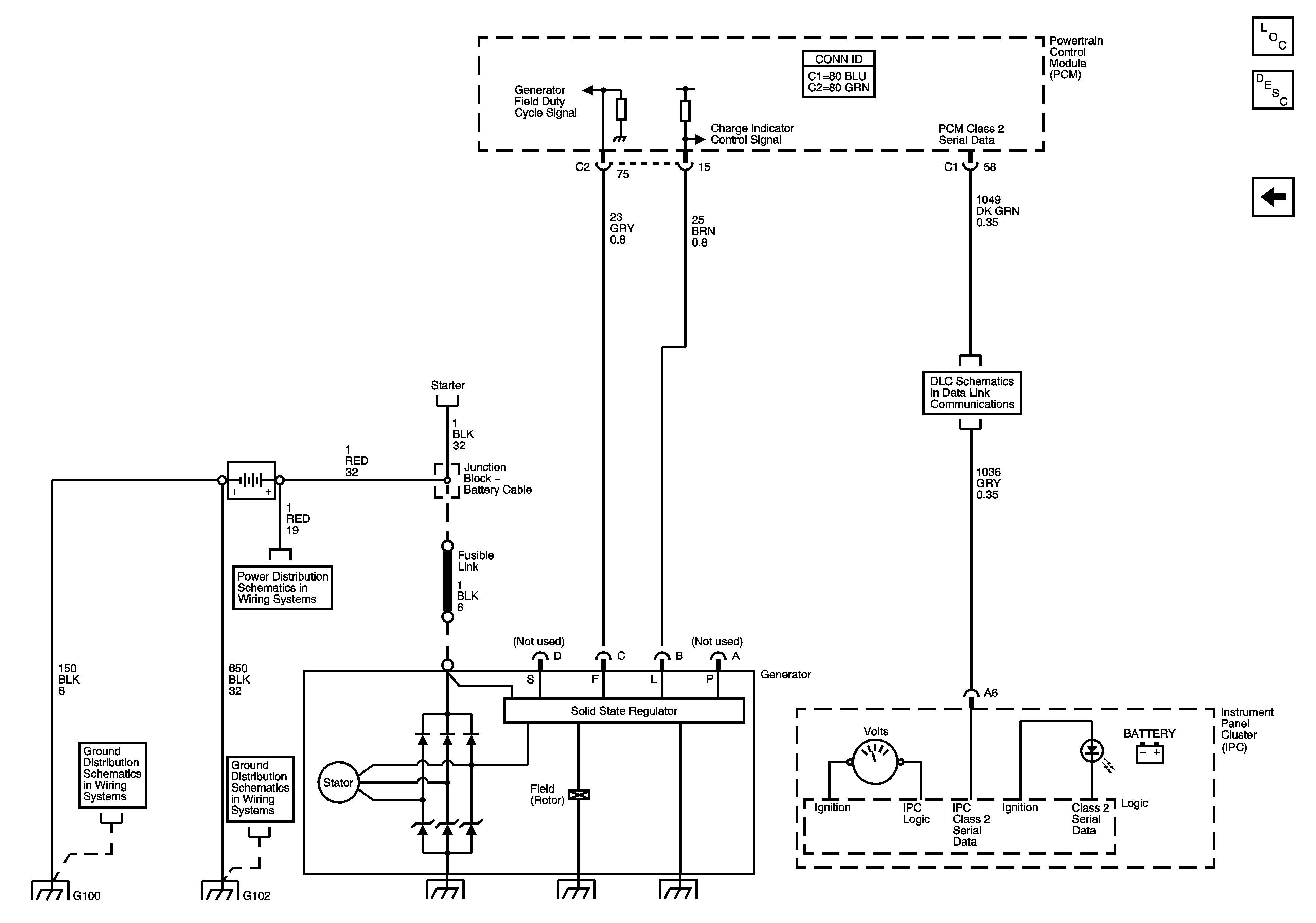
Figure
2:
Charging
Master Electrical Component List
Charging System Description and Operation
Starting
Starting
Power, Ground, DLC, and Splice Pack SP205
B+ Bus
G102 and G103
G105 and G100