GM Service Manual Online
For 1990-2009 cars only
Figure 1:

B+ Bus


Object Number: 872547  Size: FS
Master Electrical Component List
ACCY/RUN/START, RUN, and START Bus Bars, CRANK Fuse
Figure 2:

ACCY/RUN/START, RUN, and START Bus Bars, CRANK Fuse


Object Number: 872551  Size: FS
Master Electrical Component List
ACCY/RUN/ and RUN/START Bus Bars
B+ Bus
B+ Bus
Figure 3:

ACCY/RUN, and RUN/START Bus Bars


Object Number: 872555  Size: FS
Master Electrical Component List
STUD 1, STUD 2, VSES/ECAS, BLOWER, ABS, and MBEC 1 Fuses
ACCY/RUN/START, RUN, and START Bus Bars, CRANK Fuse
B+ Bus
Figure 4:

STUD 1, STUD 2, VSES/ECAS, BLOWER, ABS, and MBEC 1 Fuses, RT Doors and Seats Circuit Breakers


Object Number: 872557  Size: FS
Master Electrical Component List
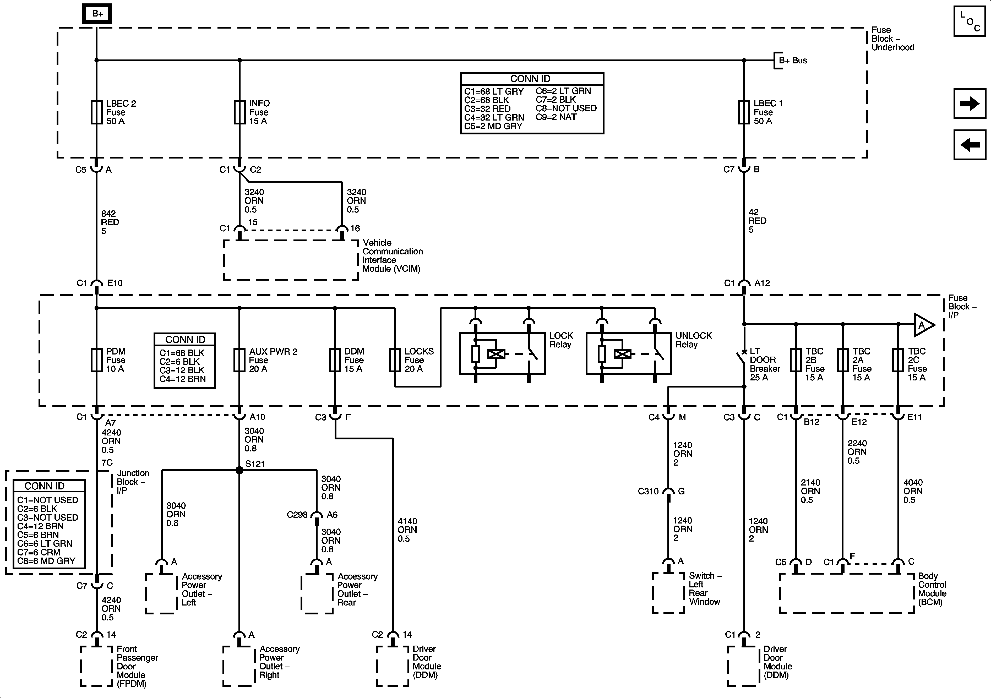
LBEC 1, LBEC 2, INFO, PDM, AUX PWR, DDM, LOCKS, TBC 2A, 2B, and 2C Fuses, and LT DOOR Circuit Breaker
ACCY/RUN/ and RUN/START Bus Bars
B+ Bus
Figure 5:

LBEC 1, LBEC 2, INFO, PDM, AUX PWR, DDM, LOCKS, TBC 2A, 2B, and 2C Fuses, and LT DOORS Circuit Breaker


Object Number: 872562  Size: FS
Master Electrical Component List
FLASH, LT TRLR, RT TRLR, LT TURN, and RT TURN Fuse
STUD 1, STUD 2, VSES/ECAS, BLOWER, ABS, and MBEC 1 Fuses
B+ Bus
FLASH, LT TRLR, RT TRLR, LT TURN, and RT TURN Fuse
Figure 6:

FLASH, LT TRLR, RT TRLR, LT TURN, and RT TURN Fuses


Object Number: 830892  Size: FS
Master Electrical Component List
RR DEFOG, RR WPR, STOP LP, STOP, and CHMSL Fuses
LBEC 1, LBEC 2, INFO, PDM, AUX PWR, DDM, LOCKS, TBC 2A, 2B, and 2C Fuses, and LT DOOR Circuit Breaker
LBEC 1, LBEC 2, INFO, PDM, AUX PWR, DDM, LOCKS, TBC 2A, 2B, and 2C Fuses, and LT DOOR Circuit Breaker
Figure 7:

RR DEFOG, RR WPR, STOP LP, STOP, and CHMSL Fuses


Object Number: 830897  Size: FS
Master Electrical Component List
PCMB, TREC, IPC/DIC, TBC BATT, SEO B1, SEO B2, and HVAC/ECAS Fuses
FLASH, LT TRLR, RT TRLR, LT TURN, and RT TURN Fuse
B+ Bus
Figure 8:

PCMB, TREC, IPC/DIC, TBC BATT, SEO B1, SEO B2, and HVAC/ECAS Fuses


Object Number: 830900  Size: FS
Master Electrical Component List
CIG LTR, AUX PWR 1, SUNROOF, RADIO, and RADIO AMP Fuses
RR DEFOG, RR WPR, STOP LP, STOP, and CHMSL Fuses
B+ Bus
Figure 9:

CIG LTR, AUX PWR 1, SUNROOF, RADIO, and RADIO AMP Fuses


Object Number: 830901  Size: FS
Master Electrical Component List
TRL PARK, LR PARK, RR PARK, and FRT PARK Fuses
PCMB, TREC, IPC/DIC, TBC BATT, SEO B1, SEO B2, and HVAC/ECAS Fuses
B+ Bus
Figure 10:

TRL PARK, LR PARK, RR PARK, and FRT PARK Fuses


Object Number: 830904  Size: FS
Master Electrical Component List
INT PARK Fuse
CIG LTR, AUX PWR 1, SUNROOF, RADIO, and RADIO AMP Fuses
B+ Bus
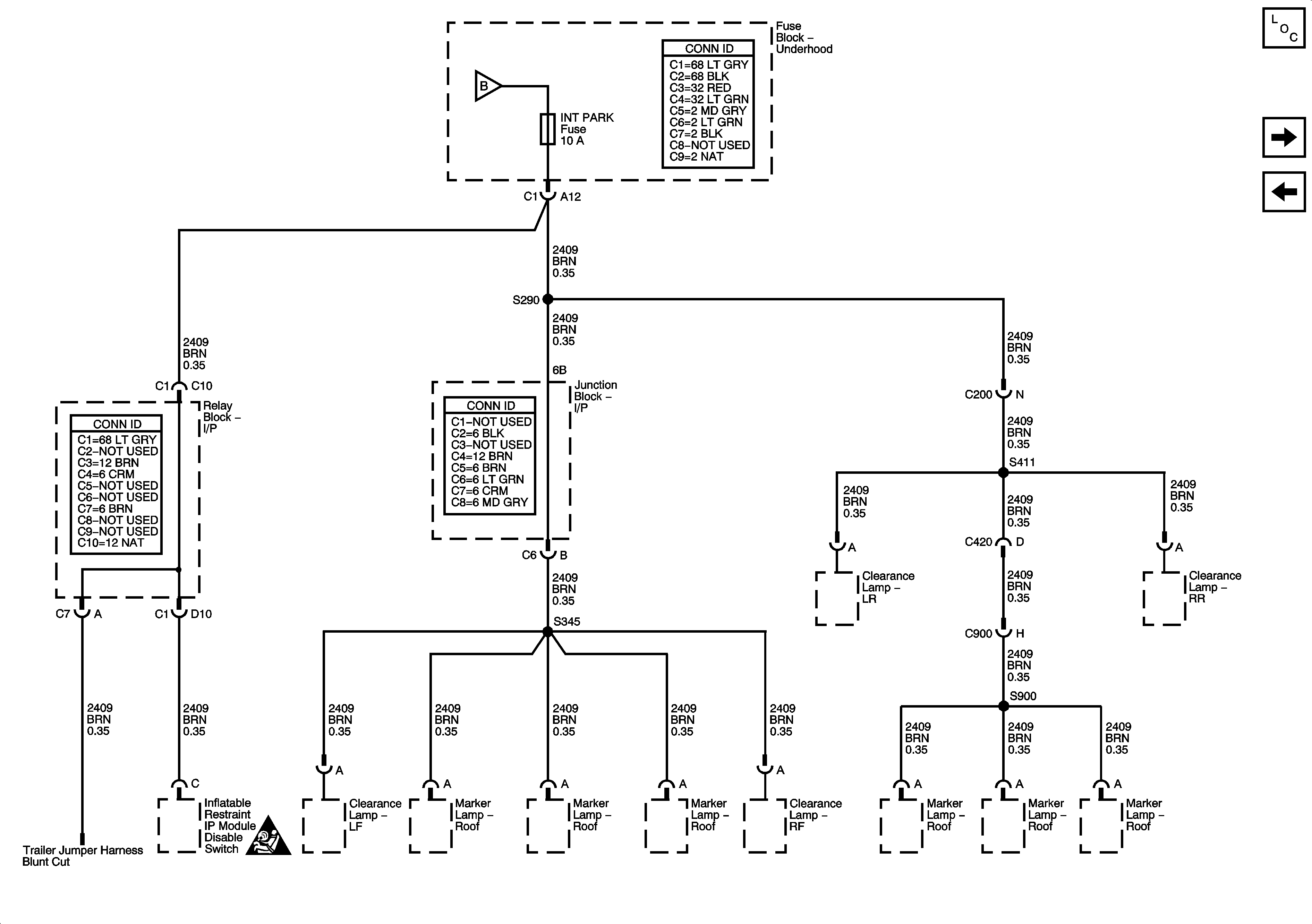
INT PARK Fuse
Figure 11:

INT PARK Fuse


Object Number: 830906  Size: FS
Master Electrical Component List
HORN, LO HDLP LT, LO HDLP RT, HI HDLP RT, and HI HDLP LT Fuses
TRL PARK, LR PARK, RR PARK, and FRT PARK Fuses
TRL PARK, LR PARK, RR PARK, and FRT PARK Fuses
SIR Caution for Zoning
Figure 12:

HORN, LO HDLP LT, LO HDLP RT, HI HDLP RT, and HI HDLP LT Fuses


Object Number: 830908  Size: FS
Master Electrical Component List
B/U LP, O2A, O2B, TBC IGN1, TRL B/U, and BTSI Fuses
INT PARK Fuse
B+ Bus
Figure 13:

B/U LP, O2A, O2B, TBC IGN1, TRL B/U, and BTSI Fuses


Object Number: 830909  Size: FS
Master Electrical Component List
SEO IGN, SIR, and IGN E Fuses
HORN, LO HDLP LT, LO HDLP RT, HI HDLP RT, and HI HDLP LT Fuses
ACCY/RUN/ and RUN/START Bus Bars
Figure 14:

SEO IGN, SIR, and IGN E Fuses


Object Number: 830911  Size: FS
Master Electrical Component List
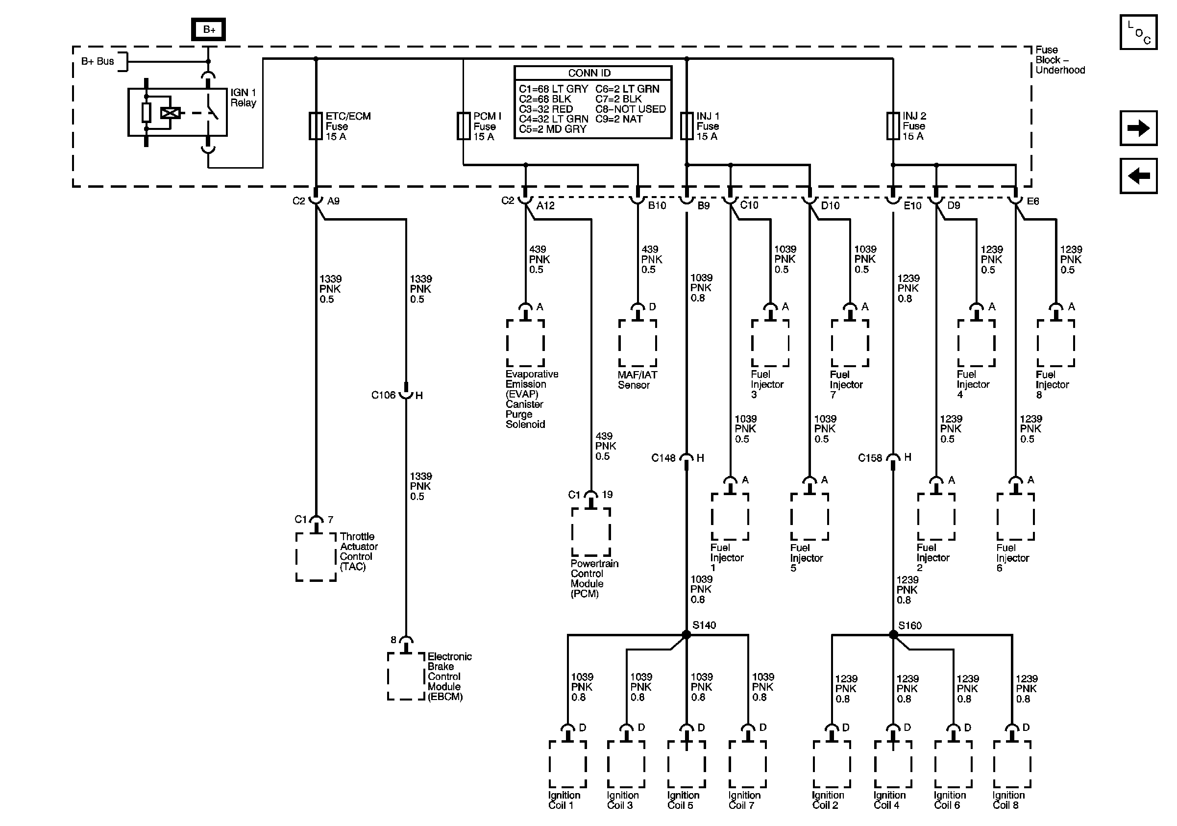
ETC, PCM, INJ 1, and INJ 2 Fuses
B/U LP, O2A, O2B, TBC IGN1, TRL B/U, and BTSI Fuses
ACCY/RUN/ and RUN/START Bus Bars
SIR Caution for Zoning
SIR Caution for Zoning
Figure 15:

ETC/ECM, PCM I, INJ 1, and INJ 2 Fuses


Object Number: 830912  Size: FS
Master Electrical Component List
WS WPR, SEO ACCY, RR WPR, and TBC ACCY Fuses
SEO IGN, SIR, and IGN E Fuses
B+ Bus
Figure 16:

WS WPR, SEO ACCY, RR WPR, TBC ACCY, TBC IGN 0, and IGN 0 Fuses


Object Number: 830913  Size: FS
Master Electrical Component List
BRAKE, 4WD, CRUISE, HVAC I, and IGN 3 Fuses
ETC, PCM, INJ 1, and INJ 2 Fuses
Figure 17:

BRAKE, 4WD, CRUISE, HVAC 1, and IGN 3 Fuses


Object Number: 830916  Size: FS
Master Electrical Component List
WS WPR, SEO ACCY, RR WPR, and TBC ACCY Fuses