GM Service Manual Online
For 1990-2009 cars only

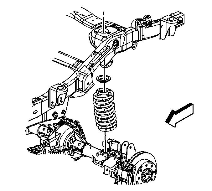
Removal Procedure


    Object Number: 793293  Size: SH
  1. Raise and support the vehicle. Refer to Lifting and Jacking the Vehicle .
  2. Support the rear axle.
  3. Remove the stabilizer shaft link retaining nut from the frame.
  4. Remove the lower shock absorber nut and bolt from the rear axle.
  5. Lower the rear axle until the springs are fully unloaded.
  6. Remove the coil spring and the insulators.

Installation Procedure


    Object Number: 793293  Size: SH

    Important: Note the position of the coil springs, as the left coil spring and the right coil spring are different.

  1. Install the coil spring and the insulators .
  2. Raise the rear axle.
  3. Notice: Refer to Fastener Notice in the Preface section.

  4. Install the lower shock absorber retaining nut and bolt to the rear axle.
  5. Tighten
    Tighten the lower shock absorber retaining nut and bolt to 105 N·m (77 lb ft).

  6. Install the stabilizer shaft link to the frame.
  7. Install the stabilizer shaft link retaining nut.
  8. Tighten
    Tighten the stabilizer shaft link retaining nut to 80 N·m (59 lb ft).

  9. Remove the rear axle support.
  10. Lower the vehicle.