GM Service Manual Online
For 1990-2009 cars only
Makes
🢒
HUMMER
🢒
2003
🢒
H2
🢒
Driveline/Axle
🢒
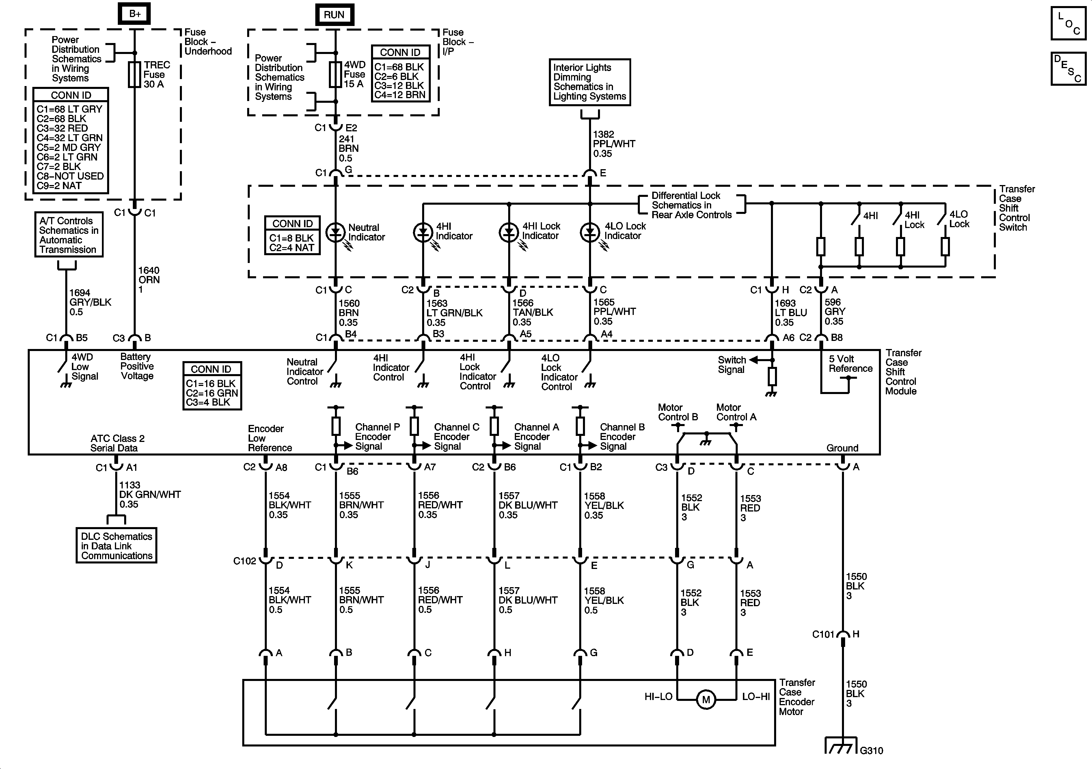
Transfer Case - BW 4484
🢒 Transfer Case Control Schematics
Master Electrical Component List
Transfer Case Description and Operation
Fluid Pressure Switch, TFT Sensor, PC Solenoid Valve, Transfer Case Control Module, and Vehicle Speed Sensor
PCMB, TREC, IPC/DIC, TBC BATT, SEO B1, SEO B2, and HVAC/ECAS Fuses
BRAKE, 4WD, CRUISE, HVAC I, and IGN 3 Fuses
Dimmer Controls, IP Cluster Illumination, and Switch Indicators
Differential Lock Schematics
Power, Ground, DLC, and Splice Pack SP205