GM Service Manual Online
For 1990-2009 cars only
Figure 1:

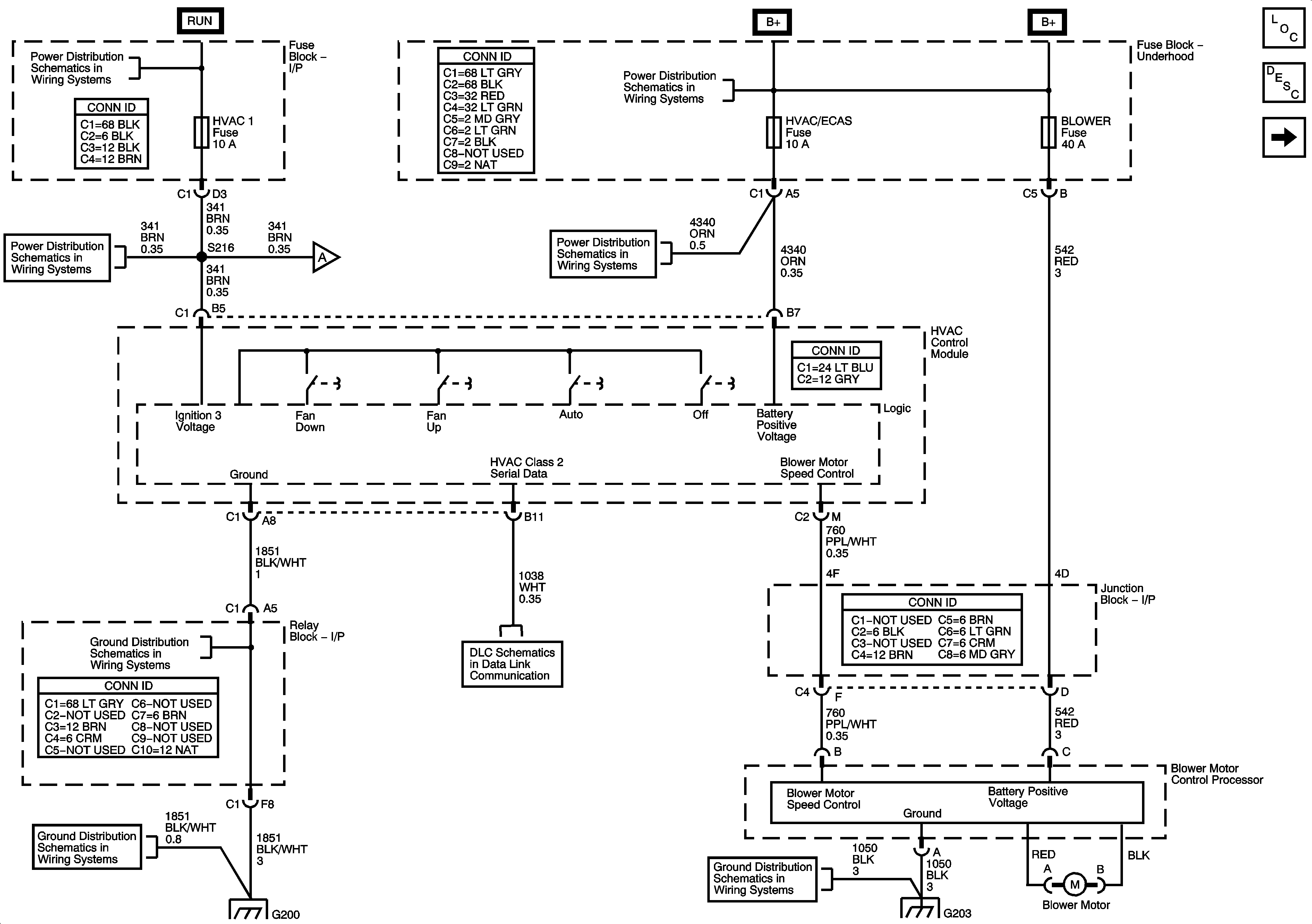
Power, Grounding, DLC, and Blower Control


Object Number: 832518  Size: FS
Master Electrical Component List
Air Delivery Description and Operation
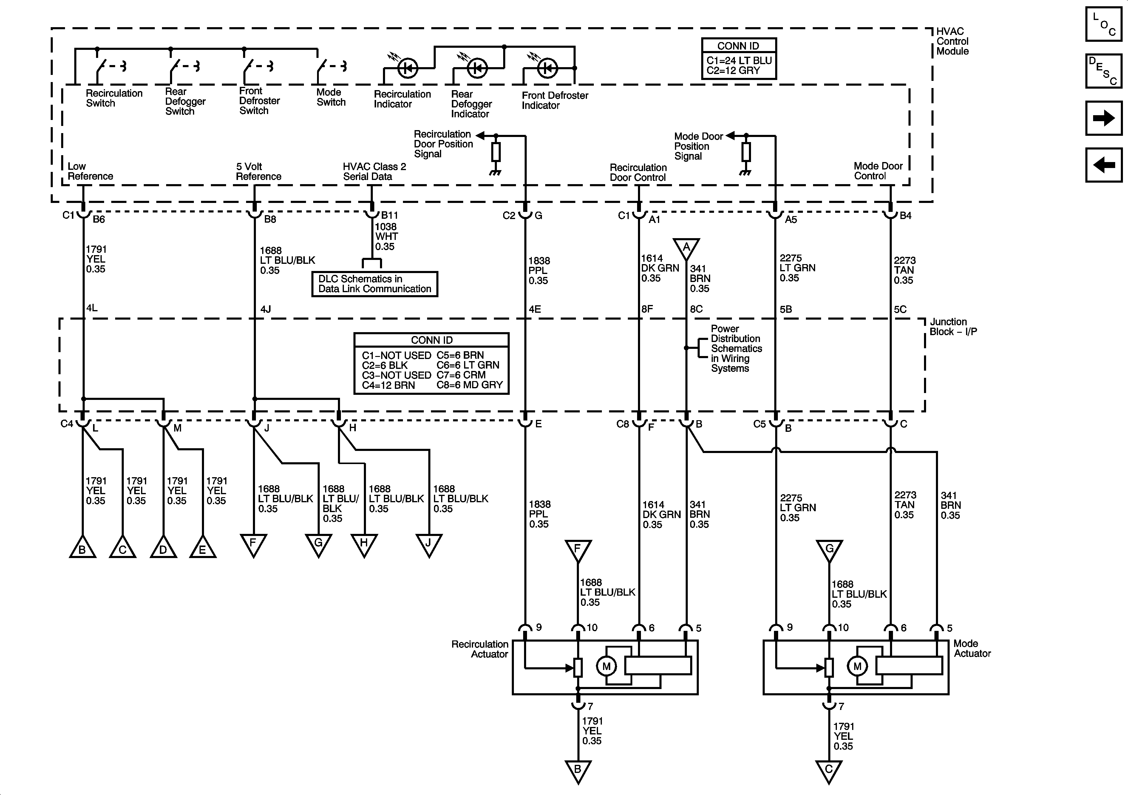
Mode and Recirc Controls, Front Defrost and Rear Defog Controls
ACCY/RUN/START, RUN, and START Bus Bars, CRANK Fuse
BRAKE, 4WD, CRUISE, HVAC I, and IGN 3 Fuses
Mode and Recirc Controls, Front Defrost and Rear Defog Controls
PCMB, TREC, IPC/DIC, TBC BATT, SEO B1, SEO B2, and HVAC/ECAS Fuses
B+ Bus
CKT 1050, S203, S215, S302, S303, and S351
Power, Ground, DLC, and Splice Pack SP205
G200
G200
Figure 2:

Mode and Recirc Controls, Front Defrost and Rear Defog Controls


Object Number: 832519  Size: FS
Master Electrical Component List
Air Delivery Description and Operation
Temperature Controls and Sunload Sensors
Power, Grounding, DLC, and Blower Control
Power, Ground, DLC, and Splice Pack SP205
Power, Grounding, DLC, and Blower Control
BRAKE, 4WD, CRUISE, HVAC I, and IGN 3 Fuses
Temperature Controls and Sunload Sensors
Temperature Controls and Sunload Sensors
Figure 3:

Temperature Controls and Sunload Sensors


Object Number: 832520  Size: FS
Master Electrical Component List
Air Temperature Description and Operation
Air Temperature Sensors
Mode and Recirc Controls, Front Defrost and Rear Defog Controls
Mode and Recirc Controls, Front Defrost and Rear Defog Controls
Power, Grounding, DLC, and Blower Control
BRAKE, 4WD, CRUISE, HVAC I, and IGN 3 Fuses
Mode and Recirc Controls, Front Defrost and Rear Defog Controls
Power, Ground, DLC, and Splice Pack SP205
Mode and Recirc Controls, Front Defrost and Rear Defog Controls
Mode and Recirc Controls, Front Defrost and Rear Defog Controls
Figure 4:

Air Temperature Sensors


Object Number: 832521  Size: FS
Master Electrical Component List
Air Temperature Description and Operation
Air Conditioning Compressor Control
Temperature Controls and Sunload Sensors
CKT 1050, S213 and S301
CKT 1050, S213 and S301
CKT 1050, S213 and S301
CKT 1050, S203, S215, S302, S303, and S351
CKT 1050, S203, S215, S302, S303, and S351
Figure 5:

Air Conditioning Compressor Control


Object Number: 832522  Size: FS
Master Electrical Component List
Air Temperature Description and Operation
Air Temperature Sensors
B+ Bus
SEO IGN, SIR, and IGN E Fuses
Power, Ground, DLC, and Splice Pack SP205
G104 and G106