GM Service Manual Online
For 1990-2009 cars only
Figure 1:

Interior Lamp Controls, BCM, Door Ajar Switches


Object Number: 831458  Size: FS
Master Electrical Component List
Interior Lighting Systems Description and Operation
Courtesy Lamps - Footwells, Rear Doors, and B-Pillars
2003 N Truck Body Cont. Mod Schem (Power, Ground, and Serial Data Citcuits)
Headlamp Controls, Switches, Ambient Light Sensor
Rear Wiper Power, Ground, Controls, and Washer Fluid Level Sensor
G402, G405, and G410
G402, G405, and G410
G302, G304, and G306
Content Theft Deterrent
Power, Ground, DLC, and Splice Pack SP205
Content Theft Deterrent
G200
G200
G200
Figure 2:

Courtesy Lamps -- Footwells, Rear Doors, and B-Pillars


Object Number: 831460  Size: FS
Master Electrical Component List
Interior Lighting Systems Description and Operation
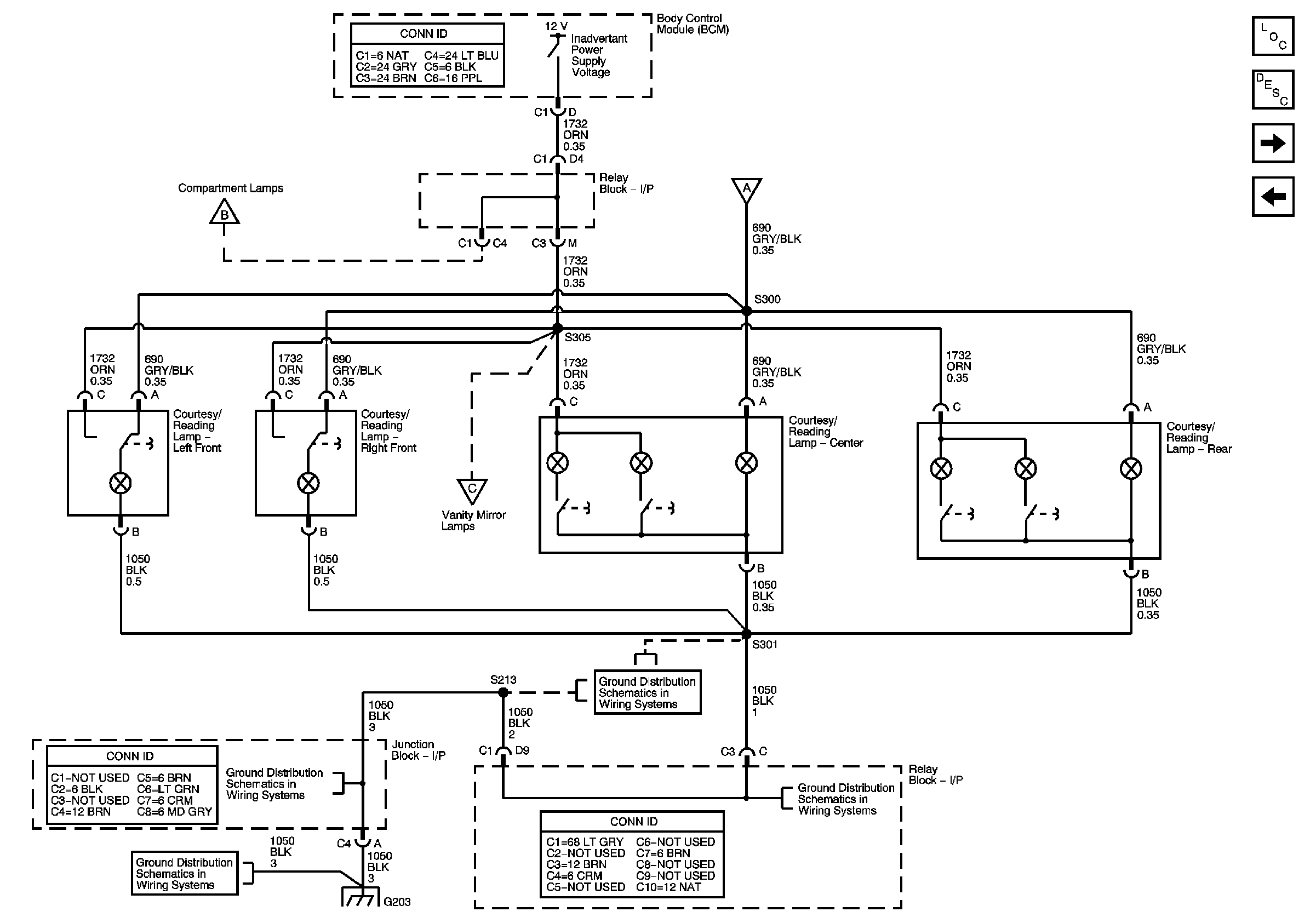
Courtesy Lamps - Headliner Front, Center, and Rear
Interior Light Controls, BCM, Door Ajar Switches
Courtesy Lamps - Headliner Front, Center, and Rear
G302, G304, and G306
G302, G304, and G306
G302, G304, and G306
CKT 1050, S203, S215, S302, S303, and S351
CKT 1050, S213 and S301
CKT 1050, S203, S215, S302, S303, and S351
Figure 3:

Courtesy Lamps -- Headliner Front, Center, and Rear


Object Number: 831461  Size: FS
Master Electrical Component List
Interior Lighting Systems Description and Operation
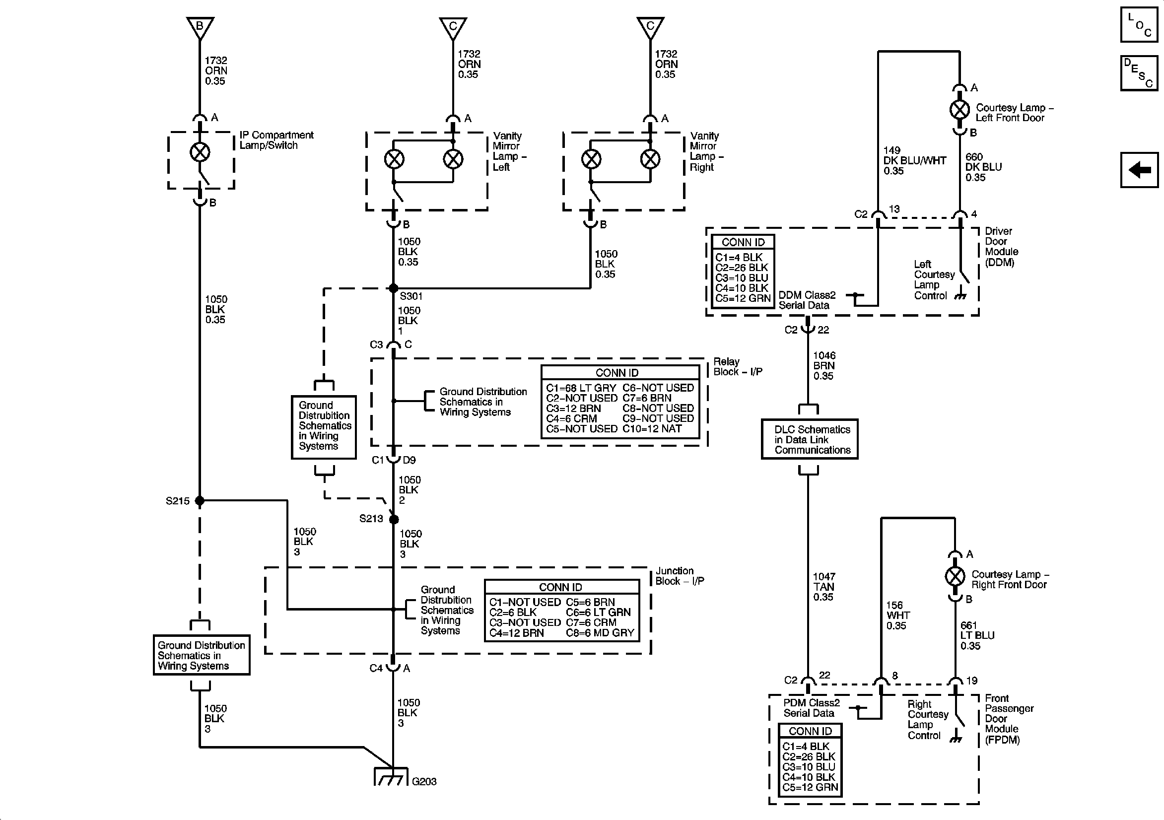
Courtesy Lamps - Front Doors; Vanity Mirror, and IP Compartment Lamps
Courtesy Lamps - Front Doors; Vanity Mirror, and IP Compartment Lamps
Courtesy Lamps - Footwells, Rear Doors, and B-Pillars
Courtesy Lamps - Front Doors; Vanity Mirror, and IP Compartment Lamps
Courtesy Lamps - Footwells, Rear Doors, and B-Pillars
CKT 1050, S213 and S301
CKT 1050, S213 and S301
CKT 1050, S203, S215, S302, S303, and S351
CKT 1050, S203, S215, S302, S303, and S351
Figure 4:

Courtesy Lamps -- Front Doors; Vanity Mirror, and IP Compartment


Object Number: 831462  Size: FS
Master Electrical Component List
Interior Lighting Systems Description and Operation
Courtesy Lamps - Headliner Front, Center, and Rear
Courtesy Lamps - Headliner Front, Center, and Rear
Courtesy Lamps - Headliner Front, Center, and Rear
Courtesy Lamps - Headliner Front, Center, and Rear
Power, Ground, DLC, and Splice Pack SP205
CKT 1050, S213 and S301
CKT 1050, S213 and S301
CKT 1050, S203, S215, S302, S303, and S351
CKT 1050, S203, S215, S302, S303, and S351