GM Service Manual Online
For 1990-2009 cars only
Makes
🢒
HUMMER
🢒
2003
🢒
H2
🢒
Body and Accessories
🢒
Wiring Systems
🢒 Inside Rearview Mirror Schematics
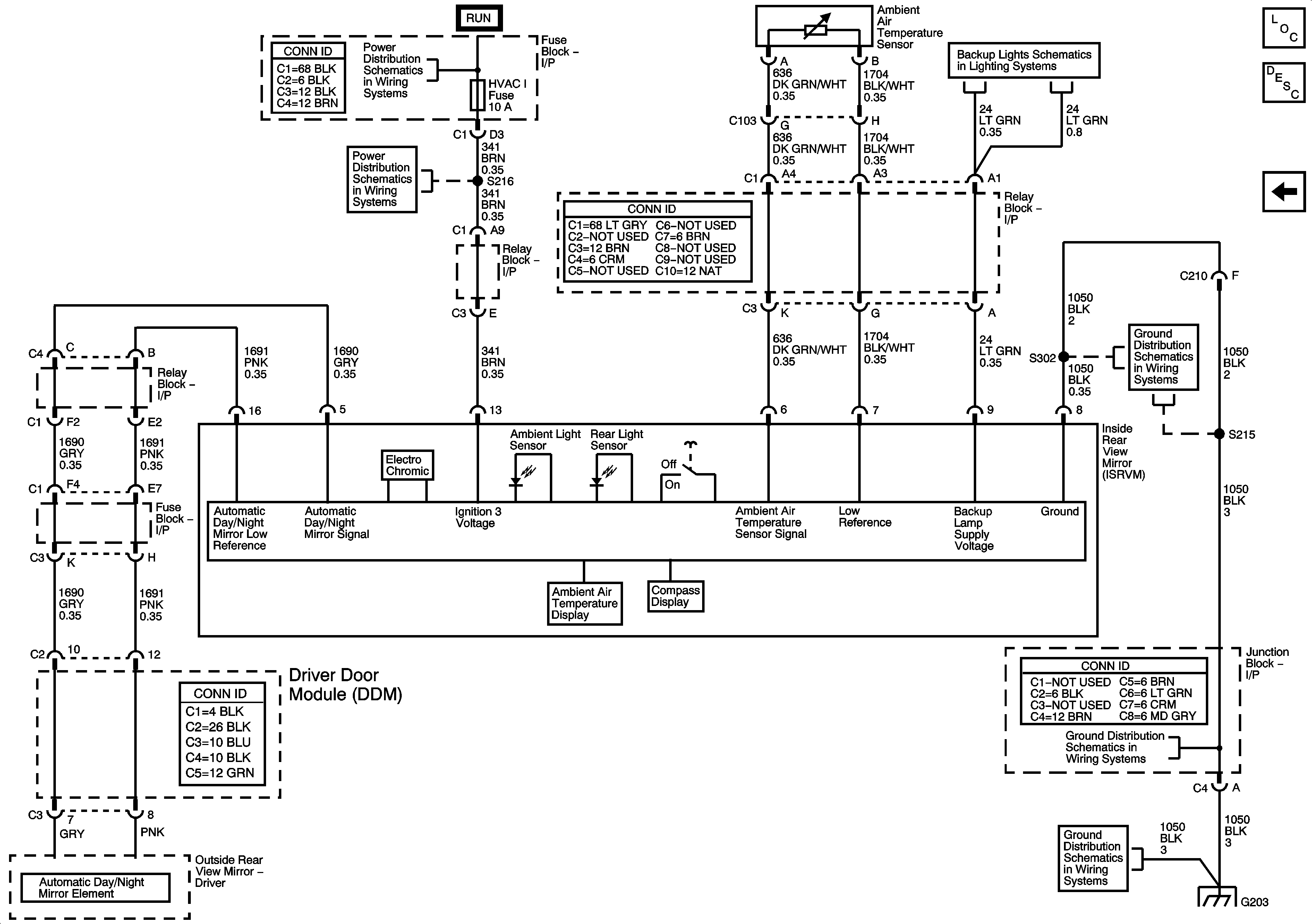
Figure
1:
Without Sunroof
Master Electrical Component List
Automatic Day-Night Mirror Description and Operation
With Sunroof
ACCY/RUN/START, RUN, and START Bus Bars, CRANK Fuse
BRAKE, 4WD, CRUISE, HVAC I, and IGN 3 Fuses
Backup Lamps
CKT 1050, S213 and S301
CKT 1050, S213 and S301
CKT 1050, S203, S215, S302, S303, and S351
CKT 1050, S203, S215, S302, S303, and S351
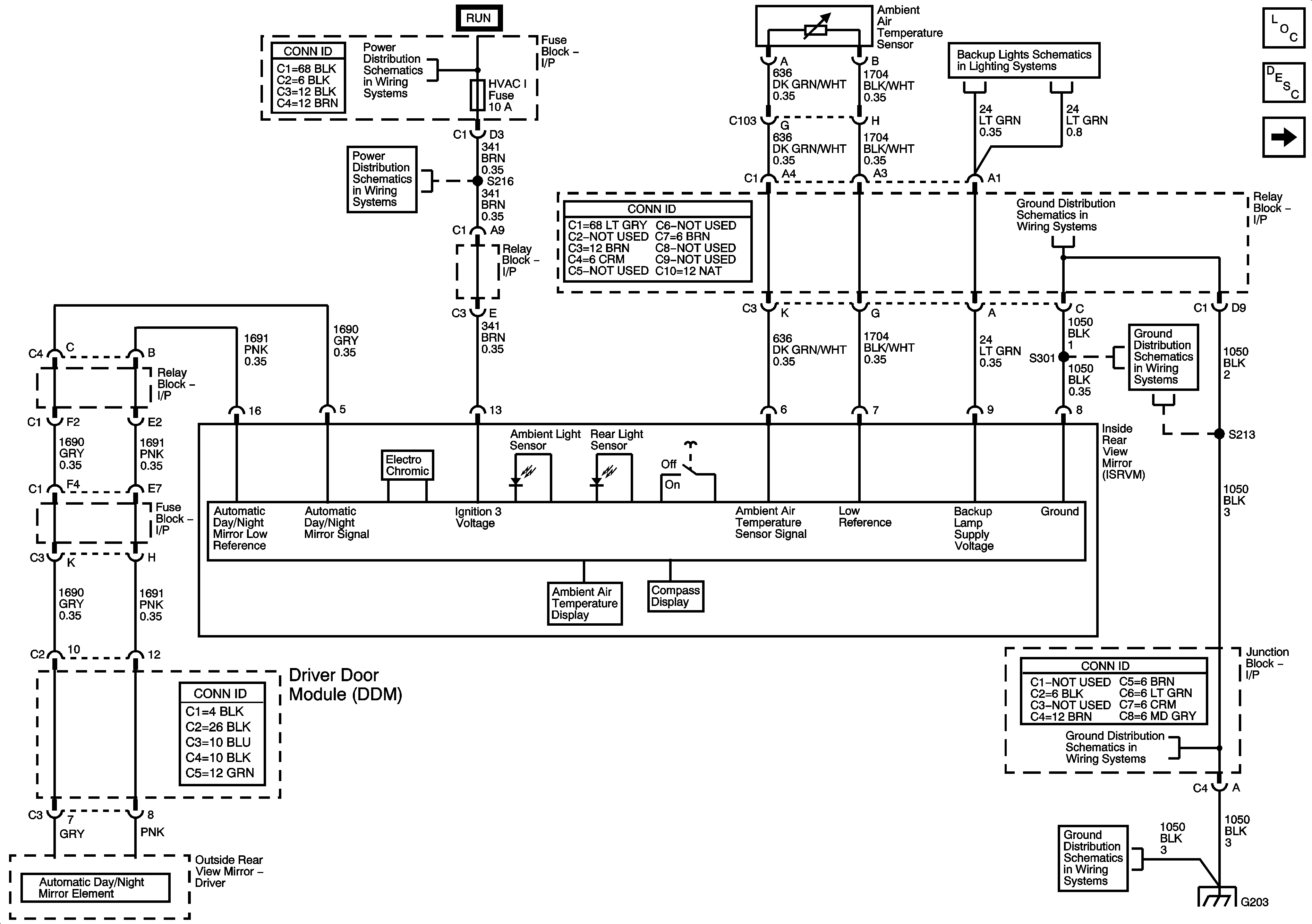
Figure
2:
With Sunroof
Master Electrical Component List
Automatic Day-Night Mirror Description and Operation
Without Sunroof
ACCY/RUN/START, RUN, and START Bus Bars, CRANK Fuse
BRAKE, 4WD, CRUISE, HVAC I, and IGN 3 Fuses
Backup Lamps
CKT 1050, S203, S215, S302, S303, and S351
CKT 1050, S203, S215, S302, S303, and S351
CKT 1050, S203, S215, S302, S303, and S351