GM Service Manual Online
For 1990-2009 cars only
Figure 1:

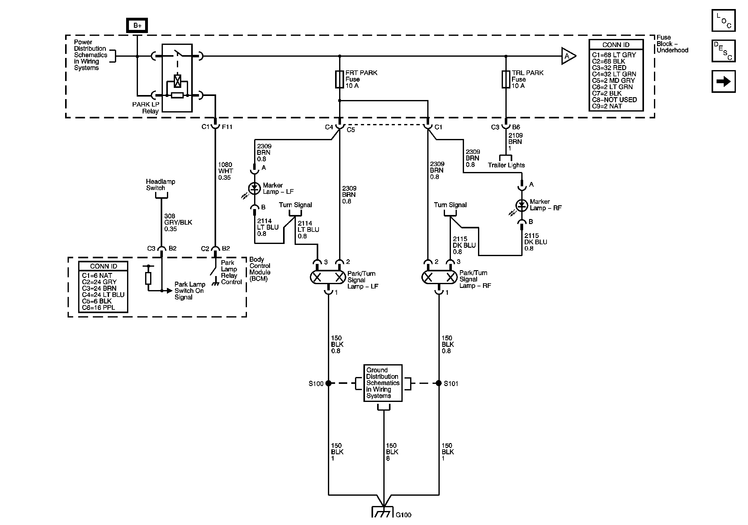
Park Lamp Relay, Front Park and Marker Lamps


Object Number: 831447  Size: FS
Master Electrical Component List
Exterior Lighting Systems Description and Operation
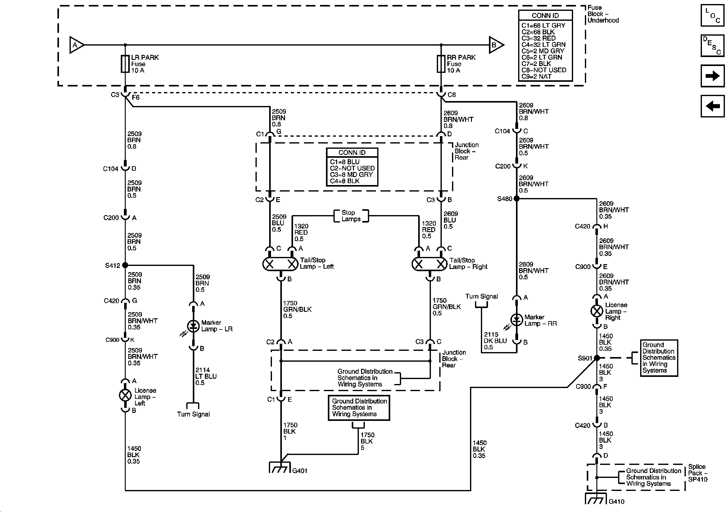
Tail Lamps, Rear Marker, and License Lamps
B+ Bus
Headlamp Controls, Switches, Ambient Light Sensor
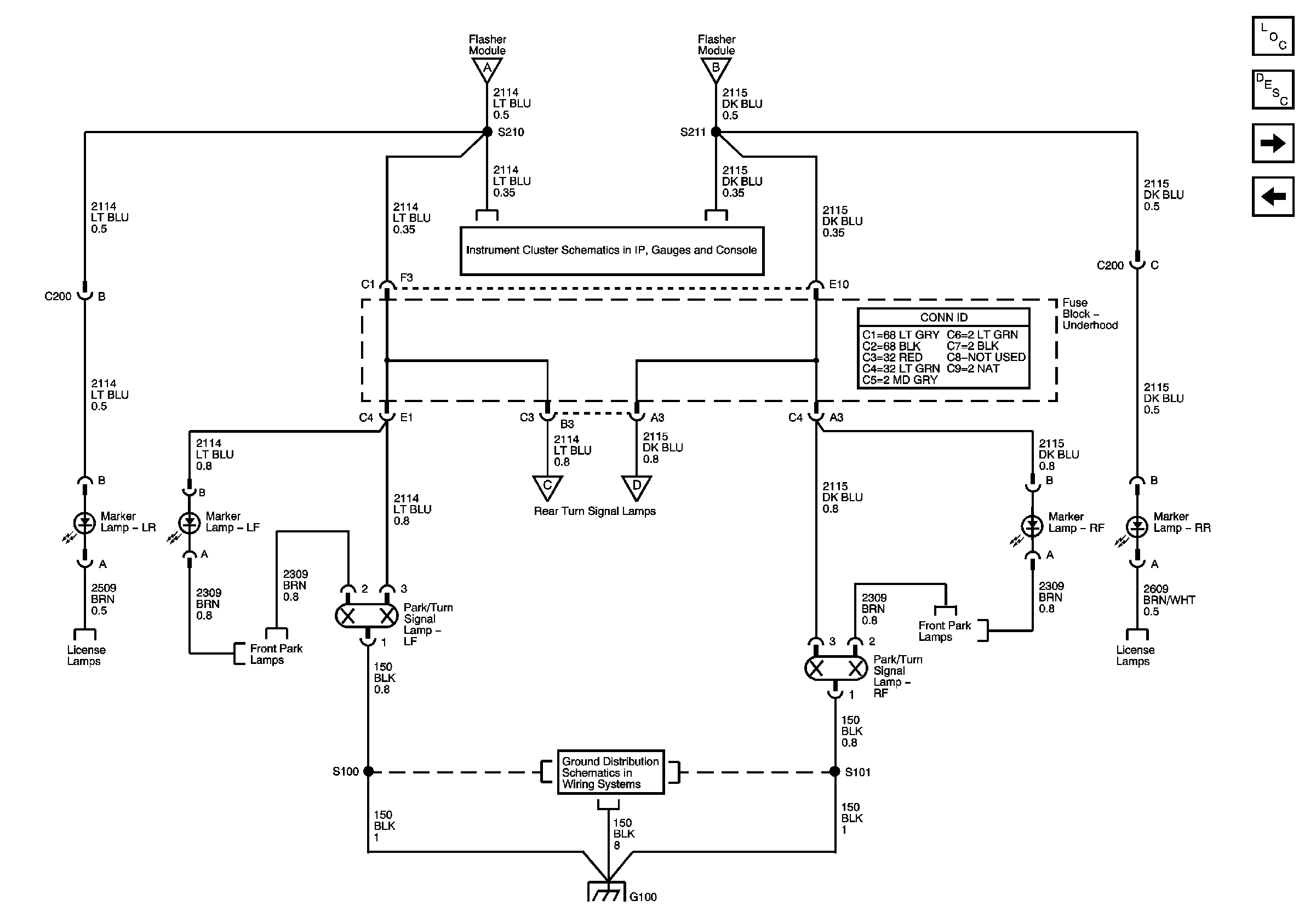
Marker Lamps, Front Turn Signal Lamps
Marker Lamps, Front Turn Signal Lamps
Trailer Lighting Provisions
Tail Lamps, Rear Marker, and License Lamps
G105 and G100
Figure 2:

Tail Lamps, Rear Marker, and License Lamps


Object Number: 831449  Size: FS
Master Electrical Component List
Exterior Lighting Systems Description and Operation
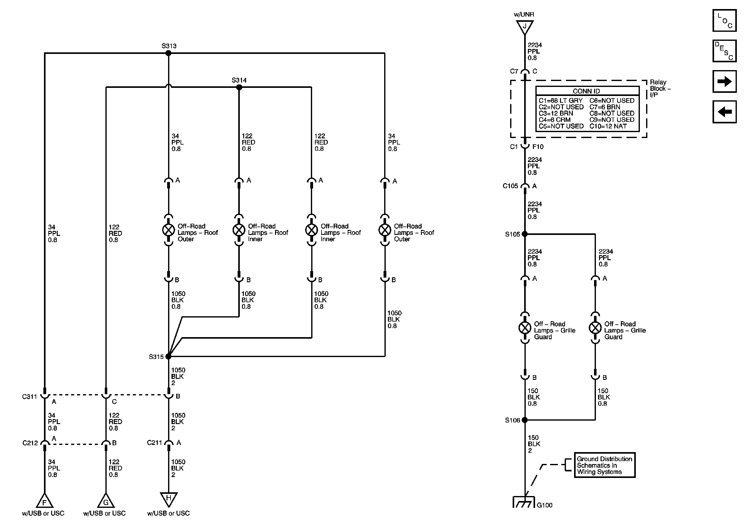
Roof Lamps
Park Lamp Relay, Front Park and Marker Lamps
Park Lamp Relay, Front Park and Marker Lamps
Roof Lamps
G402, G405, and G410
G402, G405, and G410
Marker Lamps, Front Turn Signal Lamps
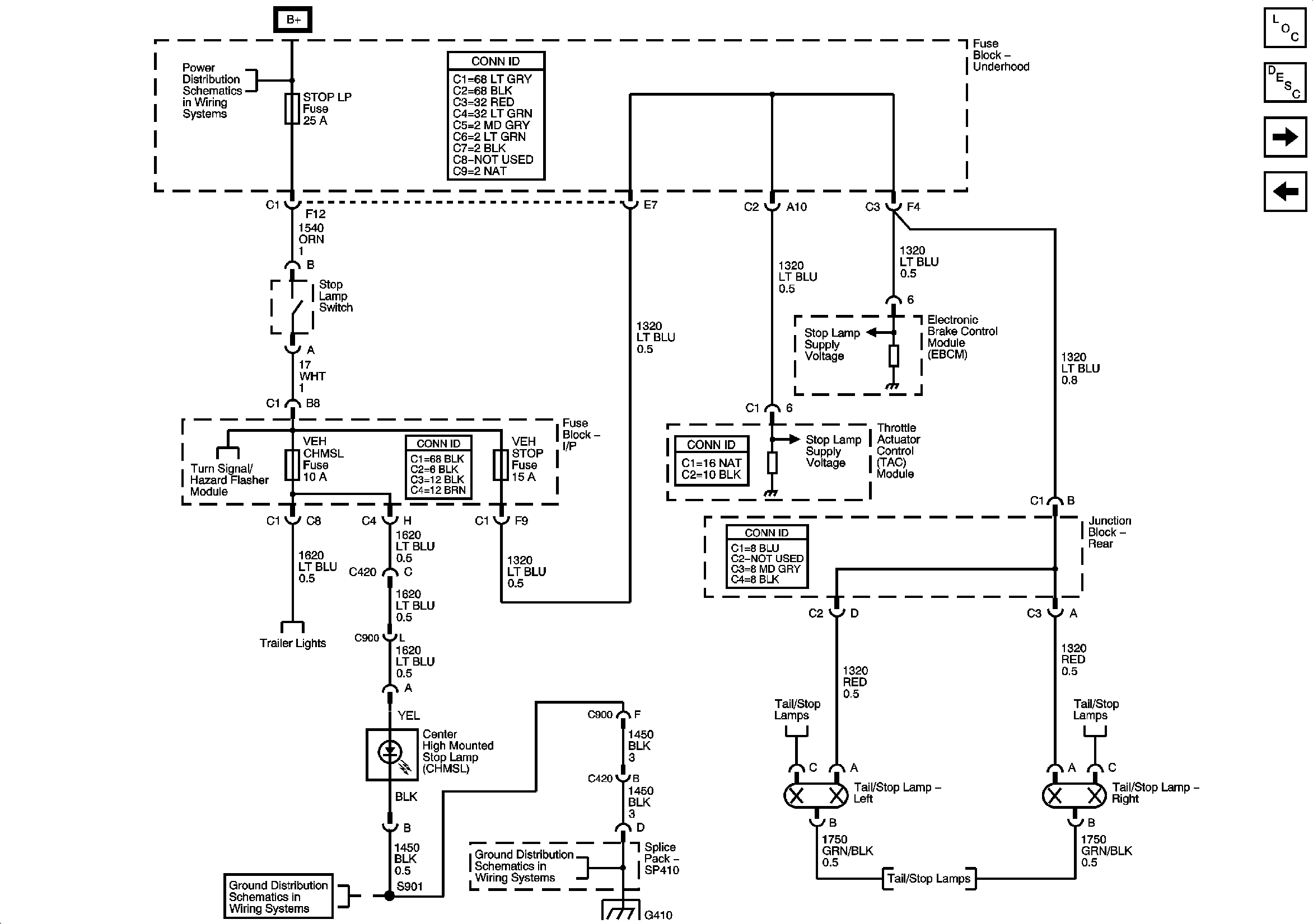
Stop Lamps
G308, G310, G401, and G300
G308, G310, G401, and G300
Marker Lamps, Front Turn Signal Lamps
Figure 3:

Roof Lamps


Object Number: 831450  Size: FS
Master Electrical Component List
Exterior Lighting Systems Description and Operation
Turn Signal/Hazard Switch and Flasher Module
Tail Lamps, Rear Marker, and License Lamps
Tail Lamps, Rear Marker, and License Lamps
G402, G405, and G410
G402, G405, and G410
CKT 1050, S203, S215, S302, S303, and S351
CKT 1050, S203, S215, S302, S303, and S351
INT PARK Fuse
Trailer Lighting Provisions
Figure 4:

Turn Signal/Hazard Switch and Flasher Module


Object Number: 831452  Size: FS
Master Electrical Component List
Exterior Lighting Systems Description and Operation
Marker Lamps, Front Turn Signal Lamps
Roof Lamps
ACCY/RUN/ and RUN/START Bus Bars
SEO IGN, SIR, and IGN E Fuses
SEO IGN, SIR, and IGN E Fuses
Headlamp Controls, Switches, Ambient Light Sensor
Front Wiper/Washer Controls
Stop Lamps
FLASH, LT TRLR, RT TRLR, LT TURN, and RT TURN Fuse
Marker Lamps, Front Turn Signal Lamps
Marker Lamps, Front Turn Signal Lamps
Trailer Lighting Provisions
G200
G200
G200
Figure 5:

Marker Lamps, Front Turn Signal Lamps


Object Number: 831453  Size: FS
Master Electrical Component List
Exterior Lighting Systems Description and Operation
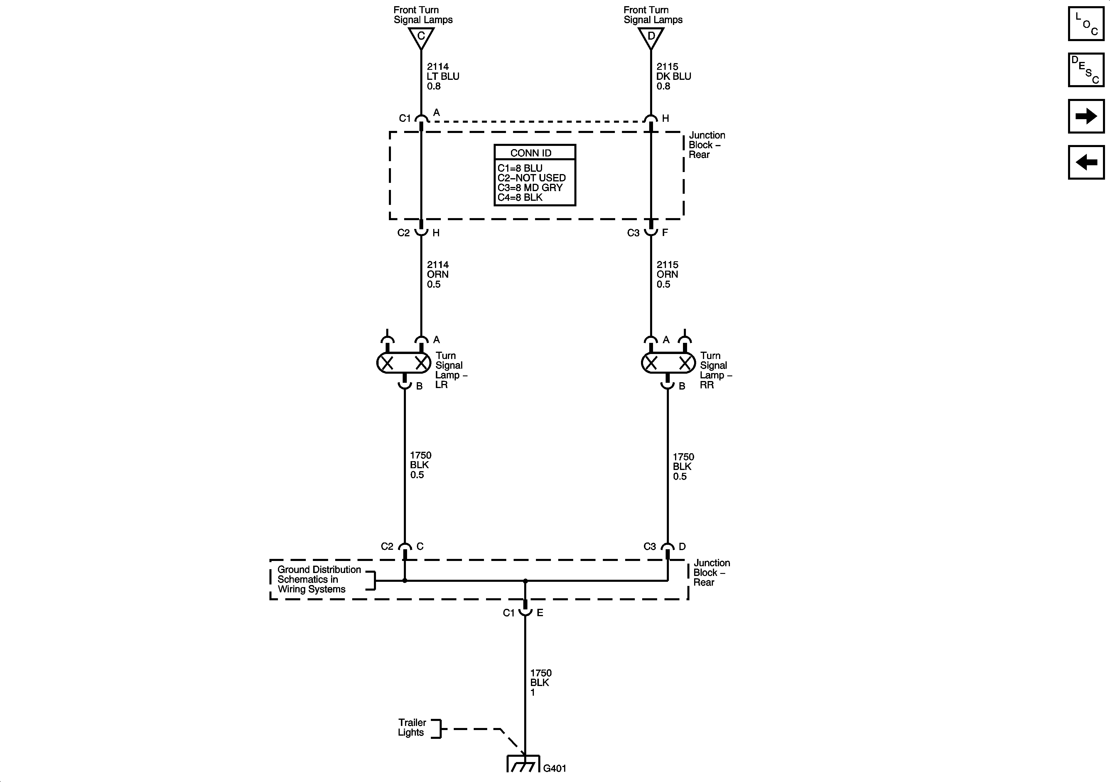
Rear Turn Signal Lamps
Turn Signal/Hazard Switch and Flasher Module
Turn Signal/Hazard Switch and Flasher Module
Indicators
Turn Signal/Hazard Switch and Flasher Module
Tail Lamps, Rear Marker, and License Lamps
Park Lamp Relay, Front Park and Marker Lamps
Rear Turn Signal Lamps
G105 and G100
Park Lamp Relay, Front Park and Marker Lamps
Tail Lamps, Rear Marker, and License Lamps
Figure 6:

Rear Turn Signal Lamps


Object Number: 831454  Size: FS
Master Electrical Component List
Exterior Lighting Systems Description and Operation
Stop Lamps
Marker Lamps, Front Turn Signal Lamps
Marker Lamps, Front Turn Signal Lamps
Marker Lamps, Front Turn Signal Lamps
Trailer Lighting Provisions
G308, G310, G401, and G300
Figure 7:

Stop Lamps


Object Number: 831455  Size: FS
Master Electrical Component List
Exterior Lighting Systems Description and Operation
Off-Road Lighting Control
Rear Turn Signal Lamps
B+ Bus
Tail Lamps, Rear Marker, and License Lamps
Tail Lamps, Rear Marker, and License Lamps
Tail Lamps, Rear Marker, and License Lamps
G402, G405, and G410
Trailer Lighting Provisions
G402, G405, and G410
Turn Signal/Hazard Switch and Flasher Module
Figure 8:

Off-Road Lighting Control


Object Number: 887445  Size: FS
Master Electrical Component List
Exterior Lighting Systems Description and Operation
Off-Road Lights
Stop Lamps
B+ Bus
Off-Road Lights
Off-Road Lights
CKT 1050, S213 and S301
CKT 1050, S213 and S301
CKT 1050, S203, S215, S302, S303, and S351
CKT 1050, S203, S215, S302, S303, and S351
Off-Road Lights
Off-Road Lights
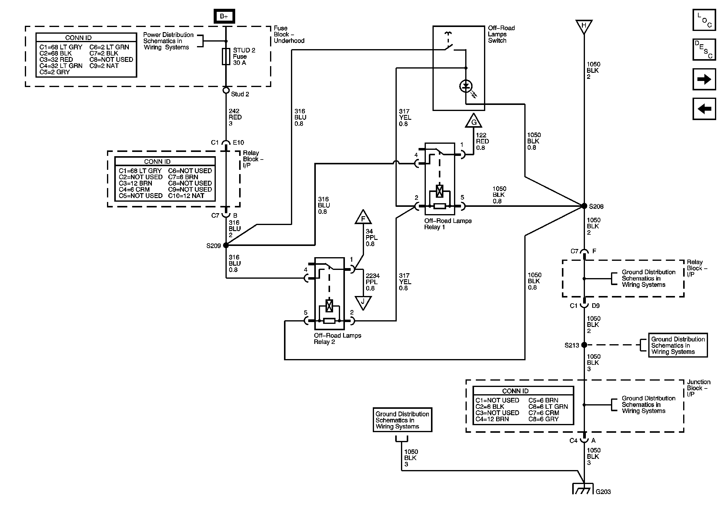
Figure 9:

Off-Road Lighting Control


Object Number: 887446  Size: FS
Master Electrical Component List
Exterior Lighting Systems Description and Operation
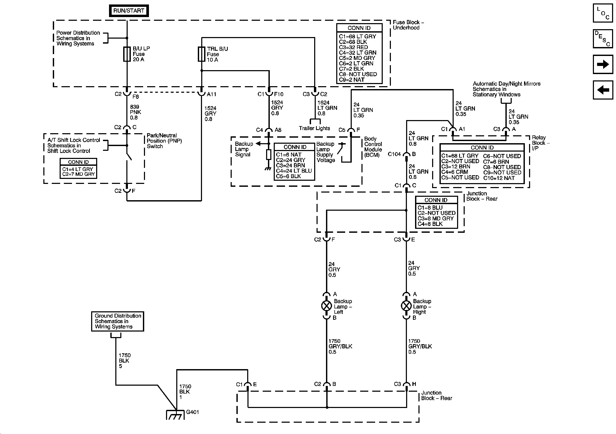
Backup Lamps
Off-Road Lighting Control
Off-Road Lighting Control
G105 and G100
Off-Road Lighting Control
Off-Road Lighting Control
Off-Road Lighting Control
Figure 10:

Backup Lamps


Object Number: 831456  Size: FS
Master Electrical Component List
Exterior Lighting Systems Description and Operation
Trailer Lighting Provisions
Off-Road Lights
ACCY/RUN/ and RUN/START Bus Bars
Automatic Transmission Shift Lock Control Schematics
Trailer Lighting Provisions
Without Sunroof
G308, G310, G401, and G300
Figure 11:

Trailer Lighting Provisions


Object Number: 831457  Size: FS
Master Electrical Component List
Exterior Lighting Systems Description and Operation
Backup Lamps
STUD 1, STUD 2, VSES/ECAS, BLOWER, ABS, and MBEC 1 Fuses
Stop Lamps
CKT 1050, S213 and S301
CKT 1050, S213 and S301
CKT 1050, S203, S215, S302, S303, and S351
CKT 1050, S203, S215, S302, S303, and S351
G308, G310, G401, and G300
Roof Lamps
Backup Lamps
Turn Signal/Hazard Switch and Flasher Module
Turn Signal/Hazard Switch and Flasher Module
Park Lamp Relay, Front Park and Marker Lamps