GM Service Manual Online
For 1990-2009 cars only
Makes
🢒
HUMMER
🢒
2003
🢒
H2
🢒
Body and Accessories
🢒
Lighting Systems
🢒 Headlights Schematics
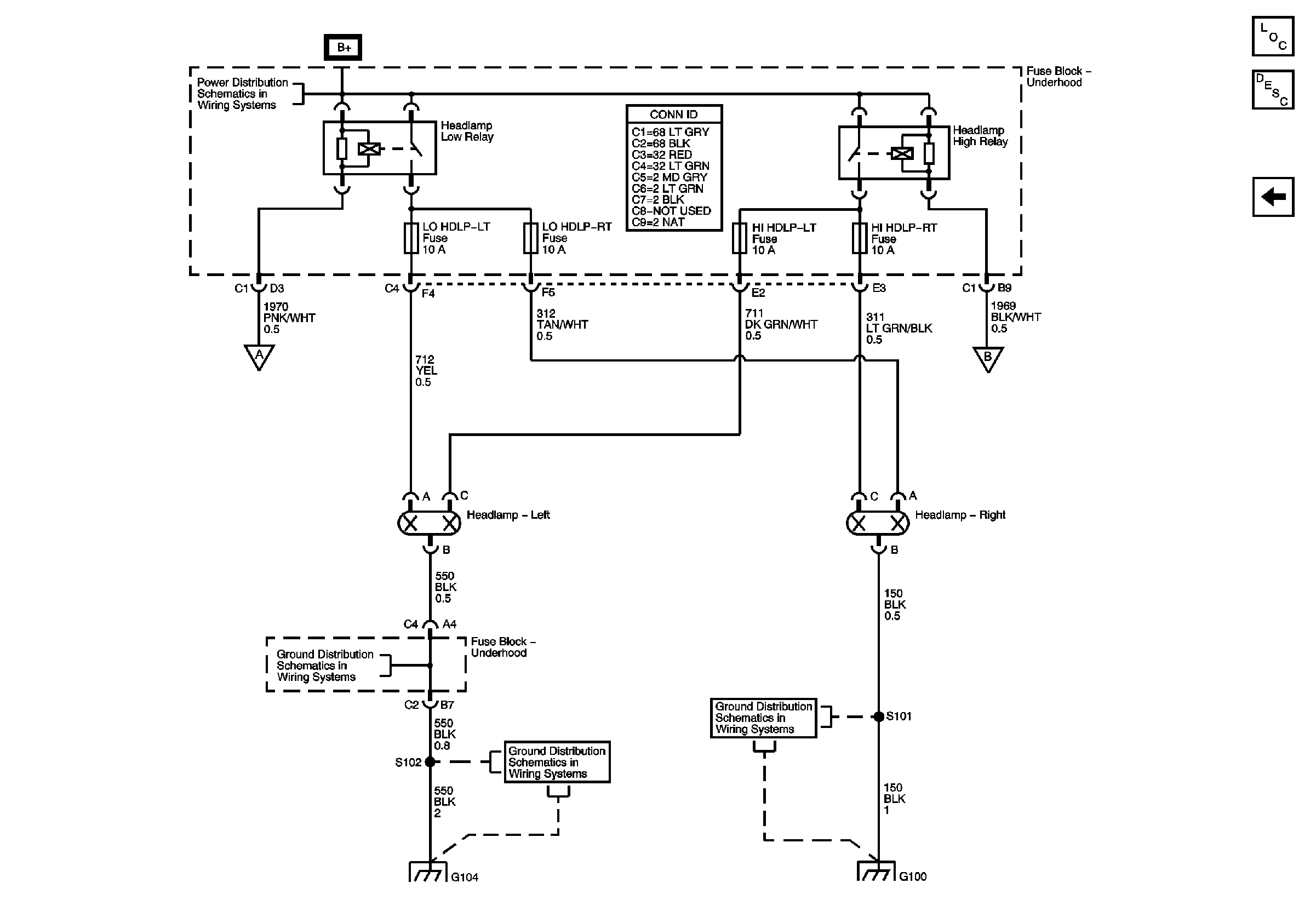
Figure
1:
Headlamp Controls, Switches, Ambient Light Sensor
Master Electrical Component List
Exterior Lighting Systems Description and Operation
Headlamps Schematics
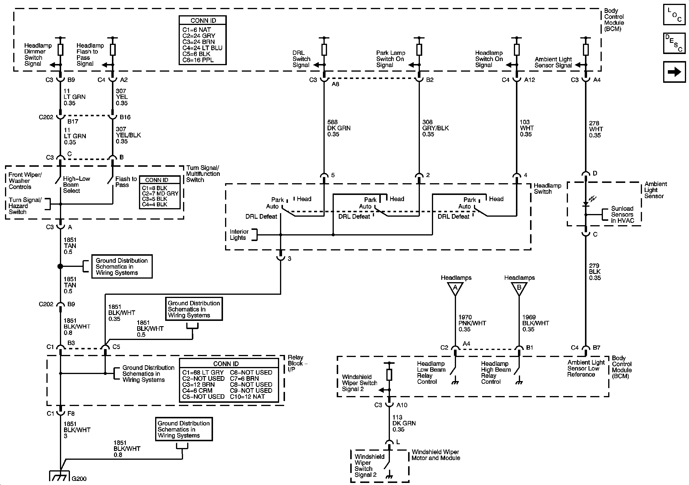
Front Wiper/Washer Controls
Turn Signal/Hazard Switch and Flasher Module
G200
G200
G200
G200
Interior Light Controls, BCM, Door Ajar Switches
Headlamps Schematics
Headlamps Schematics
Temperature Controls and Sunload Sensors
Figure
2:
Headlamps Schematics
Master Electrical Component List
Exterior Lighting Systems Description and Operation
Headlamp Controls, Switches, Ambient Light Sensor
B+ Bus
Headlamp Controls, Switches, Ambient Light Sensor
Headlamp Controls, Switches, Ambient Light Sensor
G105 and G100
G104 and G106
G104 and G106