GM Service Manual Online
For 1990-2009 cars only
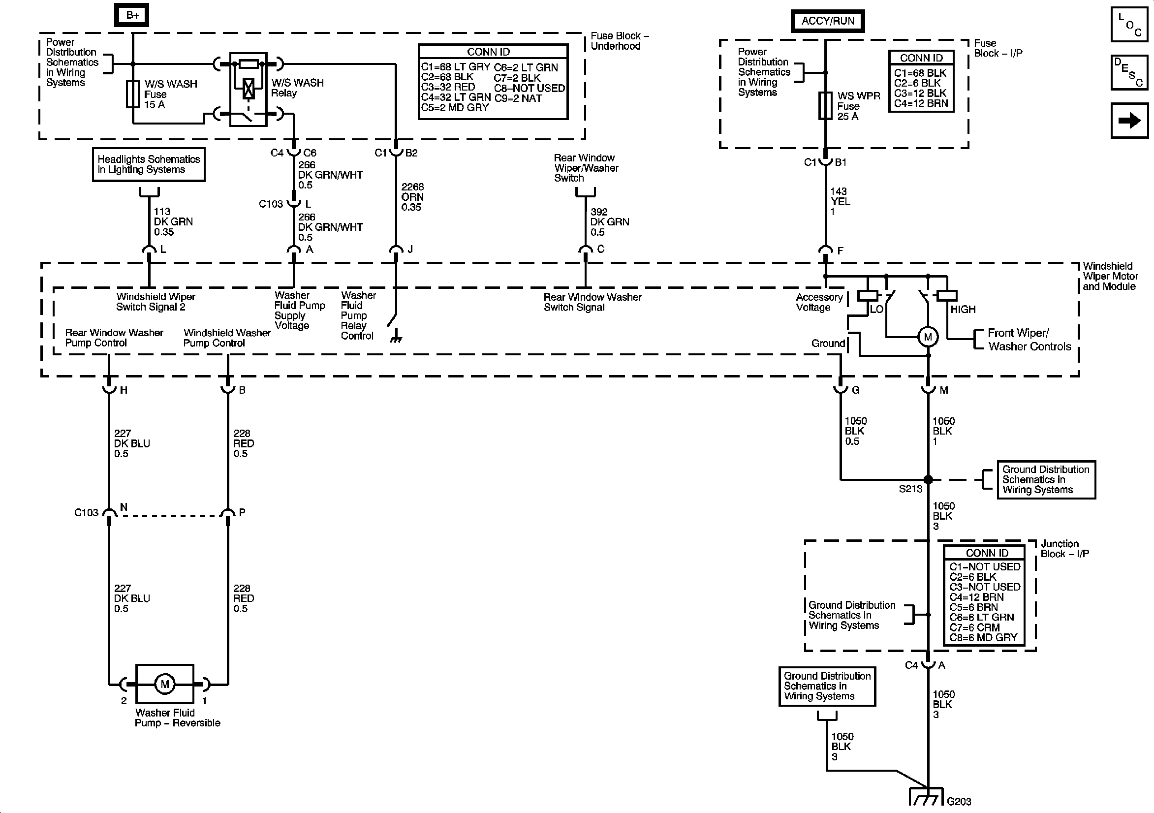
Figure 1:

Front Wiper/Washer Power, Ground, and Motors


Object Number: 833024  Size: FS
Master Electrical Component List
Wiper/Washer System Description and Operation
Front Wiper/Washer Controls
B+ Bus
Headlamp Controls, Switches, Ambient Light Sensor
Rear Wiper Power, Ground, Controls, and Washer Fluid Level Sensor
WS WPR, SEO ACCY, RR WPR, and TBC ACCY Fuses
Front Wiper/Washer Controls
CKT 1050, S213 and S301
CKT 1050, S203, S215, S302, S303, and S351
CKT 1050, S203, S215, S302, S303, and S351
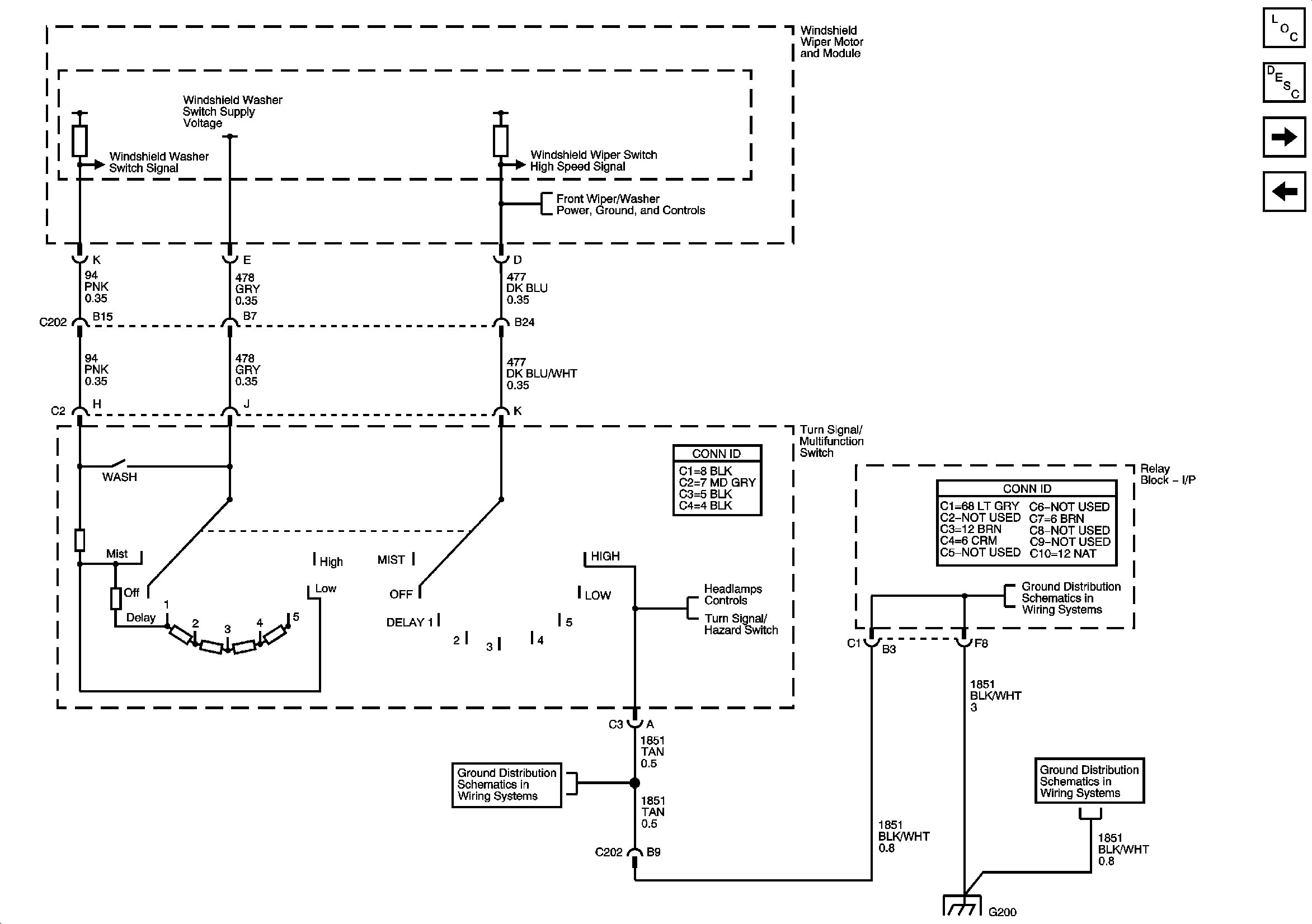
Figure 2:

Front Wiper/Washer Controls


Object Number: 856995  Size: FS
Master Electrical Component List
Wiper/Washer System Description and Operation
Rear Wiper Power, Ground, Controls, and Washer Fluid Level Sensor
Front Wiper/Washer Power, Ground, and Motors
Front Wiper/Washer Power, Ground, and Motors
Headlamp Controls, Switches, Ambient Light Sensor
Turn Signal/Hazard Switch and Flasher Module
G200
G200
G200
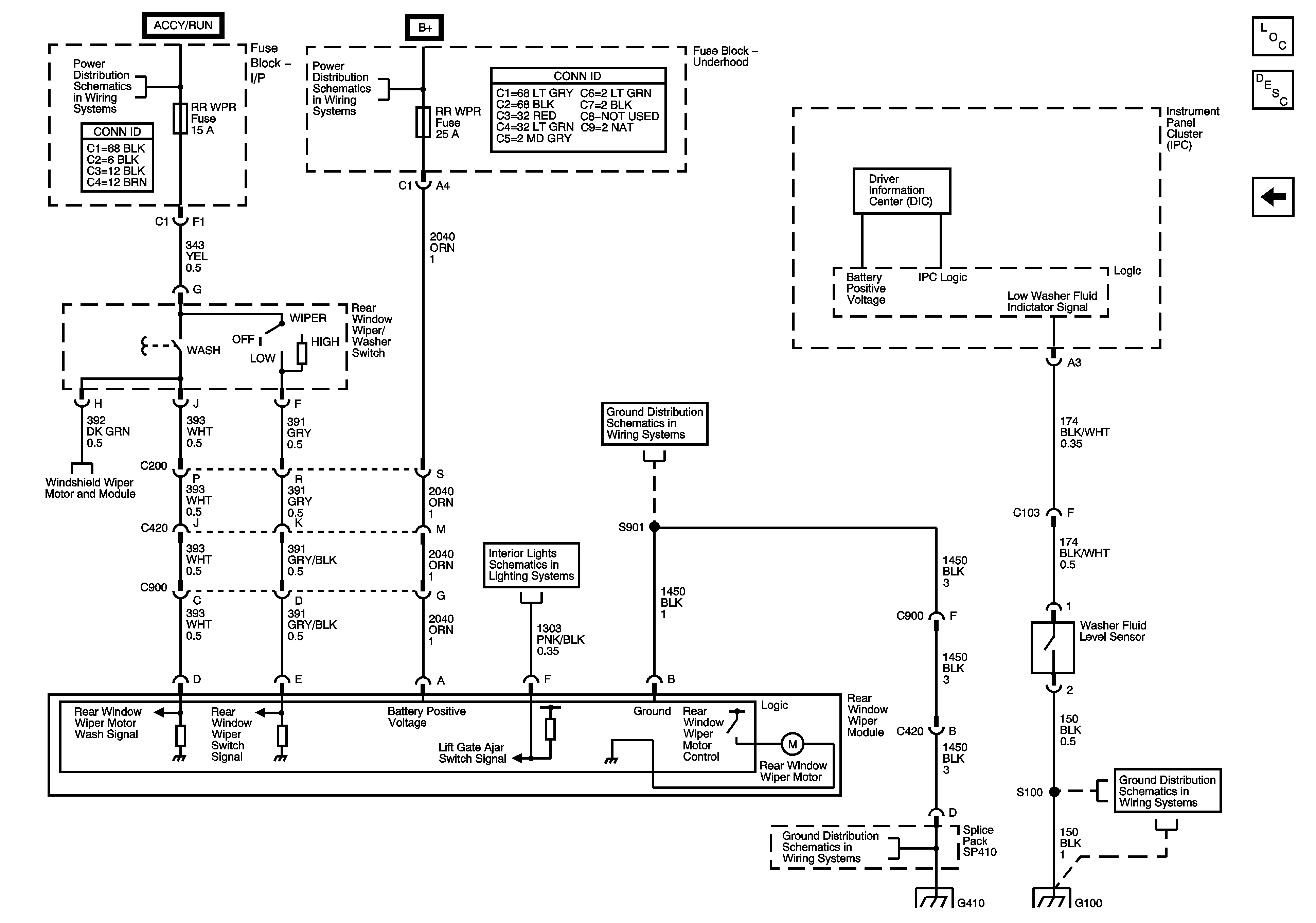
Figure 3:

Rear Wiper Power, Ground, Controls, and Washer Fluid Level Sensor


Object Number: 833028  Size: FS
Master Electrical Component List
Rear Wiper/Washer System Description and Operation
Front Wiper/Washer Controls
WS WPR, SEO ACCY, RR WPR, and TBC ACCY Fuses
RR DEFOG, RR WPR, STOP LP, STOP, and CHMSL Fuses
G105 and G100
G402, G405, and G410
G402, G405, and G410
Interior Light Controls, BCM, Door Ajar Switches
Front Wiper/Washer Power, Ground, and Motors