GM Service Manual Online
For 1990-2009 cars only
Makes
🢒
HUMMER
🢒
2003
🢒
H2
🢒
Body and Accessories
🢒
Cellular Communication
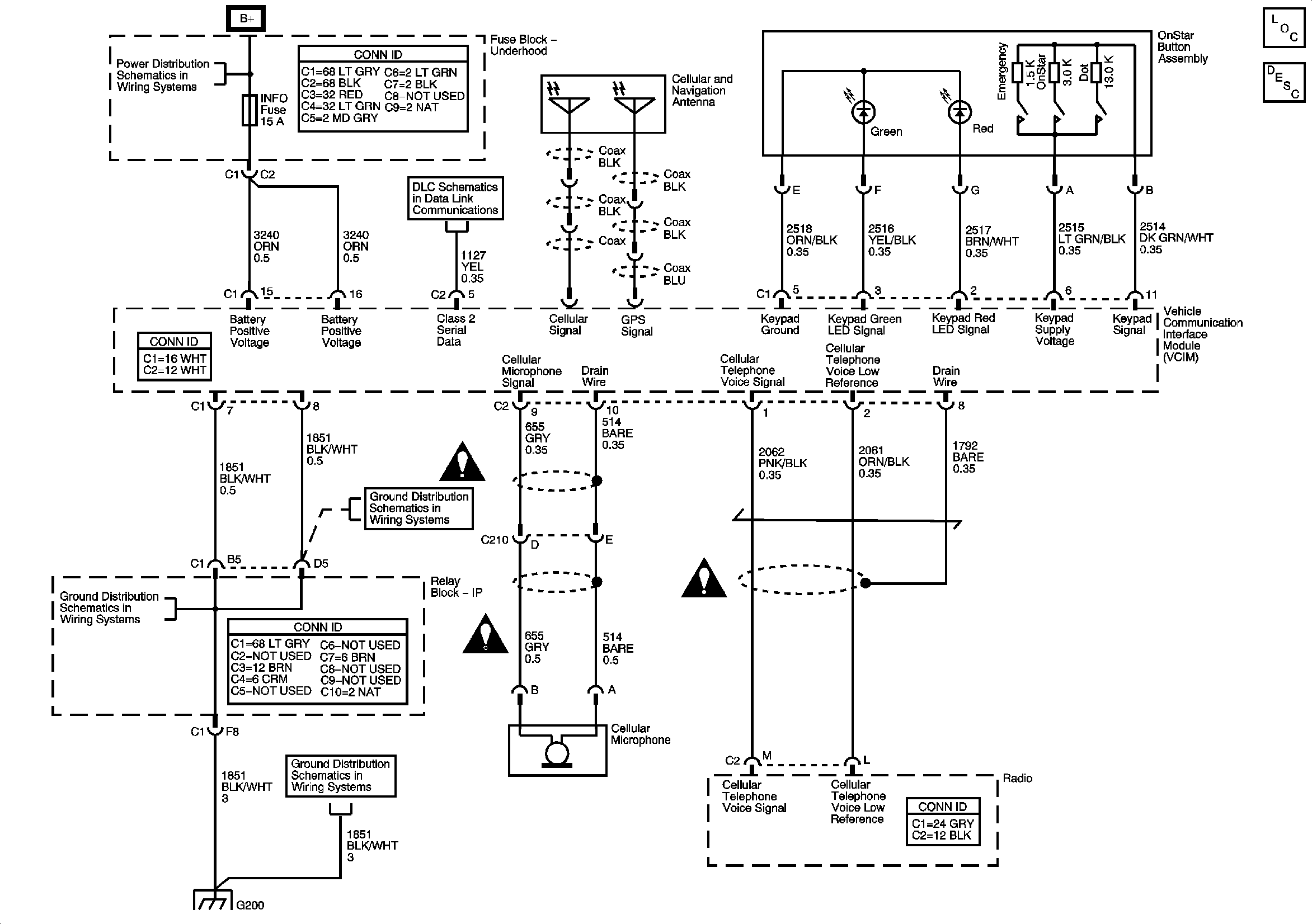
🢒 OnStar Schematics
Master Electrical Component List
OnStar Description and Operation
B+ Bus
Splice Pack SP206, SP207 and Dedicated TAC Serial Data Circuits
Cellular Communication Schematic Icons
Cellular Communication Schematic Icons
Cellular Communication Schematic Icons
G200
G200
G200