GM Service Manual Online
For 1990-2009 cars only
Makes
🢒
HUMMER
🢒
2003
🢒
H2
🢒
Body and Accessories
🢒
Theft Deterrent
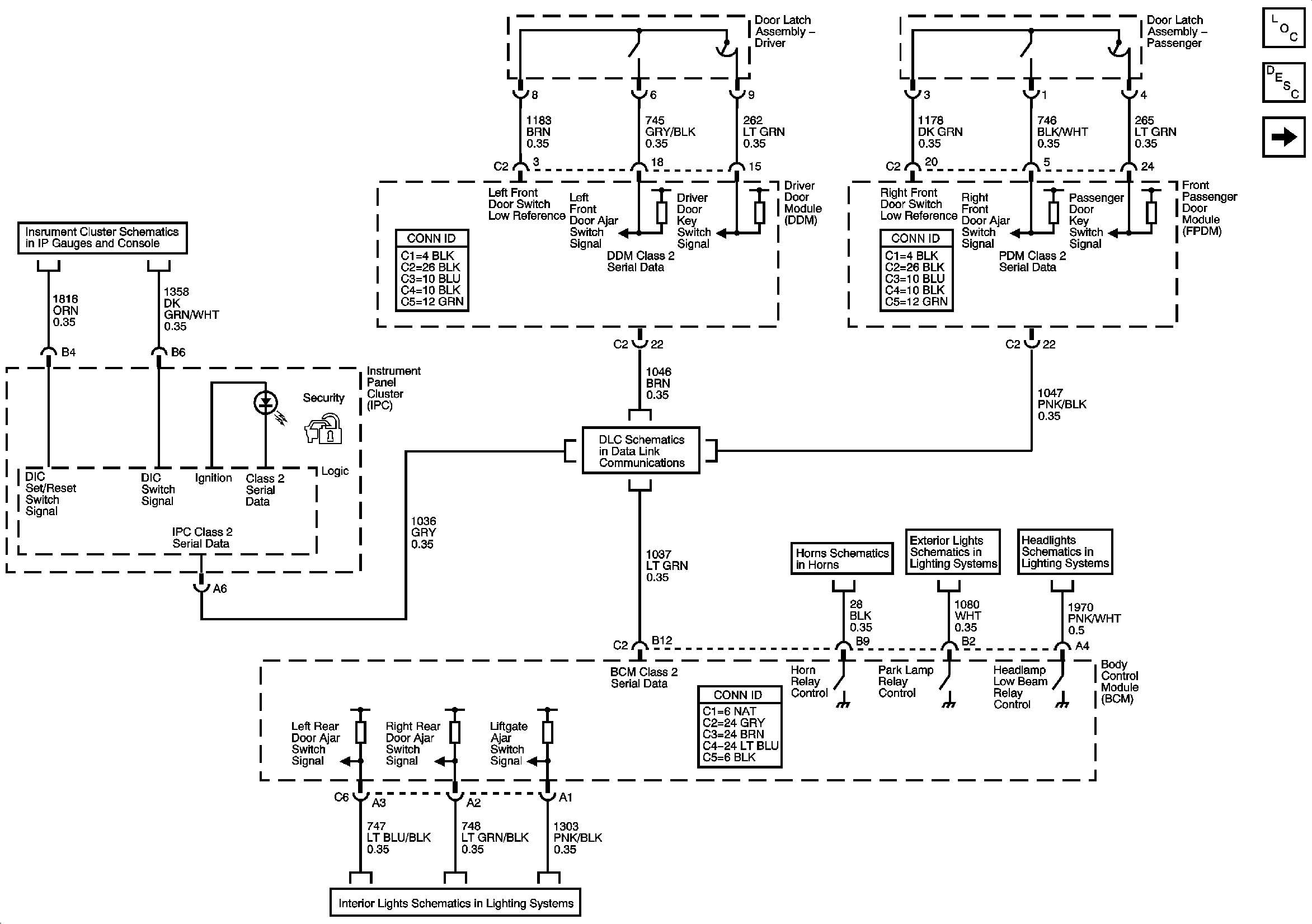
🢒 Theft Deterrent System Schematics
Figure
1:
Content Theft Deterrent
Master Electrical Component List
Vehicle Theft Deterrent (VTD) Description and Operation
Vehicle Theft Deterrent
Displays and Personalization Controls
Power, Ground, DLC, and Splice Pack SP205
Horns Schematics
Park Lamp Relay, Front Park and Marker Lamps
Headlamp Controls, Switches, Ambient Light Sensor
Interior Light Controls, BCM, Door Ajar Switches
Figure
2:
Vehicle Theft Deterrent
Master Electrical Component List
Vehicle Theft Deterrent (VTD) Description and Operation
Content Theft Deterrent
Power, Ground, DLC, and Splice Pack SP205
Fuel Injector Controls