GM Service Manual Online
For 1990-2009 cars only
Figure 1:

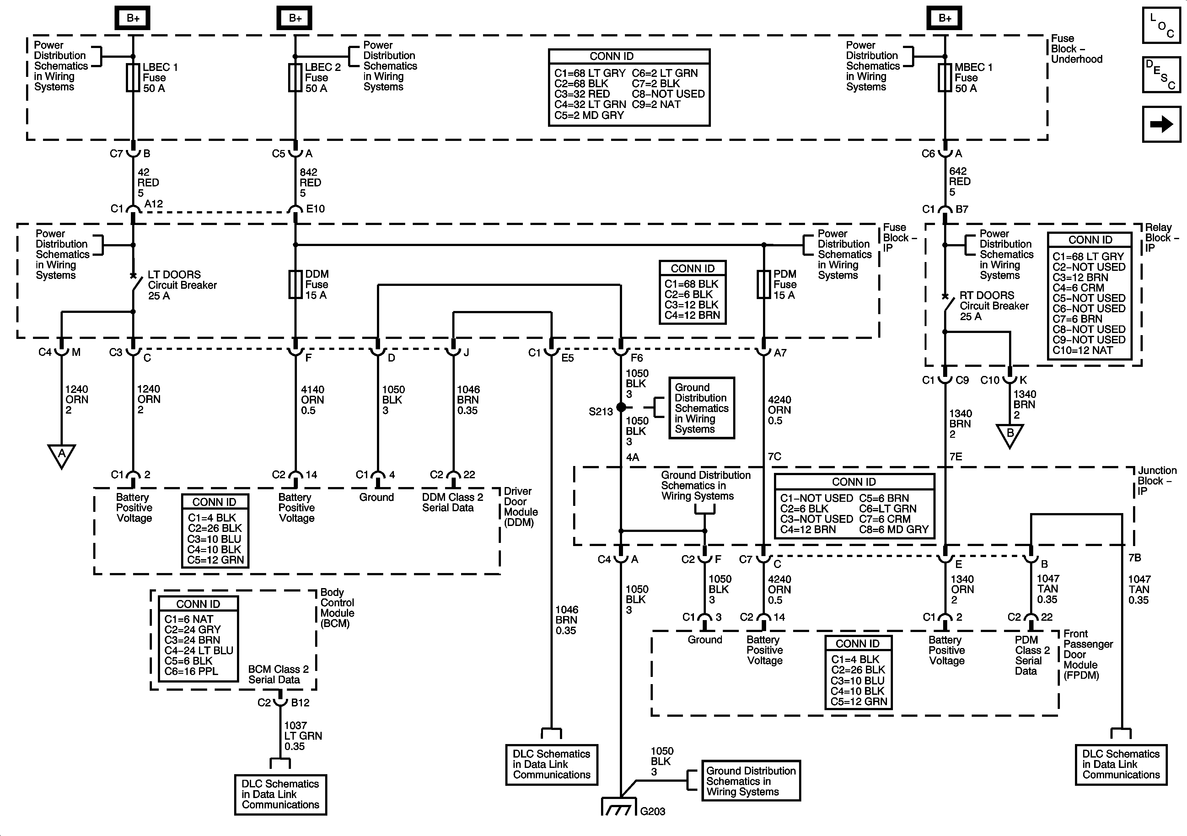
Door Modules -- Power, Grounding, and DLC


Object Number: 832687  Size: FS
Master Electrical Component List
Power Windows Description and Operation
Front Door Windows
B+ Bus
LBEC 1, LBEC 2, INFO, PDM, AUX PWR, DDM, LOCKS, TBC 2A, 2B, and 2C Fuses, and LT DOOR Circuit Breaker
B+ Bus
LBEC 1, LBEC 2, INFO, PDM, AUX PWR, DDM, LOCKS, TBC 2A, 2B, and 2C Fuses, and LT DOOR Circuit Breaker
B+ Bus
STUD 1, STUD 2, VSES/ECAS, BLOWER, ABS, and MBEC 1 Fuses
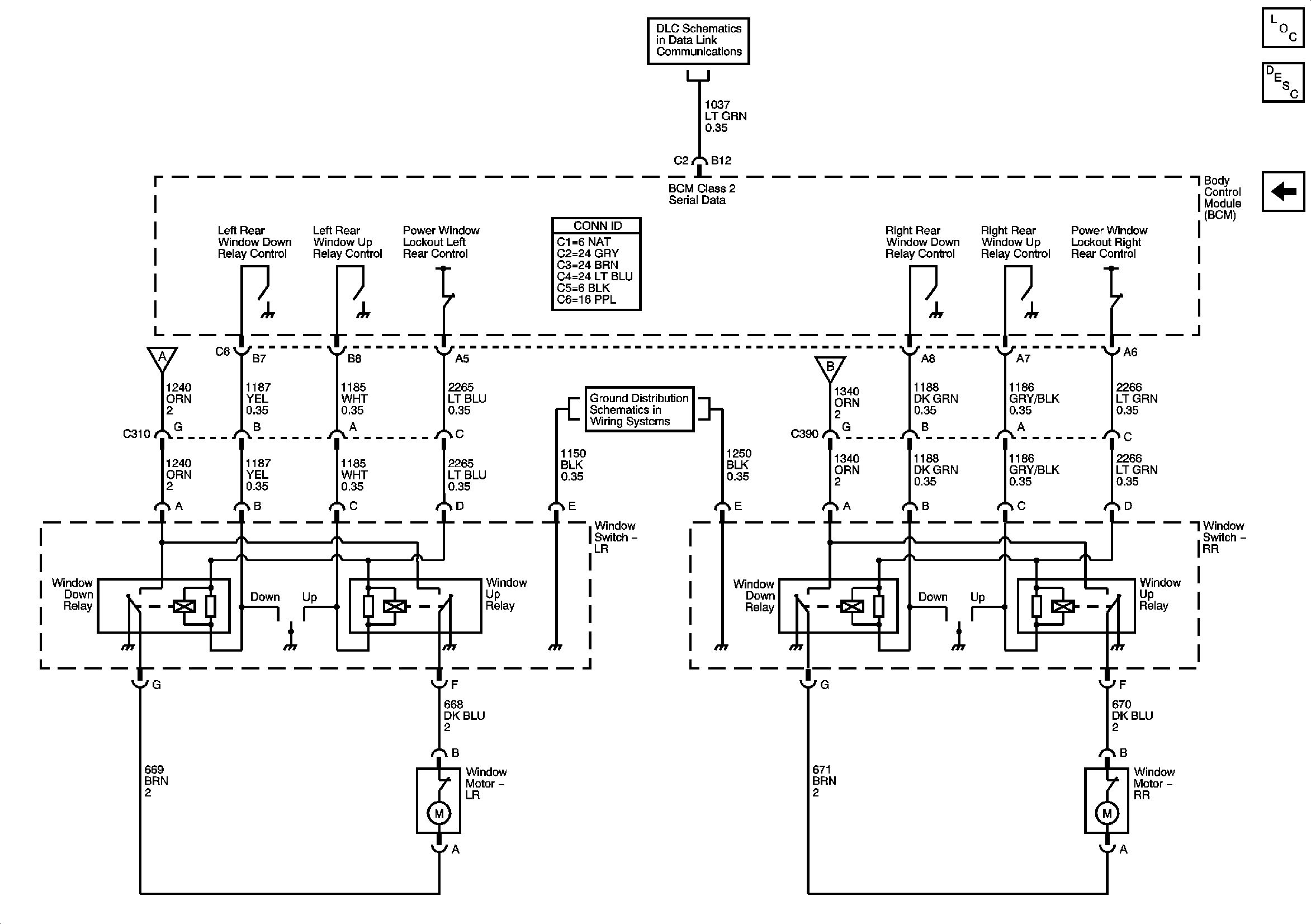
Rear Door Windows
Power, Ground, DLC, and Splice Pack SP205
CKT 1050, S213 and S301
CKT 1050, S203, S215, S302, S303, and S351
CKT 1050, S203, S215, S302, S303, and S351
Power, Ground, DLC, and Splice Pack SP205
Power, Ground, DLC, and Splice Pack SP205
Rear Door Windows
Figure 2:

Front Door Windows


Object Number: 832688  Size: FS
Master Electrical Component List
Power Windows Description and Operation
Rear Door Windows
Door Modules - Power, Grounding, and DLC
Door Lock./Indicator Schematics
Driver Window, Door, and Seat Switches
Outside Mirror Schematics
Power, Ground, DLC, and Splice Pack SP205
Door Lock./Indicator Schematics
Driver Window, Door, and Seat Switches
Figure 3:

Rear Door Windows


Object Number: 832689  Size: FS
Master Electrical Component List
Power Windows Description and Operation
Front Door Windows
Door Modules - Power, Grounding, and DLC
G302, G304, and G306
Power, Ground, DLC, and Splice Pack SP205
Door Modules - Power, Grounding, and DLC