GM Service Manual Online
For 1990-2009 cars only
Makes
🢒
HUMMER
🢒
2003
🢒
H2
🢒
Body and Accessories
🢒
Seats
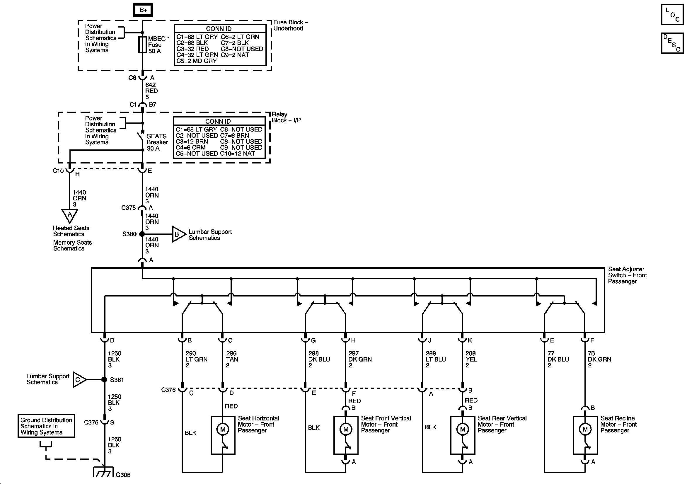
🢒 Power Seats Schematics
Master Electrical Component List
Power Seats System Description and Operation
B+ Bus
STUD 1, STUD 2, VSES/ECAS, BLOWER, ABS, and MBEC 1 Fuses
Driver Heated Seat
Driver Memory Seat and Memory Switch
Lumbar Support Schematics
Lumbar Support Schematics
G302, G304, and G306